许多家用电器(例如电视机、DVD、空调等)都有遥控装置,一旦遥控失灵,故障原因不外乎是在遥控发射器,或是在主机的遥控接收部分。通常是利用中波收音机检测遥控发射器,即将正常的发射器靠近正在工作的收音机,按下任意一键时。收音机会发出“嘟嘟”的响声。但是当发射器内的红外线发射二极管击穿短路或丧失红外线发射能力,而其内部的振荡电路仍在工作时,利用收音机检测仍会发出“嘟嘟”声响,使人误认为发射器工作正常,而导致大动干戈地去打开主机检查红外接收部分。 
         鼠标是基于红外线工作的,所以它对遥控发射器发出的红外线光也敏感。本文介绍几种利用鼠标来检测遥控发射器的方法。这些方法简单可靠,结果准确。 


一、借助计算机的检测 

    如果计算机使用的是光电鼠标。在计算机正常工作时,将鼠标的光标调整到屏幕中部,再把鼠标底面朝上,用遥控发射器朝向鼠标底面发红光处,按下任一键,鼠标底面的红光会增亮。再微微晃动遥控器,屏幕上的鼠标箭头会跟着晃动。这说明遥控器工作正常。如果屏幕上的箭头不会动,遥控器就有故障了。 
    如果计算机配置的是机械式鼠标,打开鼠标盖,能看到两个外圆带有豁口的光学编码盘。在圆盘的两测,透明的元件是红外线发射二极管,黑色、三条腿的是接收管。在计算机正常工作时,用遥控发射器对准一只接收管的感光面(与发射管相对的面),按下任一按键,并微微晃动遥控器,屏幕上的鼠标箭头也会跟着晃动。 


二、利用闲置的机械鼠标检测 

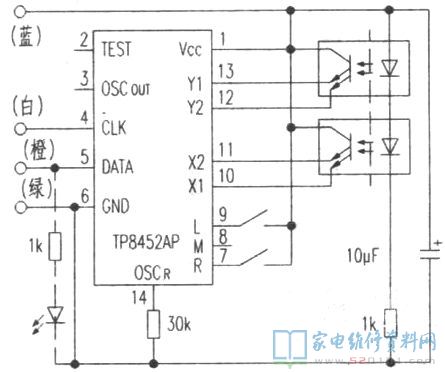
    随着光电鼠标的出现,机械鼠标逐渐被淘汰。用闲置的机械鼠标检测遥控发射器,可以使废物再利用。下面以下图所示的赤兔1602P型机械鼠标电路为例,说明检测遥控发射器的改制方法。 

    鼠标一般通过PS2口或串口与主机相连接,接口中一般使用四根线,分别是电源(Vcc,+5V),地(GND),时钟(CLK)和数据(DATA)。下图中分别标出了四根线的颜色。集成电路是台湾凌越科技公司的产品,它为PS2接口、2维、3键、14引脚鼠标控制器。图中光耦合器内的虚线为光学编码盘,2个光耦合器分别用来感受鼠标在X和Y方向的移动。

 

    改制方法:拆去2只光学编码盘和红外线发射管,L、R引脚的2只微动开关也可以拆掉。红外接收管可以只保留一只。一定要保留集成电路和振荡器OSC部分的元件,例如图中的30k电阻(大部分鼠标OSC部分的元件为频率32768Hz的晶振)。在DATA引脚与地之间接上图中虚线所示的电阻和发光二极管。
    检测方法:给鼠标加上+5V电压后,用遥控发射器靠近一只接收管的感光面(距离不要大于20mm,因为接收管的灵敏度很低),按下任一按键,如果发射器正常,加装的发光管会发出频闪亮光。 
    测试数据:闪光频率为100Hz左右:改制鼠标的静态工作电流0.5mA,最大工作电流1.5mA。 


三、直接利用红外线接收管检测 

    此法要借助指针式万用表进行。试验用万用表为MF50型,置Rx1k挡。光耦合器内的红外线接收管有3条腿,万用表的黑表笔接中间腿,红表笔接两边的任意一条腿,此时电阻值为80k。用遥控发射器对准接收管的感光面,按下任一按键,如果发射器正常,阻值将会减小(约为70k)。如果此时阻值不减小,则发射器有故障。 


四、红外线发射管的利用 

    如果遥控发射器的红外线发射管损坏,可以用机械鼠标的红外线发射管来代替,注意发射管的极性应与原发射管一致,并使发射管的半圆球突起面朝向光线射出方向。由于鼠标内的红外发射管实际工作时需要的发射距离很近,工作电流又小于遥控发射器内的发射管,所以代换后的灵敏度和寿命较低。 


五、几种鼠标控制器集成电路的引脚 

    改制机械鼠标时需要知道控制器集成电路有关功能的引脚号。常见集成电路有关功能的引脚号见附表所示。