您好,欢迎您访问家电维修资料网
登陆 免费注册
实用工具手机版

用手机访问

手机访问家电维修资料网
家电维修资料网
  • 首页
  • 维修资料
    • 彩电维修资料
    • 彩电总线调整
    • 维修基础
    • 电子线路
    • 电子制作
    • 空调制冷
    • 家用电器维修
    • 音响功放
    • 卫星有线
    • VCD、DVD
    • 通讯设备
    • 办公设备
    • 数码摄录
    • 计算机设备维修
    • 软件下载
    • 培训教材
  • 电路图纸
    • 长虹彩电图纸
    • 康佳彩电图纸
    • TCL彩电图纸
    • 海尔彩电图纸
    • 创维彩电图纸
    • 海信彩电图纸
    • 其他彩电图纸
    • 合资彩电图纸
    • LG彩电图纸
    • 松下彩电图纸
    • 三星彩电图纸
    • 索尼彩电图纸
    • 东芝彩电图纸
    • 夏普彩电图纸
    • 飞利浦彩电图纸
    • DVD功放图纸
    • 家用电器图纸
    • 数码相机图纸
    • 显示器图纸
    • 维修工具图纸
  • 数据下载
    • 长虹彩电数据
    • 康佳彩电数据
    • TCL彩电数据
    • 海尔彩电数据
    • 创维彩电数据
    • 海信彩电数据
    • 其他彩电数据
    • 合资彩电数据
    • 厦华彩电数据
    • DVD机顶盒数据
  • 说明书
    • 彩电说明书
    • 显示器说明书
    • 家用电器说明书
    • 遥控器说明书
    • 影音系统说明书
  • 视频
    • 彩电维修
    • 空调制冷
    • 电脑软件
    • 办公设备
    • 显示器维修
    • 电子线路
    • 维修基础
    • 电工技术
    • 通讯维修
    • DVD维修
    • 生活电器
    • 仪器仪表
    • 其他技能
    • 电子制作
  1. 首页
  2. 维修基础
  3. 正文

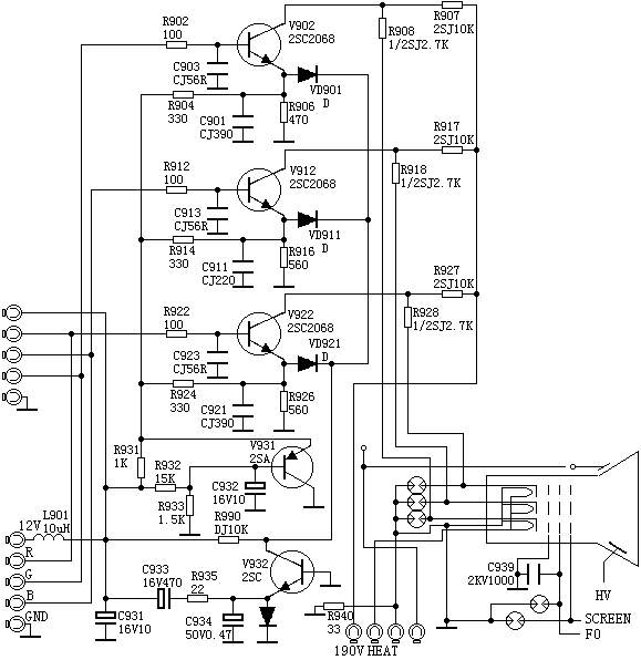
彩电视放分立元件典型应用电路图6

2007-08-13作者:2498评论

其他推荐

  • 三极管的检测方法与经验
  • 电阻器的检测方法与经验
  • 电容器检测方法与经验
  • 彩电视放分立元件典型应用电路图5
  • 彩电视放分立元件典型应用电路图4
  • 彩电视放分立元件典型应用电路图3

网友评论

发表评论

所有评论

目前还没有网友评论

热门资料

  • 1电视液晶屏坏的典型症状判断(多图)
  • 2教你把液晶显示屏改装成液晶电视(图)
  • 3全自动麻将机故障与维修资料(图)
  • 4教你如何查看液晶屏型号(多图)
  • 5液晶电视逻辑板初级原理讲解(图)
  • 6经验分享:教你看波形调失真一目了然(图 )
  • 7液晶显示屏常见不良现象及修复方法(图)
  • 8液晶屏显示工作原理
  • 9液晶电视逻辑板维修方法(图)
关于我们 - 网站帮助 - 广告合作 - 网站声明 - 友情链接 - 网站地图
©2006-2024 www.520101.com All Rights Reserved
浙ICP备12036345号-1