在电子制作中,要使用到许多不同的电子元件。在这一节中,将简单地介绍常用的电子元件。同学们应认识它们,了解它们的作用,记住它们的符号,以便于今后应用这些元件组装出各种实用的、有趣的电子制品。 | |||||||||||||||||||||||||||||||||||||||||||||||||||||||||||||||||||||||||||||||||||||||||||
图3-1 照明灯电路 | |||||||||||||||||||||||||||||||||||||||||||||||||||||||||||||||||||||||||||||||||||||||||||
常用的电阻分两大类。阻值固定的电阻器称为固定电阻器。阻值连续可变的电阻器称为可变电阻器(包括徽调电阻器和电位器)。它们的外形和图形符号见表3一1。 表一 常用电阻器
| |||||||||||||||||||||||||||||||||||||||||||||||||||||||||||||||||||||||||||||||||||||||||||
我们将图3-1电路中的开关换为1个470欧姆的电位器(如图3一2(A))。旋转电位器的转柄,小灯泡的亮度要随着电阻值的大小而改变。电阻值越大,小灯泡越暗。这说明电阻器在电路中可以控制电流的强弱。我们可以参考这个电路制成一个可以调光的玩具小台灯。 | |||||||||||||||||||||||||||||||||||||||||||||||||||||||||||||||||||||||||||||||||||||||||||
图3-2 电阻器和电容器在电路中的作用 | |||||||||||||||||||||||||||||||||||||||||||||||||||||||||||||||||||||||||||||||||||||||||||
电阻器的主要参数有两个: 表二 色环表示法
电容器也可以按其电容量是否可以改变分为固定电容器和可变电容器。(包括微调电容器和可变电容器)若按制作材料划分也可分为瓷介电容器、电解电容器、空气电容器等等。电容器的外形和出形符号如表3-3。
| |||||||||||||||||||||||||||||||||||||||||||||||||||||||||||||||||||||||||||||||||||||||||||
电容器在电路中有什么作用呢?
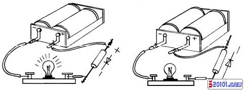
晶体二极管在电路中有什么作用呢? | |||||||||||||||||||||||||||||||||||||||||||||||||||||||||||||||||||||||||||||||||||||||||||
图3 晶体二极管的单向导电性 | |||||||||||||||||||||||||||||||||||||||||||||||||||||||||||||||||||||||||||||||||||||||||||
晶体二极管的参数有两个:
晶体三极管的三个极,分别称为基极(b)、集电极(c)和发射极(e)。发射极上的箭头表示流过三极管的电流方向。可见两类三极管中电流的流向是相反的。
集成电路是60年代后期,随着电子技术的发展而迅速发展起来的。使用集成电路和使用分立元件组装的电路相比,具有元件少、重量轻、体积小、性能好和省电等多项优点。所以电子产品的集成化已成为电子技术发展的必然趋向。本章的电子制作中将使用到集成电路,同学们可以在实践中体会到它的优越性。 | |||||||||||||||||||||||||||||||||||||||||||||||||||||||||||||||||||||||||||||||||||||||||||





















网友评论