用手机访问
概述:LTC6412采用4mmx4mm24引脚QFN封装,在 3.3V电源时仅消耗110mA电流,该器件的增益用正或负斜率的控制电压控制。采用负增益斜率模式时,增益控制斜率在140MHz时约为-32dB/V,控制范围为0.1V至1.1V。
一、LTC6412引脚功能
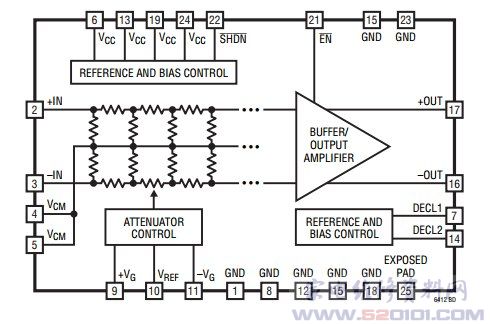
二、LTC6412内部方框图
三、LTC6412典型应用电路
网友评论