1084系列稳压块是一款常用的低压差降压大电流输出集成块,最大输出电流为5A,现已广泛应用在液晶彩电/彩显的主板电路中,如图2所示。

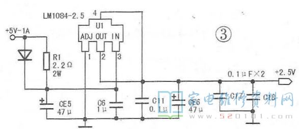
       该系列稳压块的型号非常多,如A1084-XX、G1084-XX、L1084-XX、M1084-XX、LM1084-xx等,后缀数字表示稳压输出的电压值,如"LM1084-2.5”,表示其稳压输出电压为2.5V,其应用电路如图3所示;标有"ADJ"字样者表示输出电压可调,具体值由①脚外接的分压电阻阻值决定,如图4所示,输出电压Vour=1.25VX(1+R2/R1)。

       该系列稳压块的输入输出压差低至1.5V。1084-3.3型IC的输入电压为4.8V~15V,1084-5.0型IC的输入电压为6.5V~20V,1084-12型IC的输入电压为13.5V~25V,1084-ADJ型IC的输入电压可高达29V。

       该系列IC采用TO-220和TO- 263两种封装形式,如图5所示,在液晶彩电中,多采用后一种封装形式。

       提示:在实际维修中,同系列不标输出电压值的和标注输出电压值的可以代换,但应改动①脚外围电路;在输出电压相同的情况下,1084系列可以代换1117系列,但1117系列不能代换1084系列,因1084系列的输出功率大于1117系列。