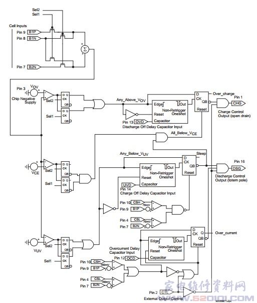
概述:BQ2058T采用16脚SOIC封装。主要用于2-4节锂离子电池组的充放电控制和保护。其中,bq2058T可实现两节锂离子电池的串联;bq2058X可实现三节或四节锂离子电池的串联。极低的工作电流使得电池组在储藏期间不会过放电,也不会增加系统的有效放电负载。在电池组内部,bq2058T/X是低损耗充放电控制和保护系统的一部分。
bq2058T/X控制两只外部MOSFET开关管,从而限制充放电电压和电流,允许在每单节电池电压低于VCE(充足电电压值)时充电。如果其中任何一节电池电压超过VOV(过压门限值)时,充电控制FET关断电池组,停止充电,这个功能将防止电池组内部任何一节电池的过压充电,可保证电池组的充电安全。过压条件发生之后,每一节电池电压必须下降到低于VCE,bq2058T/X才能恢复允许充电。
bq2058T亦可防止电池组过放电,当任何一节电池电压下降到低于VUV(欠压门限值)时,放电控制FET关断,切断电池组的放电回路,这一功能将防止电池内部任何一节电池的过放电。
在放电过程中,当bq2058T/X检测电池组过流放电时,如负载短路等,放电FET也会关断电池组,使电池组停止放电直到短路或过流状态消除为止。
一、BQ2058T主要特点
●单个检测和保护两节串联锂离子电池组,防止过压和欠压;
●检测电池组放电电流,防止过流放电;
●外部元件少;
●与锂离子电池组合设计;
●可驱动外部MOSFET控制开关;
●过压门限值可选择,bq公司对该产品的标准编程值VOV为4.25V;
●典型电源电流为12μA;
●睡眠电流0.7μA;




网友评论