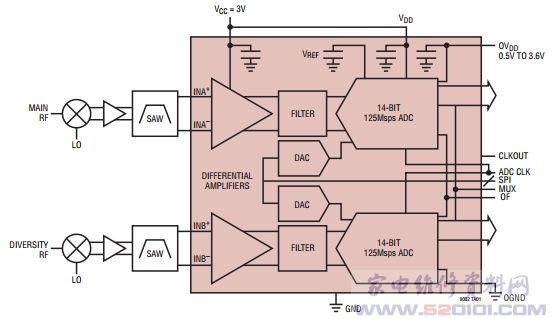
概述:LTM9002采用15mm x 11.25mm LGA 封装,该器件运用一种集成系统级封装(SIP)技术,包括一个双通道高速14位A/D转换器、匹配网络、抗混叠滤波器和两个低噪声、差分放大器。它专为对具有一个高达300MHz中频(IF)的宽动态范围信号进行数字化处理而设计。放大器可提供AC或DC耦合输入驱动。可以实现具有不同带宽的低通或带通滤波器网络。
一、LTM9002功能和特点
集成双通道、14 位、高速 ADC、无源滤波器和固定增益差分放大器
高达 300MHz IF 范围
低通和带通滤波器版本
集成低噪声、低失真放大器
固定增益:8dB、14dB、20dB 或 26dB
50Ω、200Ω 或 400Ω 输入阻抗
集成旁路电容,无需外部元件
在高达 140MHz 输入频率条件下实现了 66dB SNR (LTM9002-AA)
在高达 140MHz 输入频率条件下实现了 76dB SFDR (LTM9002-AA)
用于增益调节的辅助 12 位 DAC
时钟占空比稳定器
单 3V 至 3.3V 电源
低功率:1.3W (每通道为 665mW)
停机和打盹模式




网友评论