在工业自动化控制系统,及仪器仪表、传感器应用中,广泛采用4-20mA电流来传输控制、检测信号。由于4-20mA电流环路抗干扰能力强,线路简单,可用来传输几十甚至几百米长距离的模拟信号,一般经验是,传输距离超过10米,就需要对此电流信号进行隔离,
IDC3516 4-20mA电流环隔离接口芯片
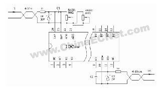
IDC3516系列4-20mA电流环隔离接口芯片是单片两线制隔离接口芯片,该芯片内部包含有一个电流信号调制电路,磁电耦合隔离变换电路及解调电路,通过磁路耦合,使能量从输入线传递到输出侧,同时不需要直接电的连接。 IDC3516非线性度典型值为0.2%,温漂系数为100ppm,适合于绝大多数工业控制、测量场合。该芯片输入信号为4-20mA,经过隔离后输出4-20mA信号。该芯片的输入等效电阻小,线性度高,并具有很宽的输入输出爬电距离,其可承受2500VAC绝缘耐压。图1是IDC3516的内部原理图。其中引脚24为输入电流信号流入端,引脚23为输入电流信号流出端,引脚22、21分别为零点及满度调节电位器接入端,引脚11、10为输出电流流出、流入端。
图1
IDC3516 应用电路
由于将全部功能集成在芯片内部,IDC3516使用非常方便,在实际应用中,只需要外加几支保护和调节用元件。图2所示为IDC3516系列芯片的典型接线原理图,引脚22、23之间连接的电位器RADJ1,用于调节输入电流Ii与输出电流Io的比例,引脚21、22之间连接的可变电阻RADJ2为输出电流Io的偏置调节电阻。D1、D2为限幅稳压管,用于线路浪涌电压,雷击强干扰的保护,F1、F2为自恢复保险,用于线路中过电流的保护。C1、C2是滤波电容,一般可选用1u瓷片电容,可滤除高频差模干扰,减小输入、输出信号脉动成分。
图2
图3

结语
4-20mA电流环隔离接口芯片IDC3516接线电路简单,使用方便,可广泛用于自动控制,仪器仪表,传感器等4-20mA长线传输的工业现场。
网友评论