变容二极管是一种利用半导体二PN结电容随外加反向偏压变化而变化的原理制成的半导体二极管。容二极管通常替代可变电容,应用在调谐器中。只要改变加在变容二极管上的反向偏压,就可改烃调谐器的谐振频率,因此这种调谐器被称为电调谐器。电调谐器业已发展到锁相环频率合成调谐、存储调谐等新一代调谐器,使接收机的调谐方式提高到一个新的水平。
变容二极管等效电路与参数

变容二极管工作在反向偏压下。变容二极管的符号如图1(a)所示。变容二极管的等效电路如图1(b)所示。Cj为结电容,Cj≈Cd,Cd为变容二极管的总电容(包括结电容、外壳电容和其经分布电容)。Rs为变容二极管的等效串联电阻(包括接线电阻、引线电阻及PN结电阻)。Ls为引线电感。变容二极管有四个基本参量,即结电容Cj,电容变化比,串联电阻Rs和击穿电压。复容二极管的结电容随所加负偏压而变化:结电容在零偏压时最大,在临近穿击时最小。变容二极管的典型特性曲线如图1(c)所示,图中Vd为反向偏压,Cd为结电容。变容二极管在零偏压时的结电容与在击穿电压时的结电容之比称为电容变化比。为使间谐频率范围较大,电容电压比应大了。串联电阻Rs会使变容二极管产生损耗,这种损耗越大,变容二极管的质量越差,因此,Rs越小越好。变容二极管击穿电压较高,一般15~90V。
变容二极管主要用于调谐、限幅、开关、倍频等电路,如目前彩电大量使用的电子调谐器中就使用了变容二极管。变容二极管如用于收音机则可解决故障率较高的收音机调谐机构问题。
电调谐回路

由变容二极管组成的基本调谐回路如图2(a)所示。改变外加偏压Vd,即可改变结电容,进而使调谐回路的谐振频率发生变化。变容二极管结电容会随强度变化而变化,其温度系数约为0.03~0.05%/℃,这在要求高的接收机中使用可能会产生失调及频率漂移。因此,将两个变容二极管反相串联后使用(见图2(b)),可使失调降低15~20dB。另外,也可用一个硅二极管与之串联后进行温度补偿,可使温度系数下降至±0.005%/℃的范围内,性能已优于LC调谐回路。

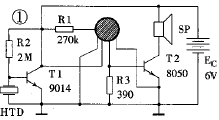
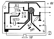
传统的直接检波式收音机的方框图如图3(a)所示。这种收音机中的使用由电感及可变电容组成的LC调谐回路,可变电容使用日久后,在灰尘、静电等因素的影响下,会使调谐电台时经常有“咔唰咔唰”的噪声,令人讨厌。另外,为了直观地指示出收听的频率,还要使用复杂的易出故障的接线机构。用变容二极管来取代LC调谐回路中的可变就能克服以上缺点,而且还具有安装容易、分布参数影响小、容易实现调谐数字化与智能化其优点。采用变容二极管进行调谐的直接检波式收音机方框图如图3(b)所示。电位器W用来改变调谐电压。调谐电压经电阻R后加至变容二极管DC1上。通过改变调谐电压改变DC1的结电容,即可改变调谐频率。R为隔离电阻,防止调谐回路对地或Vcc短路,一般取值为10kΩ~1MΩ。C为隔直电容,一般可取0.01μF~0.47μF。

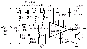
采用变容二极管的简易电调谐中波收音机如图4所示。变容二极管DC1与天线线圈电感L1共同组成输入调谐回路。W1~W4组成频调电位器,由其向变容二极管提供工作偏压。S1~S4为四位互锁式按键开关。调谐回路选出的电台信号经集成电路LM386N内部检波放大后,推动扬声器SP发声。
网友评论