用手机访问
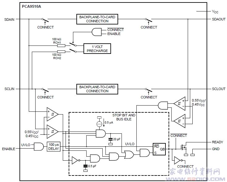
概述:PCA9510ADP是飞利浦半导体公司生产的一款热插拔I2C和SMbus缓冲器。它为双列8脚TSSOP封装形式,工作电压2.7V-5.5V,工作电流3.5mA-6mA。
一、PCA9510ADP引脚排列
二、PCA9510ADP内部方框图
三、PCA9510ADP典型应用电路1.PCA9510A在中继器和总线扩展应用程序使用
2.标准应用电路
网友评论