概述:IDP2301是一款用作于开关电源板中的PFC功率因素校正IC芯片,其引脚功能见表1,典型应用电路见图1、图2所示。
一、IDP2301引脚功能
二、IDP2301典型应用电路
1、PFC功率因素校正电路图
当U1(IDP2301)的⑧脚欠压检测正常后,U1的⑧脚通过内部开关给U1的③脚外围电容CE5充电,当充电达到启动电压18V时,U1内部电路被使能,振荡器产生的PWM信号经栅极驱动器,由U1的①脚输出,经R42、R43/D17,送到开关管Q7的栅级,于是Q7导通,形成一个电流(正弦波电压→L4→Q7→RCS2→地),在L4上产生感应电动势(L4储能)。随着电路工作的进行,通过Q7的电流会逐渐增大,取样电阻RCS2上的压降也会增大。当U1的②脚输入的电压达到典型关断电压0.8V时,过流保护电路会强制PFC振荡器停振,Q7被关断,L4上的感应电动势开始反转(释放能量),其感应电压与220V交流电压叠加,经D14整流、CE1/CE2滤波,得到PFC电压。当L4上的电流降为零时,U1的⑤脚无法从辅助绕组得到电压,即零电流检测比较器的正相输入为低电平、输出为低电平,PWM信号又可由U1的①脚输出,送给Q7的栅极,即PFC电路进入下一个工作周期,电路如此周而复始工作下去。
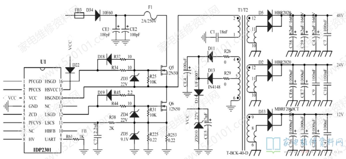
2、DC/DC变换电路
如图2所示,为创维168P-L6J013-00电源的DC/DC变换电路原理图,其中,U1是高效率半桥谐振开关集成电路,T1、T2为脉冲变压器;R225、R253是电流检测电阻;PC1为光电耦合器;U1为具有精密电压基准的稳压集成电路。
当PFC电路正常工作后,半桥谐振(LLC)开关控制电路被激活,U1内部振荡电路在得到正常供电后即开始振荡,振荡产生的信号送往栅极驱动器,经驱动放大的信号分别从U1的16脚、12脚输出,再经由R34、R37/D18和R44、R45/D19,送到Q5、Q6的栅极,于是Q5、Q6、T1/T2、C1等元件组成的半桥功率输出电路对PFC电压进行DC-DC变换,从而得到12V、24V、48V供电。当U1的○16脚输出PWM正脉冲信号(12脚输出负脉冲)时,Q6截止,Q5导通,形成一个电流(BUSS→Q5→T1/T2的②-①绕组→C1→地),脉冲开关变压器T1/T2上的②-①初级绕组通过电流而感应到电动势(为①负②正),T1/T2储能。当IC1的12脚输出PWM正脉冲信号(16脚输出负脉冲),Q5截止,Q6导通,形成一个电流(T1/T2的②脚→Q6→R253→地→C1→T1/T2的①脚),脉冲开关变压器T1/T2释放能量,各次级绕组感应到相应的电动势,经整流滤波,得到12V、24V、48V电压,给恒流板、主板电路供电。
网友评论