声明:此文章摘自摘自<家维大众版>,版权归原作者所有
一、高清彩电电路概述
CRT 高清彩电与普通彩电相比,从外观上仅多出了许多输入插口,其他并无二样。对 于普通彩电而言,仅有 AV 输入/输出和 S 端子输入插孔,而高清彩电除具有上述插孔外, 还有 YCbCr(隔行色差信号输入)、YPbPr(逐行色差信号输入)、VGA 及 DVD 数码流输入等 接口。拆开后壳,从电路板上元器件分布看,除多出一块竖立的电路板外,其他同普通彩电 并无多大差别,且可明确地判断出电源、行扫描、场扫描、伴音功放、视放等电路。图 1 是长虹 CHD29168 彩电(CHD-2 机芯)电路板实物图。
仔细观察后,你会发现多出的插口通过导线与这块竖立的板相连,看来这块板正是高清 彩电区别于普通彩电的重要部件,这块板起什么作用呢?
高清彩电采用 60Hz(或 75Hz)逐行扫描方式,以提高图像清晰度,这有别于普通彩电的
50Hz 隔行扫描方式。由此可见,无论输入的是多少频率的隔行扫描信号,都将变成 60Hz(或
75Hz)的逐行扫描信号,而担当此任务的正是这块竖立的电路板。根据该电路作用常称之为 变频板或数字板,简称 IPQ 板。
提 示: 高清彩电与普通彩电相比,电路结构基本相同,但为了提高清晰度,采用了逐行扫描
方式,故在视频信号处理电路中加入了数字变频电路,旨在将 50Hz 隔行扫描信号转换成
60Hz(或 75Hz)的逐行扫描信号。
由于高清彩电输入的信号种类较多,既有 50Hz 隔行扫描的 TV 全电视信号、AV 视频 信号或 YCbCr 信号,又有逐行扫描的 YPbPr 信号,还有由 VGA 接口输入的模拟 R、G、B
信号,所以数字板应设有相应电路分别针对各类信号的特点进行变换处理,既保证最终信号 格式的统一,又保证行、场扫描同步进行,各类输入信号流程如图 2 所示。从图 2 中不难看 出,数字板的核心任务是数字变频及扫描格式变换。

提 示:
在高清彩电中,TV/AV 信号、Y/C 信号及 Y、Cb、Cr 信号均要通过数字变频处理, 转换为逐行扫描的亮度、色度信号;VGA-R、VGA-G、VGA-B 信号与 YPbPr 信号虽 不进行隔行转逐行处理,但要进行格式识别同步信号分离与 ADC 转换等处理。
为了详细说明 CRT 高清彩电的信号处理过程,下面以长虹 CHD-29168 型彩电为例, 对其单元电路进行分析。
二、单元电路分析
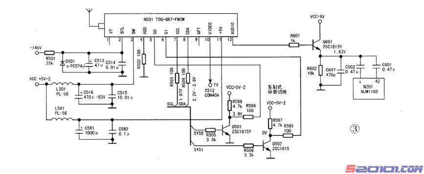
1.高中频电路 在高清彩电中,大多采用集中放于一体的总线控制型高频调谐器,以减少中频信号在
传输过程中所受的干扰,从而提高图像质量。在长虹 CHD-2 机芯高清彩电中,高频调谐 器(N501)的型号为 TDQ—687-FM3W 或 TMT1-C23I1,这两种高频头的引脚功能及外围 电路均相同,如图 3 所示,但控制程序有所不同,故二者不能互换,否则,会出现搜不到台, 无图像故障。
在图 3 中,N501(2)脚为+33V 调谐电压输入端,该电压由主电压+145V 经 R501 降压、 D501 稳压所得。同普通电压合成式高频头一样,+33V 不足将导致收台少;+33V 电压不稳 将出现跑台故障。N501(3)、(11)脚均为+5V 供电端,分别为调谐选择、中频信号和处理 电路供电。这两脚若无+5V 供电,均表现为搜不到台、无图像故障,但(3)脚掉电后,在 自动搜索时,屏上有雪花点出现,而(11)脚掉电后,自动搜索时始终黑屏。[Page]
N501(4)脚为地址识别端,在本机芯彩电中,低电平有效,故通过电阻 R502 接地。
(5)、(6)脚为 BG/DK/I/M 制伴音控制端,受 CPU 控制。接收 PAL D/K 制信号时,
(5)脚为高电平(3.9V),(6)脚为低电平(0V)。
N501(10)脚为 TV 视频信号输出端,其信号经插座 XS12 的“TV"端直接送往数字板;
( 12 )脚 为 TV 音频信号输出端,其信号经 Q601 射随放大后,分别送至音效处理块 NJW1168(N201)的(1)、(42)脚。正常工作时,N501(10)脚电压约为 0.6V,(12)脚电 压约为 2.1V。
提 示: 检修采用总线高频头的彩电时,对于收不到台故障,在供电及调谐电压正常的情况下,
应先进入总线查看高频头的型号选择是否正确(该项常见的英文标识为“Tuner"),然后再查
看 AGC、波段设置、中频等项数据是否正常,最后进行硬件的检测或代换。
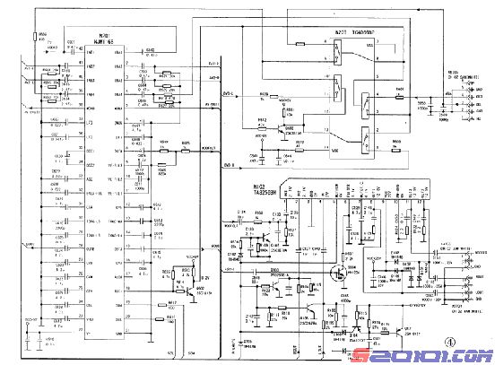
2.音频信号处理电路
该机音频信号处理电路主要由音效处理电路 N201,伴音功放电路。TA8256H(N102)和 音频开关电路 TC4066BP(N203)组成,如图 4 所示。
(1)音效处理
音频处理块 NJW1168(或 NJW1161)内置多路音频信号输入与切换电路,在(19)、(20) 脚输入的总线信号下实现低音扩展、音量、音调、左右声道平衡及环绕声控制。
提 示:
NlW1168 有 42 脚和 48 脚两种封装形式。
TV 音频信号送到 N201(1)、(42)脚;AV1 的 R、L 音频信号送到 N201 的(2)、(41) 脚;AV2 的 R、L 音频信号送到 N201 的(3)、(40)脚;DVD 的两路音频信号与 VGA 的 两路音频信号经电子开关 N203 切换后,送到 N201 的(4)、(39)脚。
电子开关 N203(1)、(11)脚输入 DVD 音频信号,(4)、(8)脚输入 VGA 音频信号, 其切换受 N201 的(18)脚控制。N201 的(18)脚在接收 DVD 信号(YPbPr 或 YCbCr)时电
压为 4.8V,接收其他信号时为 0V,N201 的(18)脚输出的控制信号经 Q602 倒相后一路加
到 N203 的(5)、(6)脚,另一路再经 Q803 倒相后加到 N203 的(12)、(13)脚。当 N201
(5)、(6)、(12)、(13)脚为高电平时,其对应开关接通。
在总线控制下,N201 先对上述输入的音频信号时进行切换选择,选中的音频信号一路 从(5)、(38)脚输出,经缓冲放大后输往 AV 输出口;另一路经 AGC、智能音量、音调、 平衡控制及环绕声、立体声处理后,分别从(15)、(28)脚输出 L、R 音频信号,送往音频 功放电路 N102 进行功率放大;N201(8)脚输出重低音也送往 N102 进行功率放大。
提 示:
1.音效处理块 NJW1168 的(17)、(18)脚为辅助功能端,具体功能由软件设定。在 本机型中,(17)脚未用,而(18)脚为 DVD 与 VGA 音频信号控制端。
2、NJW1168 内部的信号处理电路分 A、B 两个通道。检修时,可采用对照测量两通道 相关引脚的电阻、电压的方法进行判定,也可采用交换输入信号的方法进行判定。
3.若重低音输出异常时,应首先检查 NJW1168(7)、(36)、(37)脚外接的低通滤波 电容是否正常。
(2)音频功放电路
TA8256BH 是一款三通道音频功率放大集成电路,采用单电源供电,可在 10V-30V 间 正常工作,推荐工作电压为 25V。该 IC(1)、(2)、(4)脚为音频信号输入端,与之对应的 输出端为(11)、(12)、(8)脚。[Page]
N102(5)脚为静音控制端,高电平时静音,该脚外接静音控制电路。其中,D105 正 端接 CPU 静音控制端;D105 负端直接与 N102(5)脚相连,又与 L、R、WOOF 输入旁路 电路 (分别由三极管 Q105、Q103、Q102 及其外围元件组成)输入端相连,还与开/关机静 噪电路相连。
Q171、Q104、D103、D171 等元件组成开/关机静噪电路。
开机时,+8V 电压一路直接加到 Q171 的 e 极,一路经 R116 给 C141 充电,由于 C141 两端电压不能突变,Q171 b 极电位逐渐升高,在此过程中,Q171 导通,二极管 D171 导通, N102(5)脚呈高电平;同时,Q102、Q103、Q105 因 b 极为高电平饱和导通,N102 的音 频输入端(1)、(2)、(4)脚被交流接地,整机处于静音状态;关机时,+8V 电压消失,C141 对外放电,Q104 导通,D103 导通,D105 负端呈高电位,整机处于静音状态。
N102(6)脚为脉动滤波端,正常工作时,该脚电压约为 9V。该脚外接带阻三极管 Q604。
Q604 基极通过电容 C648 与+5V—1 供电端相连。+5V-1 为遥控接收、存储器、复位电路、 微处理器等电路的供电电压,若该电压纹波系数过大,易导致整机工作失常。若+5V—1 电 源的纹波系数较大时,Q604 导通,N102(6)脚电压下降,扬声器中会发出“嗡嗡”的交 流声;若纹波系数过大时,Q604 饱和导通,扬声器中无声。
N102(7)脚为静音开关端,外接电容 C139,选择合适的容量值可消除加电瞬间扬声
器中发出的交流冲击声。 提 示:
N102 的功放输出端(8)、(12)脚分别接有钳位二极管 D106、D108 和 D107、D109,其 目的是防止高频干扰损坏扬声器或功放块。检修屡损伴音功放块故障时,需检查或代换这 些钳位二极管。
3.扫描电路
(1)同步信号的产生 由于高清彩电采用逐行扫描方式,因此用于扫描小信号形成电路及字符定位的行、场
同步信号,不能直接采用从输入的全电视信号中分离出的行、场同步信号,而是从变频处理 后的信号中提取,这一点与普通彩电较大不同。
该机行场扫描电路框图如图 5 所示。
TV 、 AV 全电视信号及 YCbCr 信号输 入到数字上的多制式视频解码器 SAA7119A(U500),同步分离后产生行场同步脉冲(HS、VS),分别从(91)、(70)脚输出,送 至视频处理电路 HTV118(U301)的(70)、(69)脚。HS、VS 信号进入 U301 后,一方面对变频 电路进行同步控制,另一方面触发 U301 内部定时发生器的振荡,使其振荡出 60Hz(或 75Hz) 的场频同步脉冲和 33.75kHz 的行频同步脉冲,分别从 U301 的(47)、(46)脚输出,送往行、 场小信号形成及显示信号处理电路 TDA9332(U602)的(24)、(23)脚。
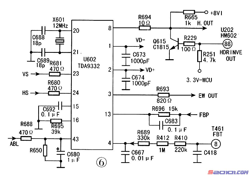
(2)行、场扫描小信号形成电路
本机的行场小信号形成均由 TDA9332 相关引脚的内外电路完成,如图 6 所示。U602 的(20)、(21)脚内部电路与外接晶振 X601 及移相电容 C688、C689 共同构成 12MHz 时钟信 号振荡电路。该电路产生的振荡信号经分频后作为行频触发脉冲,一路送往 AFC 电路;一 路送往 APC 电路;还有一路送往可控分频电路,在总线控制下,进行二次分频,得到所需 频率的场频触发脉冲。U602 内部产生的行频触发脉冲一路进入 AFC 电路中,与(24)脚输入 的行同步信号(HS)相比较,其误差电压用于控制 12MHz 振荡器的振荡频率,使之分频所得 的行频触发脉冲与 HS 信号频率相同;另一路进入 APC 电路,与(13)脚输入的行逆程脉冲信 号进行相位比较,其误差电压用以控制(8)脚输出的行激励信号的相位,以保证行中心位置 的准确。[Page]
U602 内部产生的场频触发脉冲,先进入场同步电路与(23)脚输入的场同步信号(VS)相
比较,得到与之同步的场频触发脉冲,然后进入锯齿波形成电路。锯齿波形成电路由 U602 的(15)、(16)脚内外电路组成,(15)脚外接锯齿波形成电容 C692,(16)脚外接 C692 放电电阻 R695。在场频触发脉冲的作用下,C692 进行充、放电动作,从而形成场频锯齿波,一路经 过放大和几何失真校正处理后,分别从(1)、(2)脚输出极性相反的场频锯齿波信号,送往场 输出电路;另一路进入内部的东西枕校信号形成电路,经行频信号调制后,形成场频抛物波 信号,从(3)脚输出,送往枕形失真校正电路。
提示
若 TDA9332 总线控制端(10)、(11)脚电压异常,振荡电路停振,整机不工作。因此, 在本机芯彩电的总线负载中,除 TDA9332 不能断开外,其余负载可断开后开机检测。
U602(4)脚为高压稳定检测输入端。该脚通过电阻 R698、R412、R410 与行变 T461(8) 脚(ABL 端)相连,其电压正比于阳极高压,反比于束电流大小。若束电流变化引起高压不稳 而导致光栅幅度变化时,(4)脚电压必将发生变化,在 U602 内部枕校及自动幅度校正电路的 作用下,使图像行、场幅保持稳定。
提示
正常工作时,U602(4)脚电压约为 1.4V。若(4)脚外围电阻断路,会出现光栅幅度随 亮度变化的故障。
(3)行软启动电路 由于高清彩电行频较高,若行激励脉冲幅度不足或波形异常,极易导致行管损坏,所
以要求行激励信号传输电路既要保证信号的幅度正常,又要避免波形的畸变。为了做到这一 点,在高清彩电的行电路中增设了一些电路,行软启动电路就是其中之一。
在开机瞬间,因元器件工作状态尚未稳定,则行激励信号必然存在非线性失真,为避 免在此期间损坏行管,特设有行软启动电路。本机的行软启动电路由微处理器 HM602(U202)
(88)脚内部电路及 Q615、R229、R251 组成。开机瞬间,U202 的(88)脚输出高电平, Q615 饱和导通,行激励信号被 Q615 c-e 结旁路到地,行输出电路停止工作;一段时间后, 电路状态已稳定,U202 的(8)脚输出低电平,Q615 截止,不影响行激励脉冲的输出。
提示 检查开机瞬间不定时烧行管故障时,除检查行供电外,还应检查行软启动电路是否正常。
(4)场扫描电路 在高清彩电中,在保证图像清晰度较高的同时,要求图像几何线性失真尽可能小。因此,
高清彩电的场功放多采用无电容隔直的直流耦合方式—OCL 电路或 BTL 电路。 本机场输出块采用三洋公司生产的 LA7846N(N301),并采用 OCL 电路输出方式,其电
路如图 7 所示。LA7846N 最大电流为 3.0Ap-p,最高供电为 40V。

正常工作时,N301(5)、
(6)(同、反相输入端)电压 应相等(约为 0.6V),否则 会出现卷边故障,甚至出 现切颈现象;N301 输出端
( 3 )脚 的 直流电 压应 为
0V,若不等于 0V,应立即 切断电源或断开场偏转线 圈进行检查,以防切颈。
提 示:
当光栅呈彩虹雾状时,应立即关机,首先检查 LA7846N 引脚是否虚焊,R308 是否正常, 再断开场偏转线圈并调低帘栅电压,测量-16V 电压是否正常。
(5)行扫描电路 该机行扫描电路结构与普通彩电基本相同,但元器件选择及局部电路有所不同,下面仅[Page]
针对不同之处加以介绍。
1)行激励电路 由于高清彩电的行频较高,为了保证行输出管可靠地导通与截止,故对 行激励电路的要求较高。如图 8 所示,TDA9332(8)脚输出的行激励信号(HD)经 R421、 C427 及 R424 加到激励管 Q401 的基极。Q401 b 极对地接有 D420、R422。显然,R424 为 限流电阻,R422 为基极偏置电阻,这在普通彩电中也具有,但 R421、C427 的作用是什么 呢?这两个元件的作用是改善行激励管的瞬态状态特性,让行激励管迅速进入正常状态。在 本电路中,利用电容 C427 两端电压不能突变这一特点,让行激励脉冲的前后沿更加陡峭, 更有利于 Q401 的饱和与截止,故 C427 又称为加速电容。
网友评论