
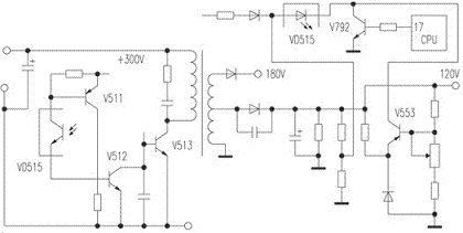
通电后,灯泡很亮,几秒钟后灯泡熄灭,分析是电源输出电压过高造成保护,稳压电路还存在故障。断电测量开关电源稳压电路,发现V511、V553均损坏,更换V511、V553后,再通电试机并检测+B电压,+B电压降到118V,灯泡亮度也随之变暗,但几秒钟后灯泡熄灭,再次关机。为什么+B电压恢复正常后还自动关机呢?分析是待机控制电路有故障,待机控制电路是由CPU{17}脚通过V792、光耦VD515以及稳压环路组成,输出电压正常,说明稳压环路正常,故障在待机控制电路。检查待机控制电路,发现CPU脚电压不随遥控开关机操作变化,说明CPU电路还存在故障。
检查CPU的工作条件,正常;操作遥控器时遥控信号输入端也有相应的电压变化,判断是CPU损坏。按同型号更换CPU后,开/关机恢复正常。根据该CPU商家提供的资料,更换CPU后应进行初始化:首先转换到TV模式,然后按住遥控器上的S键3秒钟以上,直到屏幕上显示“SP--”,再按遥控器上的00(电视机启动时为待机状态)或01(电视机启动时直接进入开机状态),输入密码后,在屏幕显示字符消失前按电视机操作面板上的M键存储数据。至此故障排除。
网友评论