您好,欢迎您访问家电维修资料网
登陆
免费注册
实用工具
手机版
用手机访问
首页
维修资料
彩电维修资料
彩电总线调整
维修基础
电子线路
电子制作
空调制冷
家用电器维修
音响功放
卫星有线
VCD、DVD
通讯设备
办公设备
数码摄录
计算机设备维修
软件下载
培训教材
电路图纸
长虹彩电图纸
康佳彩电图纸
TCL彩电图纸
海尔彩电图纸
创维彩电图纸
海信彩电图纸
其他彩电图纸
合资彩电图纸
LG彩电图纸
松下彩电图纸
三星彩电图纸
索尼彩电图纸
东芝彩电图纸
夏普彩电图纸
飞利浦彩电图纸
DVD功放图纸
家用电器图纸
数码相机图纸
显示器图纸
维修工具图纸
数据下载
长虹彩电数据
康佳彩电数据
TCL彩电数据
海尔彩电数据
创维彩电数据
海信彩电数据
其他彩电数据
合资彩电数据
厦华彩电数据
DVD机顶盒数据
说明书
彩电说明书
显示器说明书
家用电器说明书
遥控器说明书
影音系统说明书
视频
彩电维修
空调制冷
电脑软件
办公设备
显示器维修
电子线路
维修基础
电工技术
通讯维修
DVD维修
生活电器
仪器仪表
其他技能
电子制作
搜 索
首页
计算机设备维修
显示器维修
正文
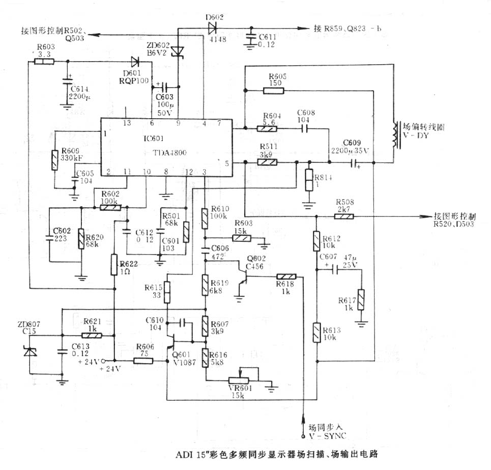
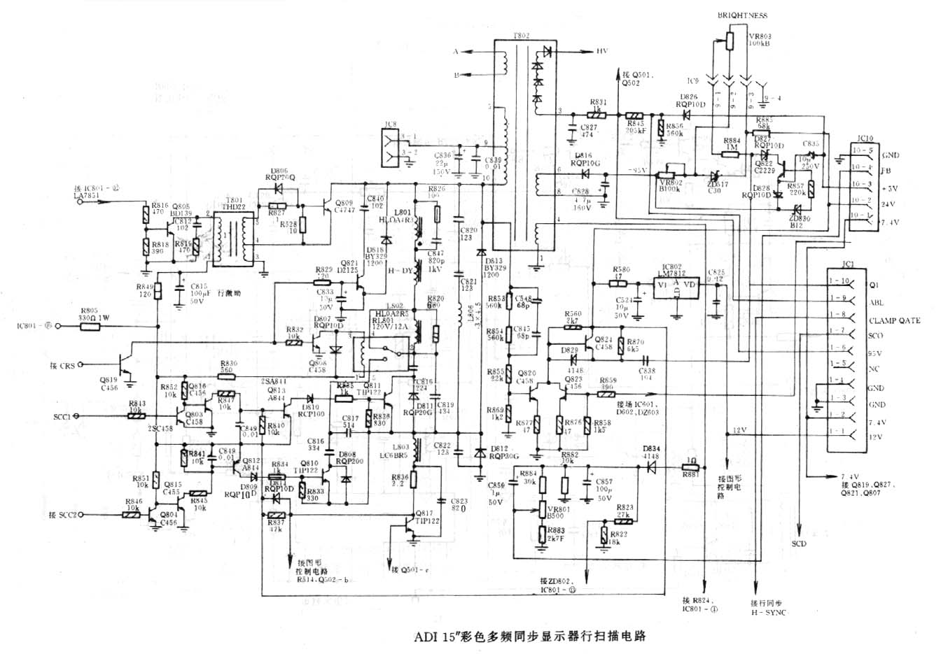
[组图]ADI 15显示器
2007-08-16
作者:
1607
评论
行扫描
行扫描
场扫描
控制电路
其他推荐
[图文]三星510B彩显开关电源剖析原理图
CRT画面不正常揭密
显像管的选用与代换经验介绍
[图文]AOC 769 17显示器
[图文]AOC S569 15显示器
一台17`纯平WEYI显示器的修理过程!~
网友评论
发表评论
所有评论
目前还没有网友评论
提交
热门资料
1
常用液晶屏排线类型对照(图)
2
液晶显示器常用开关电源管理芯片介绍及维修
3
冠捷915SW+液晶显示器故障2例和OB2269CP资料
4
联想液晶显示器电源板损坏修复过程
5
三星943NW液晶显示器的几个通病
6
三种修复液晶显示屏坏点的方法
7
科沃斯TBD71扫地机器人不能自动返回充电的故障维修
8
图解更换LED液晶显示器背光灯灯条的过程
9
液晶屏易损芯片及引起的故障现象分析
网友评论