S1D2503X01是由I2C控制的带宽为200MHz的三通道宽带视频放大器。它可以支持的最高分辨率为1600X1200,还具有屏显接口,广泛应用于高分辨率的彩显中。内设有三通道宽带视频放大器、亮度控制、主/副对比度控制、屏显消隐、视频钳位、自动束电流限定等电路。典型工作电压:VCC1=12V,VCC2=12V,VDD=5V。
1. 引脚功能
表167 S1D2503X01引脚功能
脚号 | 脚名 | 功能 | 脚号 | 脚名 | 功能 |
1 | ROSD | 红屏显信号输入 | 17 | DTEST | DAC测试 |
2 | GOSD | 绿屏显信号输入 | 18 | INT | OSD亮度控制输入 |
3 | BOSD | 屏蓝显信号输入 | 19 | BCT | 蓝截止控制 |
4 | VI/OSD-SW | 视频/OSD切换开关 | 20 | GCT | 绿截止控制 |
5 | R IN | 红视频信号输入 | 21 | RCT | 红截止控制 |
6 | VCC1 | 电源1 | 22 | CLP | 钳位脉冲输入 |
7 | GND1 | 地1 | 23 | BLK | 消隐脉冲输入 |
8 | G IN | 绿视频信号输入 | 24 | B CLP | 蓝通道钳位电容器 |
9 | VDD | 电源(数字电路部分) | 25 | B OUT | 蓝视频信号输出 |
10 | B IN | 蓝视频信号输入 | 26 | GND2 | 地2 |
11 | VSS | 地(逻辑电路部分) | 27 | VCC2 | 电源2 |
12 | ABL | 自动束电流限定 | 28 | G OUT | 绿视频信号输出 |
13 | SCL | 串行时钟脉冲输入 | 29 | G CLP | 绿通道钳位电容器 |
14 | SDA | 串行数据脉冲输入 | 30 | R OUT | 红视频信号输出 |
15 | C1 | 对比度控制电容器 | 31 | R CLP | 红通道钳位电容器 |
16 | - | - | 32 | B/U | 亮度均匀性控制输入 |
2. 内部框图

图264 S1D2503X01方框图
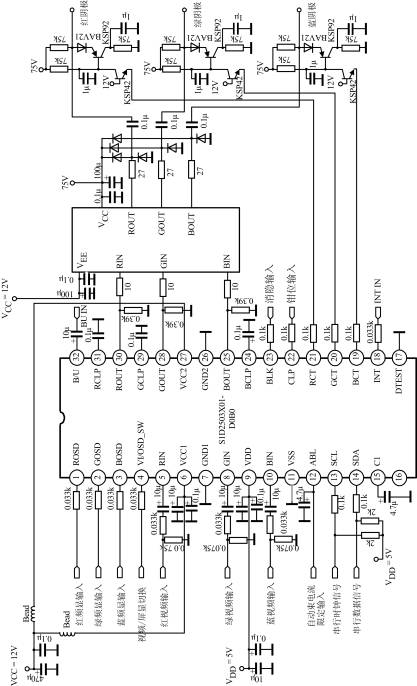
3. 典型应用

图265 S1D2503X01典型应用电路
网友评论