您好,欢迎您访问家电维修资料网
登陆
免费注册
实用工具
手机版
用手机访问
首页
维修资料
彩电维修资料
彩电总线调整
维修基础
电子线路
电子制作
空调制冷
家用电器维修
音响功放
卫星有线
VCD、DVD
通讯设备
办公设备
数码摄录
计算机设备维修
软件下载
培训教材
电路图纸
长虹彩电图纸
康佳彩电图纸
TCL彩电图纸
海尔彩电图纸
创维彩电图纸
海信彩电图纸
其他彩电图纸
合资彩电图纸
LG彩电图纸
松下彩电图纸
三星彩电图纸
索尼彩电图纸
东芝彩电图纸
夏普彩电图纸
飞利浦彩电图纸
DVD功放图纸
家用电器图纸
数码相机图纸
显示器图纸
维修工具图纸
数据下载
长虹彩电数据
康佳彩电数据
TCL彩电数据
海尔彩电数据
创维彩电数据
海信彩电数据
其他彩电数据
合资彩电数据
厦华彩电数据
DVD机顶盒数据
说明书
彩电说明书
显示器说明书
家用电器说明书
遥控器说明书
影音系统说明书
视频
彩电维修
空调制冷
电脑软件
办公设备
显示器维修
电子线路
维修基础
电工技术
通讯维修
DVD维修
生活电器
仪器仪表
其他技能
电子制作
搜 索
首页
图纸下载
其他彩电图纸下载
文件
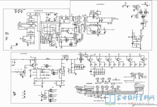
熊猫LE32F21液晶电视三合一板(TP.VST59.P83)电路图
上传时间:2019-05-25
文件大小:282KB
文件类型:附件下载
文件分类:其他彩电图纸下载
文件编号:2315263508
下载次数:776
下载权限:免费
本地下载
下载介绍
下载地址
熊猫LE32F21液晶电视三合一板(TP.VST59.P83)电路图
无法下载?
点击下载 -- 文件
这篇资料对我有帮助
其他推荐
熊猫液晶MIP320G-A电源板电路图
NT39538H-C1260 COF飞线图点位图
乐视Letv 5X Air液晶电视电源板电路图
熊猫L26M02液晶电源板(TV2601-ZC02-01 sch
熊猫L26M02液晶电视电路图
先锋LED-40V600液晶电视电源板(715G4581-P02
网友评论
发表评论
所有评论
目前还没有网友评论
提交
热门下载
1
熊猫C64P88彩电图纸
2
熊猫3625彩电图纸
3
组装机LC863524B-53P4(LA76810)彩电电路图
4
金星C4717彩电原理图
5
金星D2537/D2533/D2530/D2528/D2518B/D2505B彩电原理图
6
乐华S29B2彩电原理图
7
金星C6430彩电原理图
8
SVA系列(通用)彩电原理图两份
9
牡丹CH2504A CH2506A(TDA8361)彩电原理图
网友评论