您好,欢迎您访问家电维修资料网
登陆
免费注册
实用工具
手机版
用手机访问
首页
维修资料
彩电维修资料
彩电总线调整
维修基础
电子线路
电子制作
空调制冷
家用电器维修
音响功放
卫星有线
VCD、DVD
通讯设备
办公设备
数码摄录
计算机设备维修
软件下载
培训教材
电路图纸
长虹彩电图纸
康佳彩电图纸
TCL彩电图纸
海尔彩电图纸
创维彩电图纸
海信彩电图纸
其他彩电图纸
合资彩电图纸
LG彩电图纸
松下彩电图纸
三星彩电图纸
索尼彩电图纸
东芝彩电图纸
夏普彩电图纸
飞利浦彩电图纸
DVD功放图纸
家用电器图纸
数码相机图纸
显示器图纸
维修工具图纸
数据下载
长虹彩电数据
康佳彩电数据
TCL彩电数据
海尔彩电数据
创维彩电数据
海信彩电数据
其他彩电数据
合资彩电数据
厦华彩电数据
DVD机顶盒数据
说明书
彩电说明书
显示器说明书
家用电器说明书
遥控器说明书
影音系统说明书
视频
彩电维修
空调制冷
电脑软件
办公设备
显示器维修
电子线路
维修基础
电工技术
通讯维修
DVD维修
生活电器
仪器仪表
其他技能
电子制作
搜 索
首页
图纸下载
飞利浦彩电图纸下载
文件
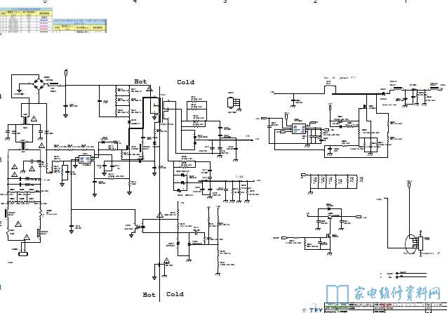
飞利浦32PHF5361/T3液晶电视电路原理图
上传时间:2021-10-20
文件大小:705KB
文件类型:附件下载
文件分类:飞利浦彩电图纸下载
文件编号:1136144314
下载次数:383
下载权限:免费
本地下载
下载介绍
下载地址
飞利浦32PHF5361/T3液晶电视电路原理图
无法下载?
点击下载 -- 文件
这篇资料对我有帮助
其他推荐
飞利浦715G9979 Hi3751V810主板电路原理图
飞利浦42PFL5609/93电源板电路原理图
飞利浦40-IP42CS-PWH1XG电源板电路原理图
飞利浦715G8525-C01-000-004Y主板电路原理图
飞利浦采用715G6607-P02-001-002M电源板电路原
飞利浦42PFL6609/93电源板电路原理图
网友评论
发表评论
所有评论
目前还没有网友评论
提交
热门下载
1
飞利浦TVC12 TVC14 TVC15彩电图纸
2
飞利浦MG21 31 32彩电图纸
3
飞利浦L61 L62 L72彩电图纸
4
飞利浦55PUF6052-T3液晶电视MSD6A638-T8F1(55C2U)维修手册
5
飞利浦EM2 EM3 EM5彩电图纸
6
飞利浦G110彩电图纸
7
飞利浦TVVCR彩电图纸
8
飞利浦MG71彩电图纸
9
飞利浦L011彩电图纸
网友评论