• 关于430机删除单组转发器节目的小窍门

    进入菜单--->接收节目--->扫描选项--->频道类型改为"收音节目"----->OK退回扫描选项--->扫描卫星----->单频扫描------->输入想要删除的频率.符码和极化--->OK扫描(如该组没有收音节目则无任何节目单)不要管它...

       2006-08-06

  • 本次MAP仿真注解:

    春节期间,我没有迈出家门一步,跟疯了似的,粘在计算机前。编完程序后的详细测试,又耗掉了我仅剩的精力。昨天发表帖子后倒头就睡,对我所做的事没有作必要的介绍,导致一些星友可能不明白这是怎么一回事。今天补上注解。 这次完成的MAP几个主要函数的仿真,意义很大(就不多说了),但难度也非...

       2006-08-06

  • 浅谈关于在偏馈天线上C/Ku复合头的使用

    随着高功率大容量通信卫星的不断升空,其中配有C/Ku波段转发器的卫星也不断增多,使C/Ku复合头的应用越来越广泛。但市场上C/Ku复合头的价格居高不下,作为烧友的我也囊中羞涩。也看过不少烧友自制C/Ku复合头成功接收的事例,但使用的是1.5米...

       2006-08-06

  • 花费3元DIY的138+146双星夹具

    我diy的138+146双星夹具,花费3元,价廉物美,制作方便 工具和材料: 1、电脑插槽挡板1个 2、4mm螺丝螺母3颗 3、抱箍1个 4、手枪钻 5、4mm钻头 制作过程: 1、用手枪钻在电...

       2006-08-06

  • 关于雷霆430XP冷机无信号的问题解决

    雷霆430XP接收中使用DiSEqC开关,用于多星接收时,经常听到朋友们说开关无法切换。最近,天气转冷,此问题越发严重。刚开机显示无信号,必须将机子预热几分钟才有正常的信号。这几天,连我自己的机子也是如此,忍无可忍。本人自己又是搞家电维修的,决定打开机子检查一下。 根据故障现象...

       2006-08-06

  • 摩尽航科/雷霆430Xp (一)

    摩尽航科/雷霆430Xp(一) 当今卫视市场难找性能与之匹敌的机子,过多赞430机的华丽词藻自不用说了,单说哪百看不厌的墨绿面版以及下载节目可自动识别加密系统、纠错方式这两项,430机子都会是卫视玩家的不二至爱。有好的骨架才能练就武功。430xp采用美国LSI-LO...

       2006-08-06

  • 自制APOLLO+MEGA8二合一编程器

    虽然是自制的,但使用时和正规的没有区别. 友情提醒:没有电子基础的烧友请勿仿制 附图2张: ...

       2006-08-06

  • 430机遥控器小障碍成功修复记

    我的430机遥控器小障碍成功修复记 笔者心爱的430机,用了已不少年头,门限较低,换台也快,实在是一款百里挑一的好机子。但是苦恼的却是该机的原配遥控器近些日子不灵了,有些键比如数字键还可以,能正常使用,但是比如频道上下键,音量加减键,却怎么按都没有任何反应了。没有办法,只好再买一个。买原配...

       2006-08-06

  • 自己动手用不锈刚皮的茶桶盖子做天线

    此锅盖是用来盖不锈钢茶桶用的,外径50公分,不加工平面随原样来收节目(可惜我没数码相机不能上传此照),支架用风扇底座与管子、钢筋来做,高频头的聚焦点(焦距)大约为55.5~55.8公分之间为最好,支架与底座的连接处用两片4毫米厚的扁铁中间钻孔合在一起,用来调整仰角用,下午能收下的节目有: ...

       2006-08-06

  • 常用卫星接收机盲扫设置

    (1)金泰克(好日子)D8000:调出主菜单,进入“默认设置”一项,选择“默认语言”为:中文,按“确认”键。此时画面出现提示文字:“输入密码!”此时按遥控器上的数字键5678,则在“节目设置”一项的子菜单中多出“网络设置”和“设置”两栏,进入“设置”一栏,按照相应的参数设置,再按“确认”键...

       2006-08-06

  • 给146的HBO加字幕

    第一步:到华军软件园下载subviewer3的软件,下载安装好 第二步:到相关网站找到HBO的节目表 第三步:到射手网www.shooter.com.cn搜索相应节目的字幕表,并保存第四步:设置软件,具体如下:启动subviewer程序,在2处选择play&nb...

       2006-08-06

  • N2机出现不能进菜单的解决方法

    已经遇上两台了。开机会出现:TestFTXTHUNDERBOLTV1.30C410SATEL Application:1.9.42 Leftkey->E...

       2006-08-06

  • 寻星札记三篇

    卫视接收话馈线 在卫星电视接收设备中,馈线(同轴电缆)起着承上启下的作用,它把卫星接收系统的室外部分和室内部分连接在一起。馈线一方面把接收机输出的直流电压传送至高频头,为...

       2006-08-06

  • 看看有这种天线

    平板天线,配上USB接收机+Fenrir等插件 ...

       2006-08-06

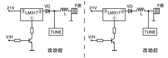
  • 部分同洲3188C-S1数字机收不到Ku信号的解决

    部分2004年产同洲牌CDVB-3188C-S1接收机的门限指标较其它机型明显偏高,在本地收亚3S卫星需配1.8米以上天线。此外,该机也接收不到Ku波段信号。 前不久在检修该型接收机时,发现解压板F座信号线串接了一只带有磁芯的电感,可以明显看出信号线原...

       2006-08-06

  • 正在享用雷霆HKC专机的烧友请注意

    各位烧友请注意:正雷霆的HKC专机希望大家买回去以后不要自行拆开机盖搞里面的硬件部份!一搞了的话,很容易就出现这串英文的!显示: TestFTXTHUNDERBOLTV1.30C410SATEL Applicati...

       2006-08-06

  • 阳台架大锅收138C

    为了看138的那四个台 把窗户全挡了 好在位置好,不用螺丝就固定好了 ...

       2006-08-06

  • 自制C/KU复合头的一些技巧

    看到不少烧友发的自制C/KU复合头的一些方法和图片,手痒也做一个.现把制作中间的一些技巧写下来给大家一个参考.用市场上普通的普丝头不用锯,现在的头质量做工很一般,只要一把螺丝刀从下面用力桶就可以把顶盖顶裂,然后用钳子夹下就可以了.另外KU头不要往C头上插的太深,一点就可以了,KU头的焦点很...

       2006-08-06

  • 谈谈430XP中的RS232串口电路

    图片文章 ...

       2006-08-06

  • 壹圆搞定

    图片介绍 ...

       2006-08-06