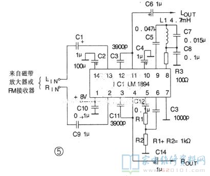
一款用于音频系统的立体声动态降噪电路,其核心Icl采用专用动态降噪集成电路LM1894,具有适用范围宽、外围元件少、瞬态响应好、失真度低、降噪效果明显的优点。动态降噪系统是非互补性的,它不需要编码源,即不需要在信号录制时进行预处理,适用于所有磁带放音系统和FM广播接收系统等。
动态降噪电路实质是一个可变带宽低通滤波器,它根据信号电平的大小,在1-30kHz的范围内自动调节频带带宽,从而达到降噪目的。电路输入阻抗26k,电压增益0dB,最小带宽965Hz,最大带宽34kHz,有效降噪效果10dB,通道分离度70dB,电源电压范围+(4.5~18)v。实际使用中,该电路应置于音调和音量控制电路之前。Rl、R2是灵敏度电阻,用以调整噪声阈值,实际调试时,可放送一盘空白磁带,调整R1、R2,使磁带本底噪音刚被衰减至不明显即可。应注意,R1+R2的总阻值应为1k,调整时,可先用1k电位器代替Rl和R2,调好后再换成固定电阻。
网友评论