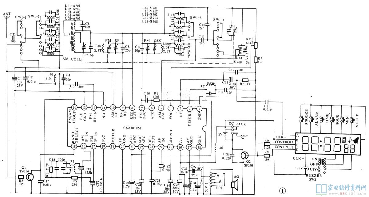
下图是一款迪桑R-737型多功能七波段钟控收音机电原理图;由图1可知,该机电路主要由钟控与收音两部分组成。其钟控部分的核心是一块类似电子表芯的厚膜电路,受功能开关SW2与SNOOZE(蜂鸣闹 醒,在设定时刻自动发出蜂鸣声代替闹钟功能)、ALARM、TIME、HOUR、MIN等功能按键的控制。该电路板与主板之间由五根导线连接,其中有四根线用排线方式连接于主板A、B、C、D四点(参考图1),图中C、D端输出的钟控信号控制电子开关管Q2(有的收音机标注D2)的工作状态,即当Q2处于饱和导通状态时,收旨主电路处于工作状态;Q2处于截止状态时,收音主电路因断电而停止工作。
一、电路原理
该机收音电路是由索尼公司生产的单片FM/AM专用集成块CXA1019M与外围元件组成的。其中CXA1019M的内部框图及其极限参数与电参数分别如图2、表1、表2所示。其工作原理叙述如下。
1、调频(FM)部分
当波段开关sw1置于左侧“FM”挡时,由天线接收的高频信号经由L06、C4、c5组成的87~108MHz带通滤波器输入到Ic(CXA1019M)12脚内部FM高频处理电路,该电路是由高频放大器、本振电路和变频电路等组成,IC⑨脚外接FM高放调谐线圈,IC脚外接FM本振线路,其本振频率高于外来接收信号频率的10.7MHz,由12脚输入的高频信号经IC高频放大后与本振电路产生的本振信号一起送到FM混频电路,产生FM中频信号分两路输出,一路送到AM高频电路产生低电平频段控制电压由⑩脚输出去控制Q1(或D1)使其截止,则IC 15脚呈高电平使其内部AM/FM电子开关工作于FM状态;另一路由14脚输出经CF2(10.7MHz)选频网络输入到IC 17脚内部由六级电容耦合差动放大器构成的FM中频放大电路,经放大的中频信号送到FM鉴频器,IC②脚外接FM鉴频回路90度移相调整元件T2,通过调节T2磁芯位置可改变10.7MHz中频在s鉴频曲线上位置,获得90度相移信号;鉴频电路输出的音频信号由23脚输出并经C22耦合送到24脚内部音频功率放大电路,经IC③脚负反馈信号与④脚音量控制电压作用下由27脚输出音频信号去驱动扬声器发声。
2、调幅(AM)部分
当波段开关SW1置于右边某一位置时,电磁波信号经磁棒天线L15和可变电容器组成选频调谐电路选出某一中心频率的高频信号送到IC⑩脚内部由AM高频放大器、本振电路及变频电路组成的AM高频电路,IC⑤脚外接AM本振回路,其振荡频率高于调谐回路的高频谐振频率465kHz;本振回路产生副载波信号与⑩脚输入的高频信号在变频电路中产生固定中频信号从14脚输出,经T1、CF1(455kHz)选频电路选出中频信号由16脚输入到AM中频放大电路,该电路在中放AGc电路作用下将中频信号放大,并送往检波电路进行检波,检波后的音频信号由23脚输出并送到24脚内部音频功率放大电路,经音量控制后由27脚输出音频信号去激励扬声器发声。
该机电路关键点A、B、c、D及集成块CXA1019M正常工作参数分别如表3、表4所示。

网友评论