1、放音时,L声道声音轻,R声道正常;收音时两声道声音均正常。
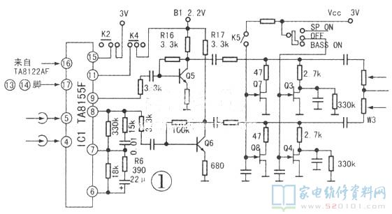
分析与检修:因收音两声道音量均正常,说明收、放音共用的低频放大电路正常,故障在放音前置放大电路ICl(TA8155F)及磁头。先检查放音磁头位置是否歪斜,因磁头位置不正确会引起左、右声道磁隙磨损不一致,经查磁头正常。交换左、右声道磁头引线输入到前置均衡放大电路ICl,仍是左声道声轻.右声道正常,表明故障不在磁头,而在IC1及外围电路。测IC1各脚电压基本正常.检查其外围元件无问题.判定集成块TA8155F内左声道放大器受损,使左声道放大器增益降低,需更换集成电路。但TA8155F不易买到,于是考虑对其进行应急修理。见图1,TA8155F⑦⑧脚外接低频补偿元件.若改变补偿元件的参数.就可能提高放大器的增益。试在R6两端并电阻.发现左声道声音变大,经反复调试,最后用一个270Ω的电阻并上后,L声道声音增大到与R声道的声音大小基本相同.故障排除。
2、收音、磁带放音均无声。
分析与检修:电源指示灯、工作状态指示灯正常亮,说明电源供电无问题,故障在收音、放音共用电路。采用干扰法检查,干扰耳机驱动电路IC2(TA7688F)音频信号输入端①、16脚,扬声器均有较大的“喀喀”声.表明。IC2及之后功放电路正常。但干扰前置放大电路IC1(TA8155F)L、R音频信号输出端⑧⑨脚无声,从而判断故障在中间放大级、静音电路,参见图1。

前置放大集成电路IC1⑧⑨脚输出的L、R音频信号,分别经Q5、Q6所组成的低频放大器(又称中间放大级)放大后,送音量电位器W3,经音量调节后送Ic2①、16脚。场效应管Q7、Q8(型号为xK)为静音控制管,Q3、Q4及漏极所接的电阻、电容等组成音调补偿电路。检测Q5、Q6各极工作电压均为0v不正常,正常时c极为1.2v,b极为0.8v。e极为0.2v.据此判断其工作电压供给电路有问题。Q5、Q6的供电是由图2中的电子滤波调整管Q104集电极所输出的+Bl(2.3v)电压。测Q104的集电极有2.3v电压,而R16、R17相连端电压
为0v。断定之间线路有开路。检查为连通双面布线的一个金属化孔氧化霉断。用短导线直接焊在Q104的c极与R16、R17的相交点后,收、放音恢复正常。
3、放音、收音均有“嘟嘟”啸叫声。

分析与检修:因放音、收音都有啸叫声,估计故障因电源滤波不良而产生。检查更换电源滤波电容未能排除故障,于是检查收、放音共用电路。见图1、图2.前置放大集成电路IC1(TA8155F)⑧⑨脚输出的R、L音频信号,经低频放大器Q5、Q6放大后,再经音量电位器w3调节后.输入耳机驱动集成电路IC2(TA7688F)输入端①、16脚,经放大后的R、L音频信号从⑦⑩脚输出,分为两路:一路从耳机插孔送立体声耳机:另一路将R、L两声道信号混合,再送到功放电路JRC2073(IC3)。
对啸叫的故障检查最好采用交流短路法,用一只47uF,16V电解电容,一端接地,另一端通过一段导线去碰触每一级的信号输入、输出端。将IC2输入端①、16脚对地短路,啸叫声不变;将输出端⑦⑩脚对地短路,啸叫声消失,说明故障在IC2及其外围元件。测IC2各引脚电压、对地电阻均正常。逐一检查IC2的外围元件,最后发现⑥脚外接的滤波电容C7(47uF/4V)容量变小。用同规格微型电解电容更换后.啸叫声消除,收、放音恢复正常。
4、放音、收音时本机扬声器声音很小,但耳机输出声音正常。
分析与检修:因耳机声音正常,说明耳机驱动电路TA7688F(IC2)及以前电路工作正常,判定故障在功放集成电路IC3(JRC2073-5206B)及外围电路(该电路位于带仓面板内,需拆开带仓面板后才能看到),见图3。
测IC3②脚(电源端)电压为正常值3V。手握金属镊子碰触音频信号输入端⑦脚,扬声器发出的干扰声很小。测IC3各脚电压和对地电阻基本正常,估计集成电路没有损坏,故障很可能是外围元件不良引起。逐一检查外围贴片电阻、电容,发现⑤⑧脚问所接的10uF贴片电容C3失效。容量为10uF贴片电容不易找到,此处又不能用普通电解电容替代,否则无法安装。后在废影碟机板上取下一只10uF贴片电容来更换。经更换后,故障排除。
网友评论