不少焊机派烧友认为功放IC音色平庸,而喜欢用分立元件动手自制功率放大器以追求高音质。但分立元件多、调试复杂、还要增加不少保护电路。 

    事实上,优秀的功放集成块性能不逊于分立元件制作的功放。这次介绍NS公司1995年底推出的一款高保真双20W新型单片音频放大器 - LM1876。

    LM1876的特色在于保护功能非常完善,内含NS公司专利spike瞬时温度骤失保护电路,同时还有输出短路绝缘的To-220封装,大可放心直接加上金属散热片,或直接固定于金属机壳上。 

    LM1876拥有淡入/淡出静噪模式及电压过低保护,两者结合起来可消除功率升高或者降低时产生的“噼啪”和“咔嗒”声,避免了损坏扬声器的可能性。“准备”过程中静态电流低至4.2mA。     LM1876基本指标(工作电压:±20~±35V);①8Ω负载下可输出不失真功率:20W×2;②总谐波失真(THD+N):0.08%;③信噪比:>85dB;④瞬态响应:18V/us(典型值);⑤通道分离度:80dB。

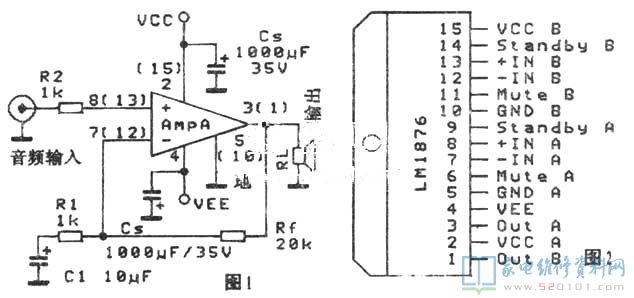
    LM1876适用于高保真电视、小型有源一体化音箱、环绕声放大器、汽车功放等场合。另外,LM1876两声道完全分开,每声道均有独立的正负电压供电系统,各有各的地及正负电压输入脚,杜绝了声道之间相互干扰,保证了高保真音质。典型应用见图1。LM1876外围相当简单,其管脚图见图2。

尽管是单列15脚封装,但15脚分成前后排列(7+8),对于“懒惰”的发烧友甚至可以直接搭焊,免制线路板。笔者有一台用AD827摩过的SONY CDP-497,接通LM1876制作的放大器(用50W环牛),王馨平一首《别问我是谁》(国语),甜美清亮的女性嗓音沁人肺腑,音乐细节触手可及,透明感及定位感很好,特别是女歌手富有娇柔甜美的女性韵味表现得淋漓尽致,令人感动。试听音箱是自制的惠威“低频霸主”。对于喜欢动手的发烧友,用LM1876制作功放很容易尝到成功的喜悦!