故障现象:通电后全机不工作,但显示屏灯丝能点亮,其他按键无反应。 

故障检修:此机送交笔者时,己请人修理过,说是此机解码板已损坏,无修理价值。笔者分析显示屏灯丝亮,说明变压器可以提供次级电压,故障在整流后的各级电源及其负载电路。全机不工作有许多因素,如主CPU不良、解压电路不良、解压电路供电不正常等。 

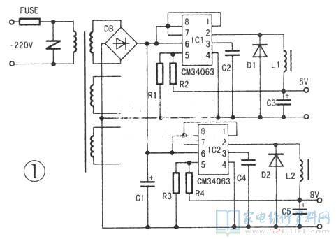
    在检修时发现此机电源部分使用的元件比较独特。并未使用三端稳压类元件,而是使用了两块NC34063集成电路调整电压。由于笔者对MC34063集成块的应用了解不多。于是从电源入手,根据实物绘制了电原理图(见图1)。

测得L1输出有2.5V,L2输出有8V的电压。由于印板上未标注电压参数,无法准确判断电压是否正常,于是将两块MC34063对换使用。对换后测L1有5V电压,L2只有2.5V电压,说明IC1已损坏。由于一时难以购到MC34063,只好用7805代替IC1,全机恢复工作。使用7805代换时,不能长时间工作,防止温度过高容易烧坏7805。买到原型配件,用NC34063更换后故障排除。