您好,欢迎您访问家电维修资料网
登陆
免费注册
实用工具
手机版
用手机访问
首页
维修资料
彩电维修资料
彩电总线调整
维修基础
电子线路
电子制作
空调制冷
家用电器维修
音响功放
卫星有线
VCD、DVD
通讯设备
办公设备
数码摄录
计算机设备维修
软件下载
培训教材
电路图纸
长虹彩电图纸
康佳彩电图纸
TCL彩电图纸
海尔彩电图纸
创维彩电图纸
海信彩电图纸
其他彩电图纸
合资彩电图纸
LG彩电图纸
松下彩电图纸
三星彩电图纸
索尼彩电图纸
东芝彩电图纸
夏普彩电图纸
飞利浦彩电图纸
DVD功放图纸
家用电器图纸
数码相机图纸
显示器图纸
维修工具图纸
数据下载
长虹彩电数据
康佳彩电数据
TCL彩电数据
海尔彩电数据
创维彩电数据
海信彩电数据
其他彩电数据
合资彩电数据
厦华彩电数据
DVD机顶盒数据
说明书
彩电说明书
显示器说明书
家用电器说明书
遥控器说明书
影音系统说明书
视频
彩电维修
空调制冷
电脑软件
办公设备
显示器维修
电子线路
维修基础
电工技术
通讯维修
DVD维修
生活电器
仪器仪表
其他技能
电子制作
搜 索
首页
VCD、DVD
正文
先科AEP-637型VCD机刚开机一切正常,工作几分钟后出现死机,这时遥控、面板各功能键失控,显示屏读秒不跳;随着机子温度升高,刚开机可工作的时间逐渐变短。
2007-05-29
作者:
1889
评论
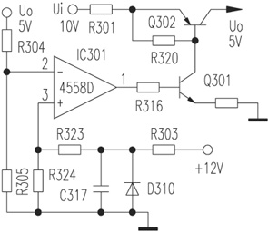
该故障原因通常是由于某元件热稳定性变差,致使系统控制或相关电路不能正常工作而引起死机。
待故障出现后,测电源各路电压,除5V供电变为6.4V外,其余均正常。检查发现电阻R324(9.1kΩ)阻值增大且阻值不稳。更换后,故障排除。
其他推荐
三本K912型VCD机放入碟片后,碟片不转,数秒后显示
先科P710K超级VCD机待机指示灯不亮,全机不工作。
先科P710K超级VCD机插上电源插头后,机子即进入开
思华990型VCD机不读碟
金格VCD机插上电源开机后显示屏无显示,所有按键失灵。
爱多IV-830BK型VCD机,在更换激光头后不久便出
网友评论
发表评论
所有评论
目前还没有网友评论
提交
热门资料
1
影碟机激光头原理、光管更换后的调整方法
2
影碟机的碟片不转检修
3
总结:判断激光头故障的几种常用方法(图)
4
索尼KSS-213光头代换KSS-240光头的技巧(图)
5
索尼KSS-213C激光头的基本修复方法(图)
6
影碟机激光头故障分析与检修(图)
7
碟机不出仓故障分析与检修
8
步步高DVD机不读碟故障检修实例
9
VIPer22A构成的碟机开关电源原理与检修
网友评论