打开机盖,入碟后通电试机,发现碟片入盒到位后,主轴即开始旋转,然后主轴突然高速反向旋转,几秒钟后,保护停机。
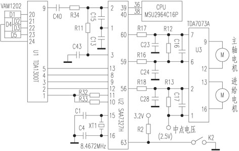
  主轴先正转,然后又高速反转,这一故障现象说明主轴驱动电路基本正常,故障原因与主轴CLV伺服电路和激光头不良有关。清洁物镜后故障不变,怀疑CLV伺服电路不良。参见附图,U1(TDA1300T){9}脚输出的RF信号送入U2(SAA7327H){2}脚内电路,U2内的主轴伺服电路首先将RF信号中含有的位时钟分离出来,经PLL电路产生反映主轴线速度的同步位时钟,送CLV主轴电机控制电路,与此同时由相位检测电路将相位误差检测出来,送CLV主轴电机控制电路,经误差运算处理成主轴控制PWM信号,从{59}、{60}脚输出,经U3(TDA7073A)驱动放大后去调节主轴电机的转速,控制主轴驱动VCD光盘(超级VCD光盘)按1.3m/s(倍速式)恒线速度旋转。U2{15}、{16}脚内振荡器与晶体XT1、谐振电容C1及C4产生的8.4672MHz振荡信号经分频后,用于PLL电路中锁定VCO的振荡频率。一旦该振荡电路停振或频率不稳定,将导致U2内CLV失控,从而造成主轴转速不正常,故重点对其进行检查。检修时,先采用代换试验,当用一只正常的8.4672MHz晶体代换该晶体后,故障排除。