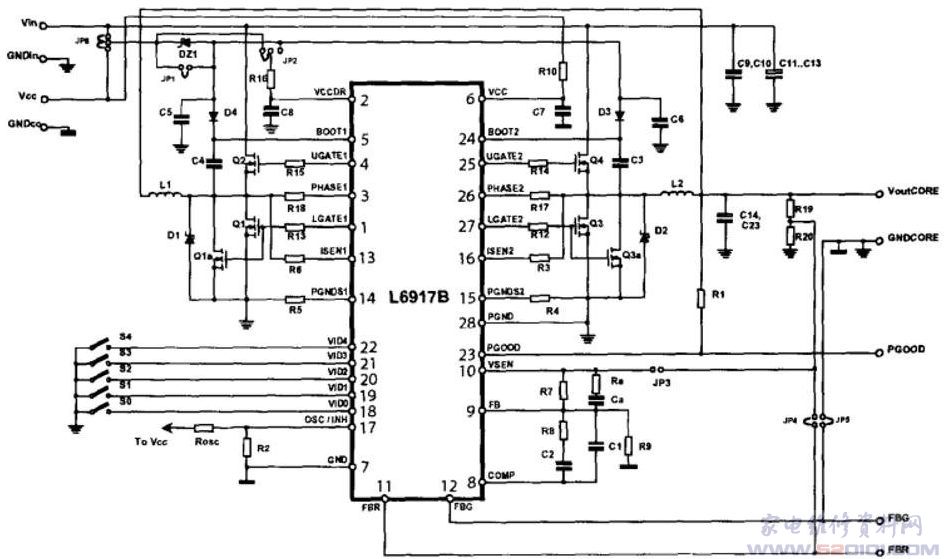
概述:L6917B采用贴片28脚封装。
VCCDR:门驱动电压输入。
VID0至VID4:电压识别引脚。
UGATE1、UGATE2:每相高端门驱动输出。
LGATE1、LGATE2:每相低端门驱动输出。
PHASE1、PHASE2:每相过流保护,同时也是每相高端门极驱动的返回路径。
BOOT1、BOOT2:提供每相高端门偏置电压。
VSEN:核心电压反馈。
ISEN1、ISEN2:每相电流反馈。
FB:内部误差放大器的反相输入端。
FBG:远地反馈缓冲比较器的反相输入端。
FBR:远地反馈缓冲比较器的同相输入端。
COMP:内部误差放大器的输出,用来补偿电压反馈信号。
OSC/INH/FAULT:通过外部接电阻,改变振荡器开关频率。
PGOOD:电源好信号。
PGNDS1、PGNDS2:每相电源地,通过一个电阻接地。
GND、PGND:接地。



网友评论