概述:LTC3869采用4mmx5mmQFN封装。为双输出高效率 (高达 95%) 同步降压型 DC/DC 控制器。当并联时可在通道之间提供良好的电流平衡。凭借其很低的 2mV 检测电压最大失配,当两个输出并联时,控制器能够在稳态和瞬变情况下,通道之间可保持优于 ±4% 的电流失配。器件的 4V 至 38V 输入范围可涵盖众多的应用,包括大多数中间总线电压和电池化学组成。强大的 1.1Ω 内置栅极驱动器最大限度地降低了开关损耗,并允许采用高功率外部 MOSFET 以在 0.6V 至 12.5V 的输出电压条件下产生高达每通道 25A 的输出电流。即使在开关脉冲边沿横跨于相位之间时,该器件也能保持出色的无抖动性能。
      其电流模式控制以及仅为 90ns 的最短接通时间使其非常适用于要求解决方案尺寸较小的高频、高降压比应用。跟踪和排序功能优化了多个电源轨的上电和断电。运用全 N 沟道 MOSFET 工作,在 -40°C 至 125°C 的宽工作节温范围内产生准确度为 ±1% 的输出电压。输出电流通过监视输出电感器 (DCR) 两端的压降来检测,以实现最高效率,或用一个检测电阻器来检测。固定工作频率可在 250kHz 至 780kHz 的范围内设定,或可用其内部锁相环 (PLL) 同步至一个外部时钟。其他特点包括:一个提供 IC 电源的内置 LDO、可编程软启动、电源良好信号和外部 VCC 控制。

一、LTC3869功能和特点:     
      · 两个通道并联时,具卓越的电流平衡
       ·高效率:可高达95%
      ·4.0V至38V的宽输入电压范围
      ·0.6V至12.5V的输出电压范围
      ·90ns最短接通时间以适合高频、高降压比应用
      ·强大的1.1Ω双N沟道MOSFET栅极驱动器
      ·输出电压跟踪或可编程软启动
      ·250kHz至780kHz的可锁相固定频率
      ·RSENSE或DCR电流检测

      ·电流模式控制


二、LTC3869引脚功能


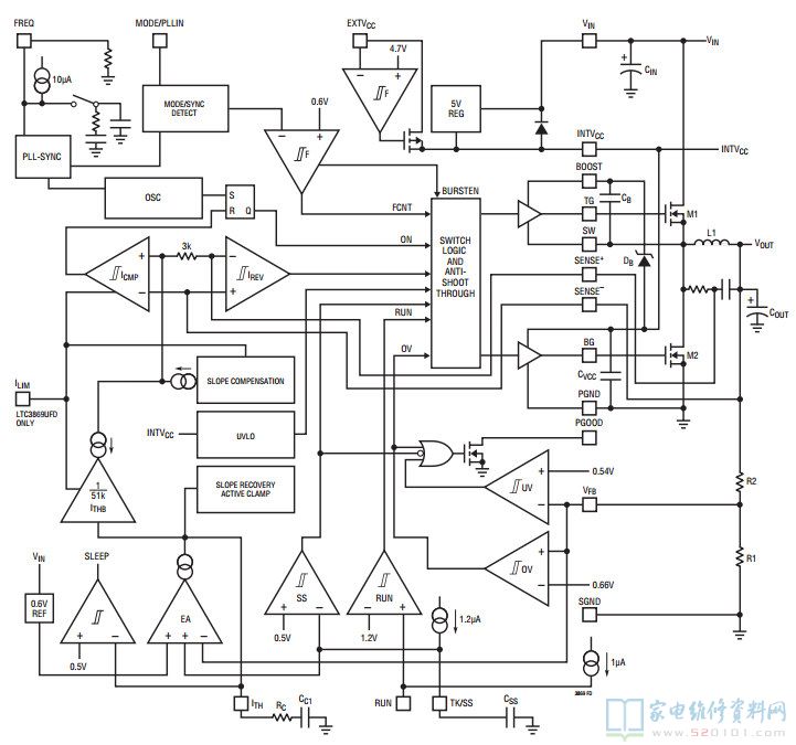
三、LTC3869内部方框图


四、LTC3869典型应用电路


五、LTC3869电气参数