概述:MC1723C是一款输出电压可调的稳压集成电路,可以提供150 mA的负载电流 ,如需更大电流输出能力,可加接外部功率晶体管扩流。MC1723C规定的工作温度范围是 0 ℃~70℃。输入电压范围9.5V~40V;输出电压范围从2.0V至37V;输入输出压差3.0V~38V。MC1723C具有 0.01 %的输入电压调节率和0.03 %的负载电压调节率。MC1723C自带可调节的短路保护电路。MC1723C采用14引脚DIP和SOP封装工艺。


一、MC1723C引脚外观排列


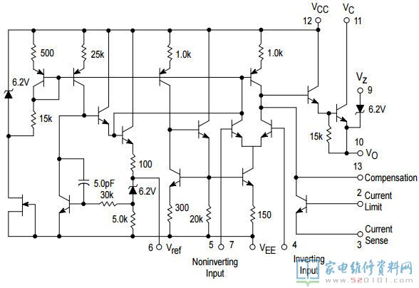
二、MC1723C内部方框图


三、MC1723C典型应用电路

1、直接驱动负载,电流输出能力小于150mA

2、加接有PNP型扩流晶体管,15V输出的电流负载能力达2.0A。