概述:TDA16846-2用14脚P-DIP-14-3封装。为TDA16846改进型开关电源(SMPS)控制器芯片。支持低功率待机和功率因数校正PFC 的SMPS控制器,可用于固定频率PFC或同步模式反激式变换器中,该产品既可以驱动功率MOSFET,也可以驱动双极型功率器件。TDA16846-2/TDA16847-2在轻载下具有低功耗性能,其开关频率可以随负载减轻而逐步降低。8脚为空。 除具有软启动、低功耗、低启动电流及欠压/过压保护、电流限制/短路保护及静电放电ESD 保护功能外,
一、TDA16846-2主要特点:
●带有PFC,并采用电荷泵电路;
●频率随负载减轻可连续降低,在待机模式下,频率可调至20kHz;
●可在固定频率或同步模式下操作;
●带有临时高功率电路(THPC),具有电源管理功能(仅TDA16847-2)。
TDA16846-2/TDA16847-2的5脚(OCI)输入电压范围扩大到0V,该脚与地之间不再需要连接电阻;7脚(SYN)改进了启动特性,阻止了变压器饱和;11脚(PVC)通过加入尖峰信号消隐,提高了抗噪扰能力;13脚(OUT)减小了截止态输出电压电平;14脚(VCC)通过尖峰消隐,改善了抗噪性能。
与先前的TDA16846比较,TDA16846-2除进一步强化了低功率待机功能外,还在抗噪性能方面具有明显改善。
支持低功率待机功能,在彩电等应用系统中具有重要意义。美国“能源之星”等标准要求电视机的待机功耗不大于3W。
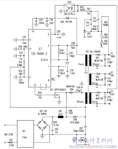
四、TDA16846-2应用电路
执行PFC,该电路在桥式整流器与150μF的滤波电容C07之间插入了由电感L08、二极管D08和电容C08组成的电荷泵电路,这样配合功率开关(T01),就可在桥式整流器输入端产生接近正弦波的AC电流,且与AC线路电压接近同相位,从而使线路功率因数(PF)远远大于0.90,电流总谐波失真(THD)低于20%.

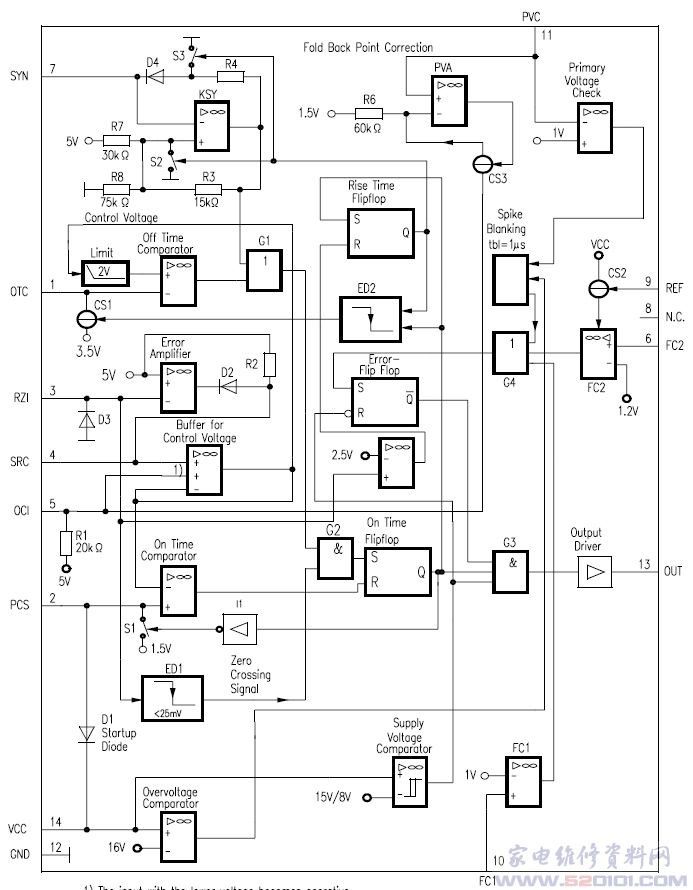
1. 启动特性SMPS加电之后,由于滤波电容C07正极上有直流干线电压,所以与IC1 2脚连接的电阻R22将有电流通过。该电流从IC1的2脚流入,经2脚与14脚内部连接的二极管参见图2 对14脚外部电容C26充电。一旦C26上的充电电压达到15±0.5V的导通电平以上时,芯片开始工作。器件14脚上VCC导通电流典型值为5mA,通过C26放电使14脚上的电压下降,在尚未降至欠压关断门限时,变压器的辅助绕组(7T)将通过IC14脚外部二极管D26对芯片提供所需的电流。当IC在固定频率下工作时,为防止在启动期间出现多重脉冲,可在IC1的3脚脉冲电压超过2.5V门限之前,使IC1工作于自由振荡(free running)模式。
2. 初级电流模拟/电流限制电路中IC1的2脚外部电阻R22和电容C22用于产生一个与功率晶体管T01电流成正比的电压。在T01截止时,脚2上电压为1.5V,这样当C22通过R22被充电时,T01将处于导通状态。此时脚2上的电压V2可表示为:
3. V2=1.5V+LP IP/(R22 C22)式中,LP为变压器初级绕组电感,IP为通过功率晶体管的电流。
V2一般施加到IC2脚内的导通时间比较器的同相输入端,并与反相输入端上的控制电压比较。如果V2超过控制电压,驱动器阻断,以起到电流限制作用。控制电压最大值是IC1内的5V参考电压。功率晶体管的最大电流IP(max)为:
IP(max)=[(5V-1.5V)R22 C22]/LP控制电压可由IC1内的误差放大器、光耦合器或IC1脚11上的电压(V11)来决定。
折回(Fold Back)点校正IC1脚11(PVC)上的电压V11可从连接到DC总线与地之间的电阻分压器(R23与R24)上获得。如果经整流的总线电压升高,功率晶体管的最大电流IP(max)将减小。实际上,最大电流IP(max)是独立的,与DC总线电压无关。可表示为:
Ip(max)=[(4V-V11/3)R22 C22]/Lp3.4 截止时间电路OTCIC1脚1(OTC)外部与地之间连接的R30和C30用于组成RC并联网络。当IC1驱动器关断时,内部电流源首先用0.5mA的电流对脚1外部电容C30充电。一旦脚3(RZI)上电压达到2.5V,充电电流将达到1mA,直到C30上的电压被充电到3.5V为止。C30的充电时间约为τ=(C30 ×1.5V)/1mA.
4. 当C30上的电压达到3.5V以后,内部电流源将被切断,C30通过R30放电。当IC1脚1上的电压施加到内部截止时间比较器时,比较器的另一个输入就是控制电压。当截止时间比较器输出高电平且脚3上的电压低于25mV时,内部导通时间触发器置位,以保证功率晶体管在最小的电压时接通。如果没有过零信号则进入IC1脚3,那么,在脚1上的电压低于1.5V之前,功率晶体管将经过一段延时之后接通。只要脚1上电压高于被限制的控制电压,导通时间触发器就会截止,以抑制脚3上不适当的过零信号。而一旦控制电压低于2V,关断时间将达到恒定的最大值(≈0.56 R30 C30)。
控制电压与输出功率、截止时间关系
| 控制电压 | 出功率 | 截止时间 |
| 1.5~2V | 低 | 不变(达最大值) |
| 2~3.5V | 中 | 减小 |
| 3.5~5V | 高 | 自由振荡 |
5. 误差放大器/软启动IC1的(RZI)3脚是误差放大器和过零信号输入,(SRC)4脚是控制电压输入。误差放大器的同相输入端是5V参考电压。IC1脚3上的输入信号可从变压器辅助绕组经R38和R29组成的电阻分压器获得。如果脚3上的输入脉冲高于5V门限时,脚4上的控制电压将被拉低。因此,脚4与地之间连接的电容C25可用于决定控制电压的控制速度和软启动持续时间。
6. 由于IC1的7脚与9脚(5V参考电压输出)是连接在一起的,故IC1工作在自由振荡调节模式。
若要求IC1在固定频率下操作时,脚7与地之间必须连接并联RC网络(Rosc与Cosc),此时,其开关频率fsw将由Rosc与Cosc设定:
fsw≈1.2/Rosc·Cosc.
因此,当Rosc=20kΩ、Cosc=470pF时,fsw=88kHz.
欲使IC1工作在同步模式,脚7上加入的同步信号频率必须高于振荡器的频率。
TDA16847-2的应用电路与TDA16846-2的应用电路相比,除TDA16847-2的8脚外部与地之间需要连接一只100pF的电容及RCR=1MΩ,C=4.7μF 电路外,其它部分几乎完全相同。


网友评论