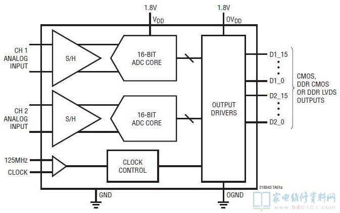
概述:LTC2184采用64引脚(9mmx9mm)QFN封装。是两通道同时采样 16 位 A/D 转换器,专为对高频、宽动态范围信号进行数字化处理而设计。

      其 AC 性能包括 76.8dB SNR 和 90dB 无寄生动态范围 (SFDR)。0.07psRMS 的超低抖动实现了 IF 频率的欠采样和卓越的噪声性能。
DC 规格包括整个温度范围内的 ±2LSB INL (典型值)、±0.5LSB DNL (典型值) 和无漏失码。转换噪声为 3.4LSBRMS。

数字输出可以是全速率 CMOS、双倍数据速率 CMOS 或双倍数据速率 LVDS。一个单独的输出电源提供了 1.2V 至 1.8V 的 CMOS 输出摆幅。

可以利用一个正弦波、PECL、LVDS、TTL 或 CMOS 输入对 ENC+ 和 ENC—输入进行差分或单端驱动。一个任选的时钟占空比稳定器在全速和多种时钟占空比条件下实现了高性能。

一、LTC2184功能和特点:

        两通道同时采样ADC

        76.8dBSNR

        90dBSFDR

        低功率:370mW/308mW/200mW(总值),
                  185mW/154mW/100mW(每通道)

        单1.8V电源

        CMOS、DDRCMOS或DDRLVDS输出

        可选的输入范围:1VP-P至2VP-P

        550MHz满功率带宽S/H(采样及保持)

        任选的数据输出随机函数发生器

        任选的时钟占空比稳定器

         停机和打盹模式


二、LTC2184引脚功能


三、LTC2184内部方框图


四、LTC2184典型应用电路