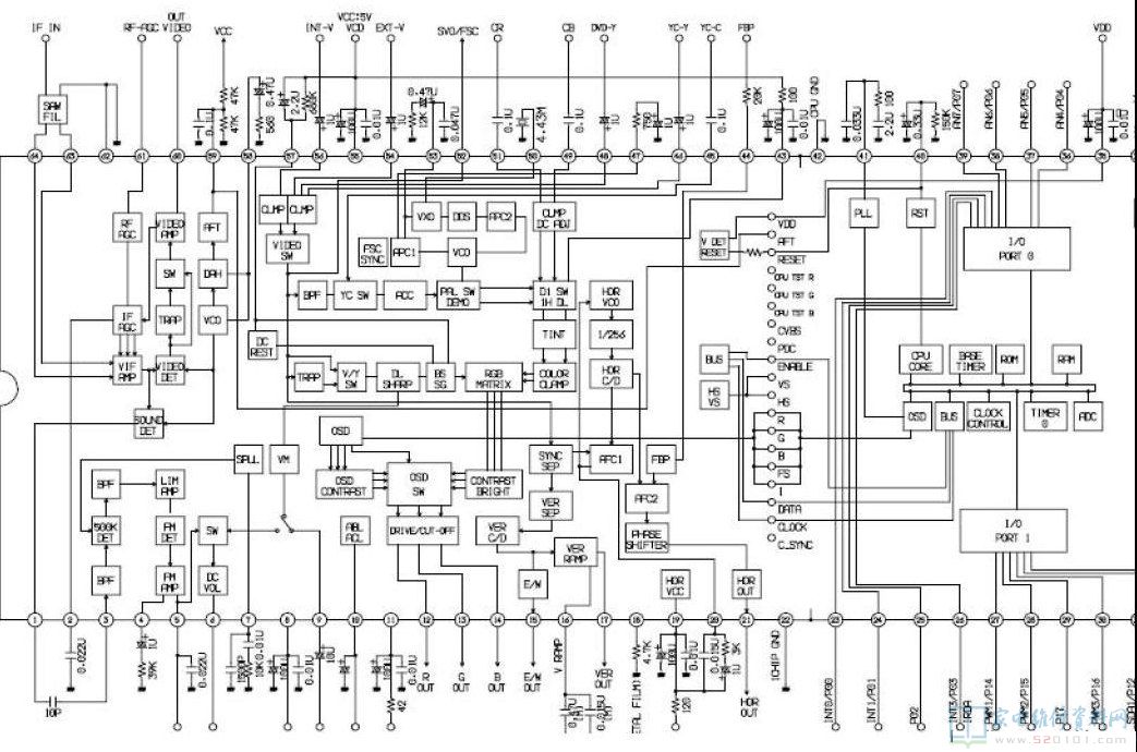
概述:LA76933采用64脚封装。主要特点:中频信号电路置于芯片内部,采用无需调整图像中频和伴音中频的PLL(锁相环)解调器,利用带通滤波器选出不同第二伴音中频(4.5/5.5/6.0/6.5kHz)。内置陷波器和带通滤波器对视频信号进行亮/色分离。其中,采用陷波器选出亮度信号Yo采用带通滤波器。选出色度信号C;彩色通道包括无需调整的锁相环解调器和NTSC制式TINT色调控制。行行激励脉冲由4.433MHz色副载波,通过1/256分频和行分频(H-C/D)电路形成,行脉冲形成:采用两个控制环路,具有自由调整行同步功能。OSD显示字符振荡和控制也置于内部电路;芯片内部设计有速度控制功能。芯片内部各相关电路之间采用IIC总线连接控制;在亮度和RGB基色信号处理电路中,设计有改善图像质是的峰化、黑延伸及动态肤色校正电路。芯片内部独有的连续阴极GB控制电路,可实现白电平及黑电平偏移调整,分别调整屏幕上暗淡部分与明亮部分的色温。用在25英寸以上的芯片内置有E/W东西枕校脉冲形成电路,输出E/W脉冲信号到枕校功率放大电路,以实现枕形失真校正。


一、LA76933引脚功能


引脚 符号 功能                         
1 SIF 伴音中频信号输出                 
2  IF AGC 中放AGC滤波检波           
3 SIF 伴音中频输入                     
4 FM 调频检波滤波器                       
5 FM.OUT FM输出                        
6 VOL.OUT 音频输出                     
7 SND APC 伴音中频解调APC滤波器
8 IF VCC 中频电路+5V电源供电       
9 AUDIO IN 外部音频输入                 
10 ABL 自动束电流输入                  
11 RGB VCC RGB矩阵电路供电        
12 R OUT R基色信号输出               
13 G OUT G基色信号输出                
14 B OUT B基色信号输出                  
15  N.C 不连接                               
16 V.RANP 场锯齿波电压形成端          
17 VDR.OUT 场激励脉冲输出         
18 VCO 行振荡基准电流设置端         
19 VCC 行启动和行电路供电           
20 AFC AFC环路滤波                     
21 HDP.OUT 行激励脉冲输出             
22 GND 视频/色度/偏转地                    
23 INTO/POO 不连接                          
24 INT1/PO1 不连接                            
25 PO2 SVHS控制                          
26 INT3/PO3 红外遥控信号输入           
27 AV2 AV1 外部接口输入                
28 AV2 AV1 外部接口输入                 
29 P17 不连接                                
30 MUTE 静音控制信号输出               
31 SDA I2C总线串行数据输出/输入
32 SCL I2C总线串行时钟输出          
33 XT1.XT2 时钟振荡器                   
34 XT1.XT2 时钟振荡器                   
35 CPU VCC CPU电源端                  
36 POWER 开/关机控制                    
37 -- 空                                    
39 KEY 本机键控信号输入                  
40 RESET RESET(复位)                  
41 PLL 色相位PLL环路滤波               
42 CPU GND CPU接地                         
43 CDD VCC 色度,行延迟线电源供电    
44 FBP INPUT 逆程脉冲输入                
45 Y/C Y/C模式色度C输入                
46 Y/C Y/C模式色度Y输入                
47 DDS DDS滤波器                          
48 Y CBCR Y CBCR模式Y输入            
49 Y CBCR Y CBCR模式CB输入            
50 4.43晶体 4.43MHz晶振输入             
51 Y CBCR Y CBCR模式CR输入          
52 SVO/FSC 内部开关选通视频信号输出
53 APC 色度APC滤波器                        
54 EXT-V 外部视频输入                     
55 VCD VCC5V 视频,亮度电路供电        
56 INT-V INT,视频输入                        
57 BLACK 黑电平检波滤波                 
58 PIF APC 图象载频锁相环滤波             
59 AFT.OUT AFC输出                            
60 VIDEO.OUT 视频输出                          
61 RF AGC RF AGC输出                       
62 IF.GND IF接地端                          
63 PIF.IN 图象中频信号平衡输入               
64 PIF.AMP 图象中频信号平衡输入  

二、LA76933内部方框图