概述:STMP3420有100脚TQFP和144脚FPBGA两种封装,支持USB下载传输、支持MP3/WMA等媒体文件解码,并可通过固件升级来支持其他音乐格式播放、支持WMA版权管理,预置惟一只读ID号,用于各种数字媒体版权管理;支持LED/LCD显示驱动、支持FM收音控制、录音和回放音量控制;芯片内置高效DC—DC转换器,可使用多种供电(模式)方案,使用一节AA电池可连续工作35小时以上。 STMP3420是STMP3410的升级版,主要是增加了对MP3编码支持的功能,可以直接从外部的音源录取音乐。STMP3420是STMP3410的升级版,主要是增加了对MP3编码支持的功能,可以直接从外部的音源录取音乐。
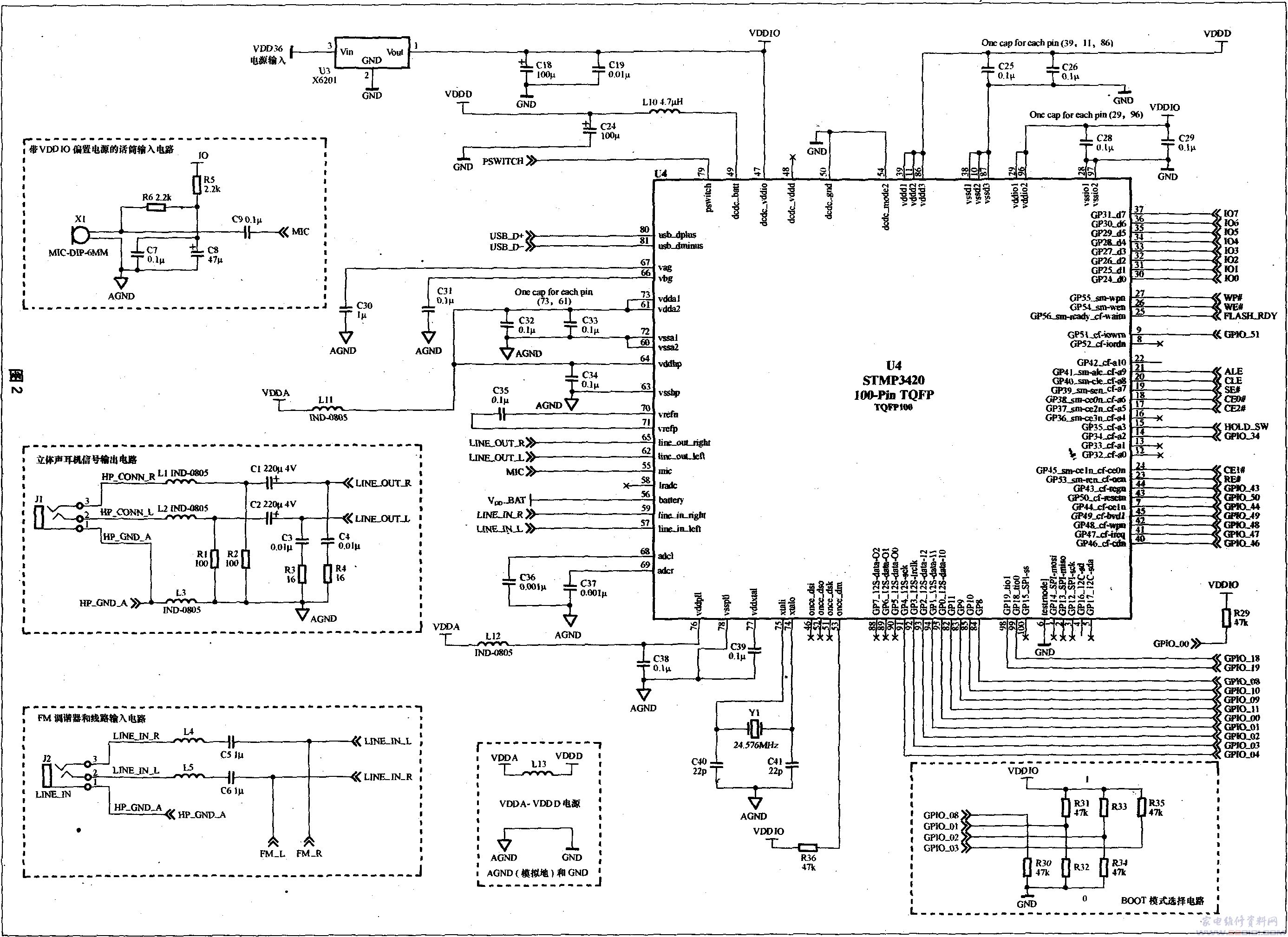
一、STMP3420主芯片应用电路图
芯片各个引脚的名称已经在图中芯片方框中标出,注意引脚名称和电路端子名称大多是不相同的,例如芯片的37脚名称是GP31_d7,对应的电路端子名称是107,这点在读图时别误解了。
主芯片的外接存储器数据总线端口GP24_dO~GP31_d7(对应引脚为30~37)用于数据的传输,分别与闪存U8的I/01~I/07(数据输入/输出端口)对应连接,对数据进行读写。主芯片具有多个GPIO(通用输入输出端口),输入输出信号用于对芯片和相应外围电路(如按键、显示和收音等电路)进行功能控制和操作等,从而控制、显示机器工作状态。主芯片的75、74脚(xtali和xtalo)分别是高频晶振输入端和输出端,外接晶振Y1和电容C40、C41,与内部电路共同组成频率含义是模拟(电路)地。将两种接地分开主要是为了防止数字(电源)电路和模拟电路之间通过接地线路相互干扰。GND和AGND在印制板设计中需要分别设置,通常在主芯片底部等处将两者相连。
应该注意,图2电路中主芯片外围电容有的有说明文字:one cap foreach PIN,这是表示电容分别连接在各引脚上。例如:one cap for eachpin(73、61脚),表示电容C32、C33是分别连接在STMP3420的73、61引脚上和AGND接地端上的,尽管它们是相通的。
二、STMP3420电源电路
芯片内部含有电源管理单元,其中包括两个DC—DC(直流一直流)变换器,即#1 DC—DC变换器和#2 DC—DC变换器,如下上图所示。因内含DC—DC变换器,所以就可省去外接小功率开关电源。
STMP3410/STMP3420可支持单、双电池(碱性或镍氢电池)、锂电池和外部输入直流电源等多种供电模式,通过DCDC_mode0、DCDC_model、DCDC_mode2三个引脚的电平来控制供电模式,真值表见附表。请注意:其中DCDC_mode0、DCDC_model引脚仅适用于144脚封装的芯片,所以对100脚封装的芯片而言,实际上只有DCDC_mode2(54脚)一个功能选择引脚,对应只可选择两种供电模式,即附表中的第一种(DCDC_mode2为1电平,使用一节碱性电池或镍氢充电电池)和第五种模式(DCDC_mode2为0电平,使用可充电锂电池)。前页图电路由于使用100脚封装主芯片和锂电池供电模式,所以DCDC_mode2接地GND,即采用附表中的第五种供电模式(电路框图见图3),这种模式的供电电压高于输出电压,故而仅用了芯片内的#1DC-DC变换器且工作于降压模式,输出电压为1.8V。另一个变换器关闭不工作。
附表 STMP3410/3420电源模式选择真值表
DCDC_MODE2:0 | 使用的电源类型 | #1DC-DC变换器 | #2DC-DC变换器 |
111* | 一节碱性或镍氢电池 | 2通道升压模式 | 关闭 |
(0.9V~1.5V) | (1.8/3.3V) | ||
110* | 保留 | 保留 | 保留 |
10l★ | 一节碱性或镍氢电池 | 3通道升压模式, | 关闭 |
(0.9V~1.5V) | (1.8/1.8/3.3V) | ||
100★ | 保留 | 保留 | 保留 |
11 | 锂电池(3.0V~3.6V) | 一通道降压模式(1.8V) | 关闭 |
010★ | 外部电源 | 关闭 | 关闭 |
001★ | 两节碱性或镍氢电池 | 一通道降压模式(1.8V) | 一通道降压模式(3.3V) |
(1.8V~3.0V) | |||
000★ | 锂充电电池 | 一通道降压模式(1.8V) | —通道降压模式(3.3V) |
★仅适用于)44引脚封装的芯片
下图所示为主芯片外部的电源电路,是由USB供电电路、低待机电流电源电路、锂电池保护电路和锂电池等部分所组成。从USB插口来的USB-5V电压经过二极管D1和电阻R7(0Ω电阻,实际起连接作用)加到低待机电流电源电路和锂电池上(充电);同时锂电池电压也加到低待机电流电源电路。使用锂电池时,3.6V电池电压加到P沟道MOS场效应管Q1(Si2305)的S(源)极。当按下电源(播放、暂停)按键开关SW1时,控制管Q3导通,使Q1也导通,锂电池3.6V电压通过Q1的D(漏)极输出,为VDD36电压。VDD36电压加到图2中3端稳压器U3的输入端,U3输出电压VDDIO一路供给相关的外部电路作为电源电压;另一路送到主芯片47脚(DE-DE VDDIO),经内电源电路处理后,再输出相应的电压供给相关电路使用。采用低待机电流电源电路可明显减少待机消耗功率,延长电池使用时间。
集成电路Ul和U2等组成锂电池保护电路,用于保护锂电池,防止因过充(放)电而损坏或使寿命缩短。其中U1(R5421N139F)为锂电池保护集成电路,其过充动作电压为4.0V~4.4V,过放动作电压是2.0V~3.0V;U2(CEM9926)是最大耗散功率为2W的集成功率器件,内含两个N沟道MOS功率管,是配合U1调节电压电流的功率开关管。
三、STMP3420闪存电路
闪存电路如图中下方所示。闪存(Flash Memory)是一种基于半导体介质的NVM(Non-Volatile Memory非易失性存储器)。常用闪存主要有NOR和N_AND(技术型)两类,NAND闪存具有快速读写循环、数据硬件保护、可擦除、I/O端口命令/地址/数据线复用和接口便利等特点,适合于高密度的数据和文件存储,是目前存储设备,包括MP3播放器应用最多的闪存种类。
图中的闪存为U8,根据产品型号和容量不同,主要采用三星的K9F1G08U0M(容量128MB)、K9F2GO8U0M(256MB)、K9K1G08U0M(128MB)、K9K2G08U0M(256MB)、K9K4G08UOM(512MB)等。K9K和K9F‘系列闪存的主要性能如下:工作电压:2.7V~3.6V;擦写次数:100k(10万次);数据保存:10年。图5中闪存U8的I/00~I/07(数据输入/输出端口)对应连接至图2主芯片STMP3420的总线端口d0~d7(30~37脚),相互进行数据传输。图5中下方的4个小虚线框图表示相应端头连接的上拉(Pullup)电阻或下拉(Puudown)电阻,通过VDDIO或GND使相应端被置于高电平或低电平。
在MP3播放器中,常用的闪速存储器还有HY公司和东芝的产品,如HY27UF082G2M(128MB)、TC58NVGOS3AFT(128MB)和TCC58NVGlS3AFT(256M)等。
四、STMP3420其他电路
液晶显示屏(LCD)电路
液晶显示屏电路如前页图中上方虚线框内所示,它是以三星公司生产的LCM(液晶显示模块)U7(S6B0724A01)为核心组成的。
S680724A01是65×132点阵型液晶显示模块,可显示各种字符及图形,可与主芯片(CPU)直接接口,具有标准数据总线、控制线及电源线。模块的电源电压VDD为2.4V~3.6V;液晶屏驱动电压为(VLCD=Vo-Vss)即4.5V~15.0V;静态电源电流小于10μA,典型工作电流40μA(显示关闭)。
U7通过接插件J4和外部电路连接,其中LCD-REST、LCD-RS,LCD-CLK、LCD-DATA分别与主芯片STMP3420的7、82、85、9l脚(GP1044、11、10、4端口)连接,进行数据的传输和显示屏的控制等。图5电路中各个端头和主芯片等电路的相应端头连接关系在图5右方已清楚地说明。
背光电路
背光电路如前页图左下方所示。它是以U6(SM8142)为核心组成的。
SM8142是无变压器型背光驱动器集成电路,它与外接的电感L15、二极管D2和电容C49等共同组成脉冲升压驱动电路,将VDDIO低电压升至120V左右的脉冲电压,从7、8脚输出,通过EL1、EL2端和接插件J3,去驱动液晶显示器后的背光片发光。
电路中的外接电阻R42决定背光驱动器的振荡频率,也即决定背光电压和亮度的高低,调整电阻R42阻值可改变背光亮度,R42越大亮度越高。
背光的开通与关闭由BL—ON(GPIO_09)端(主芯片的GP9脚)送出的电平控制,U6的5脚(ENA端)高电平有效,当电平为低时,背光关闭。
按键(按钮)开关电路
如前页图左上方虚线框内所示。
STMP3420内有按键(键盘)扫描矩阵电路,通过GPIO_43、46、47、48、49、50端口和外接按键电路相连接。图5电路中用了3个键扫描输入端(SCAN—R1/R2/R3)和3个输出端(SCAN—C1/C2/C3),该电路用了7个按键开关,具体按键开关的名称及功能已详细标示在图中。
USB连接电路USB连接器电路如前页图右下方虚线框内所示。图中,USB插口CN1是个MINI(迷你型)多芯插座。其中1端为USB电源端,电压+5V;2端为USB_D-,3端为USB_D+,4端通过L9接地。CN1的2端和3端分别通过电阻R25、场效应管Q5和电阻R27、场效应管Q6,与STMP3420的8l脚(USBD-)、80脚(USBD+)连接,用于USB的数据传输。
FM(调频)收音电路FM(调频)收音电路如前页图左中方虚线框内所示,它是由FM模块组件U5(FM104BE)为核心组成的。
FM104BC内部电路由飞利浦的TEA5767集成电路等元器件组成。
FM模块U5的工作状态受其3、4、5、6引脚信号的控制,这些信号来自主芯片,4个引脚对应的电路端头和主芯片STMP3420的相应引脚如图中标示。
U5的8、9脚输出的立体声音频信号分别通过C48和C47,经FM/线路输入电路后加到STMP3420的59脚(LINE-IN-R端)和57脚(LINE-IN-L端),由主芯片内电路进行放大处理后输出到耳机或录音电路。
FM调谐器/线路输入电路如第二页图左下方虚线框内所示。这是一个外部音频信号输入电路,外部音频信号从插口J2输入,左、右声道信号分别通过电感器L5、电容C6和电感器L4、电容C5加到STMP3420的59脚(LINE-IN-R端)和57脚(LINE-IN-L端),由主芯片内电路进行放大后进行MP3编码、录音等处理。FM收音电路的输出信号也经过这个电路加到STMP3420的59脚(LINE-IN-R端)和57脚(LINE-IN-L端),由主芯片放大后输出到耳机电路或进行录音。
网友评论