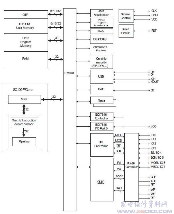
概述:AT91SC192192CT-USB采用LQFP64封装。是一款基于FLASH、由ARMSC100提供支持的安全微控制器。AT91SC192192CT-USB基于ARMSC100CPU, 拥有192Kbytes的FLASH程序存储器、192Kbytes的高性能EEPROM(擦/写快、耐用性高)以及24Kbytes的RAM。包括一个5端口全速USB2.0接口、一个可以在嵌入式系统环境中进行通信或与NORFlash相连接的SPI接口以及可以与NANDFlash相连接的专用硬件。
AT91SC192192CT-USB与基于ROM的AT91SC512384RCT完全兼容,还采用了标准的ISO7816智能卡和新推出的单线协议(SWP)接口。


网友评论