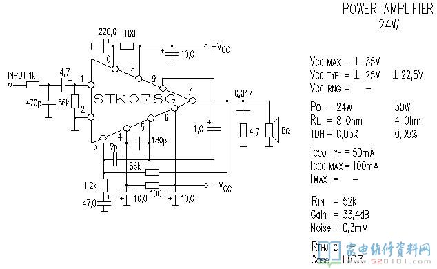
概述:STK078G是三洋半导体公司早期出品的一款音频功率放大器厚膜IC芯片,其最大工作电压35V,在典型工作电压25V时,其通道输出功率为24W(TDH=0.03%)。
一、STK078G内部等效电路
二、STK078G典型应用电路
概述:STK078G是三洋半导体公司早期出品的一款音频功率放大器厚膜IC芯片,其最大工作电压35V,在典型工作电压25V时,其通道输出功率为24W(TDH=0.03%)。
一、STK078G内部等效电路
二、STK078G典型应用电路
网友评论