一、电路分析
1.室外机开关电源的工作原理室外机交流输入电源经整流、滤波后,又经C15去耦、L01消干扰得到300V左右的直流电压。经过开关变压器的初级绕组加到TOP232的漏极D。刚接通电源时TOP232内部的MOSFET管处于截止状态,此时内部的高压开关接通,对接在TOP232 C极的C36充电,当电压达到5.8V时内部控制电路被激活,电路进入软启动状态,10毫秒后控制电路使输出占空比达到最大,MOSFET管进入饱和状态,开关变压器的初级绕组产生感应电压(上正下负),同时反馈绕组也产生上负下正的电动势。二极管D08处十截止状态,PC01中无电流流过。此时C36开始放电,为内部电路供电,当电压下降到5.8V以下时MOSFET管截止,开关变压器的初级绕组产生上负下正的自感电动势,同样反馈绕组将产生上正下负的电动势。二极管D08导通,反馈电压加到光耦PC01上,电流加到TOP的C脚上,对C36进行充电,当电压达到5.8V时控制电路使MOSFET管又导通。同时反绩绕组又产生上负下正的电动势。二极管D08处于截止状态,PC01中无电流流过,C36又放电,当电压下降到5.8V以下时MOSFET管又截止。如此循环使实现了振荡。在+5V和+12V的输出端分别接了取样电阻和TL431、PC01相连,通过调节流过光耦的电流可调节脉冲占空比。当输出电压上升时-TL431基准电压上升-TL431电流上升-PC01电流上升-IC电流上升-脉冲占空比减小-输出电压下降。从而实现了稳压。电路原理图见图1所示。

2.室外电压检测电路 传统的电压检测没置都是对交流电压通过互感器进行检测的。该系列机型采用对整流后的直流电压进行检测后经过压/频转换后驱动光耦将信号传递给CPU(原理图见图2所示)。
整流滤波后的电压经过R42和R39分压得到取样信号,再经过R43、c70、C44低通滤波,以消除电网干扰,送到IC06LM331⑦脚,与⑥脚的电压进行比较,在⑨脚输出脉冲,该林冲的频率与输入电压成正比关系。③脚通过外接的光耦PC02、电阻R47、R44再将频率信号转换成电压信号送到单片机25脚,从而实现了电压检测功能。
3.室外数据(温度、电流)采集电路 温度采集是通过NTC的热敏电阻进行的,然后送给单片机进行处理。电流通过电流互感器检测并经整流、滤波后送到单片机进行处理。
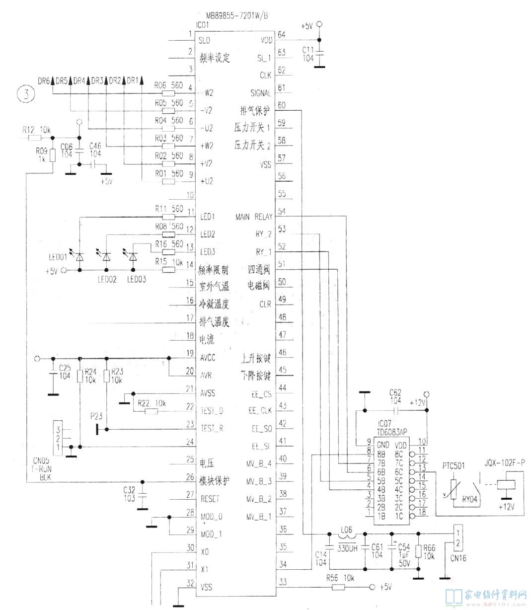
4.室外输出驱动电路(风机、四通阀、主继电器、压缩机)风机、四通阀、主继电器是通过单片机控制反相驱动器来进行的,电路见图3所示。
当单片机输出高电平时反相驱动器的控制端得到高电平相应的输出端输出低电平,相应的继电器吸合,相应的部件工作。压缩机驱动是通过单片机的④~⑨脚输出的脉冲控制IPM板上的光耦实现的。
5.室内过零检测电路(见图4所示)、电源和风机调速电路(见图5所示)变压器的次级绕组经过控制基板上的插座CN02连接到整流二极管D02、D08、D09、D10上,整流后产生12V直流电压,再经IC03(LM7805)稳压产生5V电压。
通过二极管D07隔离使三极管Q01的基极得到100Hz的脉动直流信号。当三极管的基极电压低于0.7V时三极管截止,集电极为高电平(即单片机32脚认为此时电源过零点),当电压高于0.7V时三极管Q01饱和,集电极输出低电平(单片机32脚认为电源非过零点),单片机以此信号为基准,控制CPU第⑥脚输出宽度可延时的脉冲低电平触发可控硅IC05导通,控制风机的转速。当电压过零时可控硅关断,然后⑥脚再以过零信号为基准输出延迟同样时间的触发信号,从而达到调速的目的。
当遥控改变风速时,将改变过零后⑥脚触发信号的延迟时间来调节风速。延迟的时间越短即可控硅导通时间越长风速越快,延迟的时间越长即可控硅导通的时间越短风机转速越慢。风机控制信号的频率100Hz是不变的。
6.室内、外通讯电路 室内外通讯电路利用了电网中的火、零线,故室内、外端子板上火零线必须保持一致。其具体的工作原理如下(电路略):
室内电源电压AC220V经R10、R07、R04分压限流、D04半波整流、ZD01稳压C01滤波形成约DC24V直流电作为室内外串行通讯信号的载波信号。当室内向室外发射信号时,室外电路板上光耦PC04一直处于导通状态,即室外CPU(IC101)①脚一直处于高电平,而室内CPU(IC08)⑨脚SCIO通过发射方波信号来传输室内机状态与指令。当SCIO为高电平时,光耦IC201截止,室外芯片信号接收端63脚为低电平;SCIO为低电平时,光耦IC02发光二极管导通,使光耦IC01中发光二极管也导通,PC03中发光二极管也导通,于是室外CPU 63@脚将接收到高电平,而室内CPU⑧脚也接收到反馈低电平,以表明室外CPU已接收到了室内发出的信号。这样室内CPU⑨脚发射方波电信号,室外CPU 63脚和室内CPU ⑧脚则均同时接收到一个方波信号。
反之.当室内接收信号,室外发射信号时室内CPU⑨脚SCIO始终为低电平,使光耦IC02工作导通,当室外CPU①脚为低电平时,PC04不工作,从而导致整个通迅电路不工作。室内CPU⑧为高电平,室外CPU 63脚均处丁低电平,当室外CPU ①脚为高电平时,Pc04导通,从而使IC01和PC04均上作导通。室内CPU⑧脚SC11为低电平,室外CPU 63脚为高电平,以表明室内接收到室外发射的电平信号。这样,室外CPU①脚发射一个方波信号,则室外CPU 63脚和室内⑧脚均同时得到个方波电信号。而每一组方波信号均代表特定的指令参数信息。这样,通过室内与室外交替连续发送信号,来保证室内外机协凋有序工作。
7.故障代码表 表1为KFR-3066GW/BP型空调器在压缩机运转状态下,室外机控制板上的3个LED指示出压缩机当前运行频率所受限制的原因。

在压缩机停止运转时,室外机的LED用于显示故障内容,如表2所示。
连续按传感器切换3次,室内机显示故障代码如(显示3秒后恢复正常显示)表3所示。
二、故障分析与检修
1.制冷时室内机工作,外机不启动。
分析与检修:打开室外机发现控制基板上的指示灯不亮(LED1-LED3)。从此现象可以初步断定故障出在室外机。断开联机线给室外机单独供电(因有故障时室内机不能持续给外机供电),测直流5V为0V。说明开关电源没工作。测DC300V正常,测IC03 C脚电压为4.6V(正常应为5.8V),说明脉宽调整电路有故障。因该脚的电压是通过内部高压开关提供的,应先对外围电路进行检测,经测试发现电容C36(47uF/50V)已无容量。该电容无容量使C脚的电压达不到5.8V,控制电路无法使MOSFET管导通,从而电路无法工作在开关状态。换后一切正常。
2.制热时室内机工作,外机不启动。
分析与检修:打开室外机发现控制基板上的指示灯不亮,测5V电压为0V。说明开关电源有故障。测DC300V正常,测IC03 C脚电压为5.4V比正常值低0.4V。测电阻R38、电容C36都正常。测电阻R36(2M)已开路。此电阻接在TOP232Y的M脚上,该脚功能为过、欠压检测。当R36开路后TOP232Y检测到供电电压过低,控制电路不能进入启动状态,从而使电源电路无法进入开关振荡状态。换电阻后一切正常。
3.接通电源后外机不启动。
分析与检修:经过检测发现开关电源的开关变压器初级绕组的反向电动势释放回路中的稳压二极管ZD01(P6KEl80A)击穿。此二极管击穿造成开关变压器的初级绕组在自感电动势释放时形成短路,造成各绕组不能产生感应电压,导致开关电源各组无电压输出而使外机不工作。用新的P6KE180A更换后故障排除。
4.室内风机不转,外机不工作。
分析与检修:从故障表象来看,故障部位肯定是出在室内风机控制电路或过零检测电路上,通电开机检测风机的连接插座CN07电压为零,说明是风机无工作电压。测CPU⑥脚电压为高电平,说明CPU没有发出控制指令。测过零检测三极管Q01C极电压为0.2V.正常应为0.4V说明过零检测电路有故障。取下Q01测c~e极已经击穿,将Q01换后一切正常。发生此故障的原因还有可控硅IC05和启动电容不良等。
网友评论