
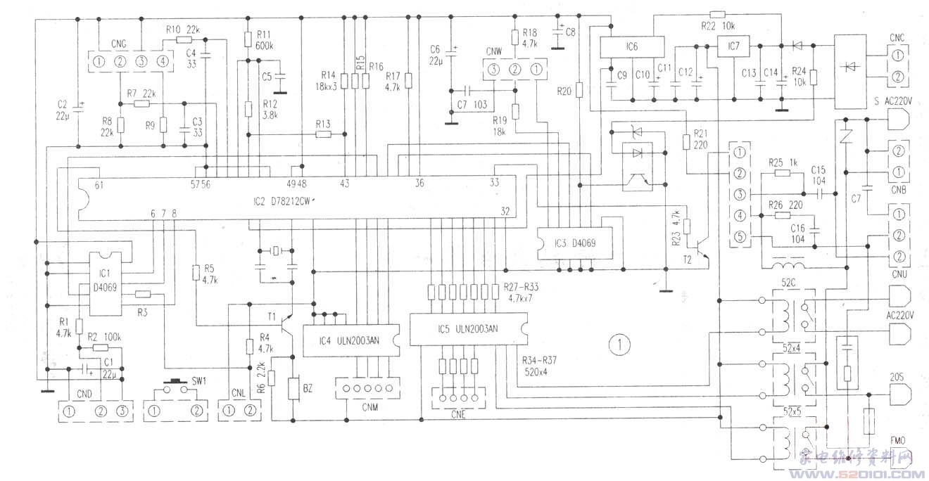
该电路不但适用于冷暖两用型机器,同时也适用于单冷机型。图2是温度传感器与图1的连接线图。图3是空调机工作状态发光管显示电路,图3与图1通过CNE插座连续工作。图1中,主控芯片为单片机D78212CW。该IC现在仍无法找到详尽资料,但通过图1后,其大体工作原理已基本显现。本文限于篇幅仅给出电路图并指出电路结构及特点,更详尽的原理将在晚些时候介绍。 图1电路中,CNG是温度传感器插座。CND是红外接收器插座。SW1连接CNL作强制启动插座。CNM连接室内风机。CNE连接图3。

CNU连接室内风机。其他接线口维护人员应当可以自明。图1电路较之其他空调控制电路有几点差异之处:
1,D78212CW已内置固化程序,无需外设ROM。
2.本控制器用精密稳压电源IC6(78LR05)为单片机供电。
3.在电源输入端装设有压敏电阻作短路保护。
4.室内风机由Ic1配合T2及Ic8作无级调速。
对于喜欢玩单片机硬件并由此渗透软件的发烧友而言,图1属于他山之石可以攻玉,只要改变传感器的物理参量,再稍微改变执行机构的执行对象,本电路即可成为家用电器的智能管理中心。
网友评论