您好,欢迎您访问家电维修资料网
登陆 免费注册
实用工具手机版

用手机访问

手机访问家电维修资料网
家电维修资料网
  • 首页
  • 维修资料
    • 彩电维修资料
    • 彩电总线调整
    • 维修基础
    • 电子线路
    • 电子制作
    • 空调制冷
    • 家用电器维修
    • 音响功放
    • 卫星有线
    • VCD、DVD
    • 通讯设备
    • 办公设备
    • 数码摄录
    • 计算机设备维修
    • 软件下载
    • 培训教材
  • 电路图纸
    • 长虹彩电图纸
    • 康佳彩电图纸
    • TCL彩电图纸
    • 海尔彩电图纸
    • 创维彩电图纸
    • 海信彩电图纸
    • 其他彩电图纸
    • 合资彩电图纸
    • LG彩电图纸
    • 松下彩电图纸
    • 三星彩电图纸
    • 索尼彩电图纸
    • 东芝彩电图纸
    • 夏普彩电图纸
    • 飞利浦彩电图纸
    • DVD功放图纸
    • 家用电器图纸
    • 数码相机图纸
    • 显示器图纸
    • 维修工具图纸
  • 数据下载
    • 长虹彩电数据
    • 康佳彩电数据
    • TCL彩电数据
    • 海尔彩电数据
    • 创维彩电数据
    • 海信彩电数据
    • 其他彩电数据
    • 合资彩电数据
    • 厦华彩电数据
    • DVD机顶盒数据
  • 说明书
    • 彩电说明书
    • 显示器说明书
    • 家用电器说明书
    • 遥控器说明书
    • 影音系统说明书
  • 视频
    • 彩电维修
    • 空调制冷
    • 电脑软件
    • 办公设备
    • 显示器维修
    • 电子线路
    • 维修基础
    • 电工技术
    • 通讯维修
    • DVD维修
    • 生活电器
    • 仪器仪表
    • 其他技能
    • 电子制作
  1. 首页
  2. 空调制冷
  3. 正文

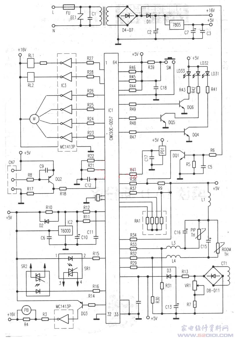
海尔空调控制电路原理图

2016-03-30作者:中华维修整理12341评论

其他推荐

  • 春兰KFR-32GW空调主机工作不正常的检修
  • 海尔KFR-25GW/BP×2变频空调器不制冷
  • 海尔KFR-50LW/(BP)变频柜机王,上电后室内风
  • 夏普AY-249变频空调检修方法
  • 三洋ASP-C185CH空调故障指示灯的含义及检修
  • 三菱PHS系列空调自诊断机能汇总

网友评论

发表评论

所有评论

目前还没有网友评论

热门资料

  • 1日立RAS-25JVZ/RAC25JVZ变频空调内机不通电的故障维修
  • 2各种型号压缩机功率对照表以及压缩机详细技术参数(多图)
  • 3维修必学:一起认识冰箱的主要结构(图)
  • 4海尔空调0011800223模块板维修图解
  • 5冰箱压缩机解剖图(多图)
  • 6冰箱排水管堵的处理方法(图)
  • 7再也不用担心冰堵了,解决冰堵最佳方法
  • 8安装空调的时候用水钻快速打孔的方法和技巧
  • 9空调电脑板的相关维修知识(图)
关于我们 - 网站帮助 - 广告合作 - 网站声明 - 友情链接 - 网站地图
©2006-2024 www.520101.com All Rights Reserved
浙ICP备12036345号-1