“ 门”是这样的一种电路:它规定各个输入信号之间满足某种逻辑关系时,才有信号输出,通常有下列三种门电路:与门、或门、非门(反相器)。从逻辑关系看,门电路的输入端或输出端只有两种状态,无信号以“0”表示,有信号以“1”表示。也可以这样规定:低电平为“0”,高电平为“1”,称为正逻辑。反之,如果规定高电平为“0”,低电平为“1”称为负逻辑,然而,高与低是相对的,所以在实际电路中要选说明采用什么逻辑,才有实际意义,例如,负与门对“1”来说,具有“与”的关系,但对“0”来说,却有“或”的关系,即负与门也就是正或门;同理,负或门对“1”来说,具有“或”的关系,但对“0”来说具有“与 ”的关系,即负或门也就是正与门。
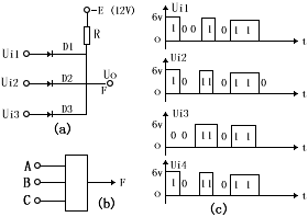
       图一(a)为三端负与门。其逻辑关系是:当罗列入A、B、C均为“1”时,输出端F才为“1”。(C)是与门的逻辑符号,图(b)是波形图,图(d)是逻辑关系表。它们的逻辑关系式为:F=A·B·C


图一、负与门电路

0-t1 t1-t2 t2-t3 t3-t4 t4-t5 t5-t6
A 1 0 0 1 1 1
B 1 1 0 0 1 1
C 1 0 0 1 1 0
D 1 0 0 0 1 0


二、或门
图二为三端正或门电路,只要有一个输入端为“1”信号。输出端就为“1”信号,称为或门。图(b)是波形图,它们的逻辑表达式为:F=A+B+C

图二、正或门电路


三、非门(反相器)
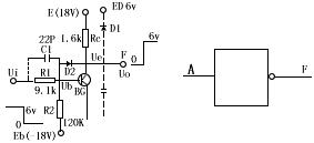
图三为非门电路,它的逻辑功能是:输入为:“0”,输出为“1”,反之则反,由于ui与uo反相,所以又称反相器,其逻辑符号如图(b)所示,
图中C1为加速电容,D1为箝位二极管,D2超抗饱和作用,原理是:当BG饱和时,ud>uc(通常ub为(0.7-0.8)伏,uc为(0.1-0.3)伏),使D2导通,若D2压降为0.2伏,ub=-0.7伏,此时uc变为0.5伏,这就减轻了饱和深度,另外由于ID流入BG,就使 Ic增加,Ib减小,通过Ib自动调节作用,使电路能稳定地工作。
图四为非饱和式反相器,图五为几种常用反相器,它们的技术指标列于表一中

图三、非门电路


图四、非饱和式反相器


图五、几种常用的反相器

表一 几种常用反相器的技术指标
电路 (a) (b) (c) (d)
信号电平 “0”(无信号)(V) 0 0 0 +6
“1”(有信号)(V) -6 -6 -9 0
对信号源的要求(mA) 吸收3 吸收1.12 吸收0.75 发射0.8
工作频率(kHZ) 10 600 1000 10000
抗干扰电压(V) >1 ≥1 ≥2 ≥2.5
灵敏度(V) ≤5.0 ≤7 ≤5.0
输出端的吸收能力(mA) ≤ 12 ≤8.0 ≤2 ≮10
输出端的发射能力(mA) ≤32 ≤12 ≤12 ≮7
输出脉冲的上升时间(μS) 2 ≤0.24 ≤0.1 ≤0.1
输出脉冲的下降时间(μS) 2 ≤0.24 ≤0.15 ≤0.1
三极管β值的要求 >50 70-100 >50 >50