| 间歇振荡电路 |
| 一、自激间歇振荡电路 |
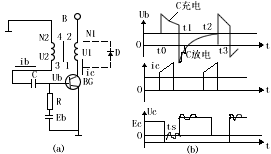
| 图一(a)为自激间歇振荡电路,当电路接通电源时,(t=to),电流经变压器初级流向集电集,产生了感应电压ui及次级感应u2(u1为上正下负,u2为下正上负)u2使ub和ui增加,从而引起了“雪崩”式的正反馈: |
| 结果使BG饱和,ic随时间线性增加,u2对C充电,ub不断减小,一直减小到BG退出饱和时(t-t1),又开始另一“雪崩”式的正反馈: |
![]() |
| 结果使BG截止,ic=0o C入放电,ub电压增加,又引起正反馈,如此正反馈,如此下去,BG间歇地工作,各种波形的变化如图一(b)示, |
![]() 图1、自激式间歇振荡电路 |
| 二、他激间歇振荡电路 |
| 图2为他激间歇振荡电路,由于偏置压力为零,所以要靠外触发才能工作,无触发作用时,BG截止,负触发脉冲经C及D1送到BG的集电极,其反馈过程与上述同, |
![]() 图2、他激间歇振荡电路 |



网友评论