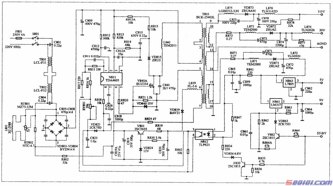
长虹CN-9 机芯开关电源是在长虹CH-10 机芯开关电源的基础上,增加了以V80l 为核心组成的电子稳压电路和以N812 、VD836 、V830 为核心的开/待机控制电路。该电源以飞利浦公司的TDA4605 作为电源驱动集成电路,它内部设有振荡、电压基准、误差放大、脉冲宽度调制、缓冲放大等电路。该集成块还具有过流、过压、欠压等保护功能。由于该电源采用大功率场效应管作为电源开关管,所以本机芯开关电源具有功耗低、带载能力强、电压适应范围宽、外围元件少及便于维修等诸多优点。下面以G29D3(B) 型彩电开关电源为例(见附图),对CN-9 机芯开关电源工作原理作一分析。

工作原理

工作原理
1.启动过程
220V 市电经VD803 半波整流,R802 降压加到TDA4605 的6 脚,同时该电压对电容C819 充电,6 脚电压由0V 开始上升,TDA4605 内部电源电压监测器开始动作,对6 脚电压进行监控。当6 脚电压上升到lO.3v 以上时,TDA4605 内部振荡电路开始工作,此时将从5 脚输出一开关脉冲,电源开始启动。
2.振荡过程
5 脚输出的开关脉冲经电阻R820 加到开关管V840A 的栅极(G),开关管开始导通,在开关变压器T803 的初级14 绕组中有电流流过,在5.7 绕组中将产生一感应电流。T803 的7 脚的感应脉冲经R825、R818 加到N811(TDA4605) 的8 脚,N811 内部过零检测电路检测到8 脚有连续的脉冲输入后,则将该脉冲经逻辑控制后加到5 脚,使5 脚输出的脉冲加宽。当某种原因使8 脚无连续脉冲输入时,则N8ll 内部逻辑电路将关闭5 脚的输出脉冲,使电源中的振荡器停振。
3.稳定过程
开关电源正常工作后,T803 的6 脚输出的感应脉冲电压经vD819 整流、C820 滤波后得到约38V 的电压。该电压再经V801 、VD824 组成的电子稳压器稳压得到稳定的12V 直流电压加到N811 的6 脚,此时电源启动时的供电电阻R802 不再为N811 供电。
4.稳压过程
许多开关电源的稳压控制都是通过对电源次级十B 电压端进行误差取样,然后通过光电耦合器等元件对电源初级开关管的导通时间加以控制。本机芯则是对开关变压器T803 初级互感绕组7 脚输出的脉冲进行整流取样后送到N811 的1 脚内的误差控制放大器,以调整5 脚输出的开关脉冲宽度从而达到稳压的目的。具体过程可用下列关系式表示:
+B↑→T803 的7 脚U↑→VD823 负端U↑→N8ll 的l 脚U↑→N811 的5 脚U↓→+B↓+B↓→T803 的7 脚U↓→ VD823 负端U↓→N81l 的1 脚U↓→N811 的5 脚U↑→+B↑
5.开/待机控制过程
本机芯开/待机控制电路分两路:一路控制N861(LM317) 输出的9V 电压,该9V 电压用于行振荡电路;另一路通过光耦N812 对N811 的l 脚输入的误差电压进行控制,进而控制电源次级+B 电压及其他几路电压。
当机器待机时,CPU 输出高电平待机指令从ST-BY 端输入,V862 饱和,VD863 正偏导通,N861(LM317) 的2 脚调整端电压被短路到地,N86l 的3 脚无9V 电压输出,行振荡电路停振,行扫描停止工作。同时,高电平待机指令经R835 加到V830 的b 极,V830 饱和,VD836 正端被接地而反向击穿。由于VD836 是6.8V 稳压二极管,而且开机状态时VD836 负端电压为15V 左右,所以待机时,VD836 负端屯压将由15V 下降到7V 左右,光耦器N812 的l、2 脚内的光电二极管导通,N812 的3、4 脚内光敏三极管随之导通,N81l 的1 脚误差电压将上升,最终使T803 各绕组电压将下降约为二分之一,+B 电压也由此下降到65V 左右。而长虹CH-10 机芯开关电源开/待机控制电路未对电源初级实施控制,只对供给信号处理的8V 电压进行通/断控制。
[Page]6.保护电路
N811 的2 脚为初始电流输入,该电流在其内部要与误差电流进行比较。另外该脚通过外接电阻R812 与300V 电压相连,用于市电过压检测。当市电升高时,300V 电压相应升高,当2 脚电压上升到2.8V 以上时,2 脚内部保护电路启动,关闭5 脚的输出脉冲。
N8ll 的3 脚为欠压保护端,用于市电欠压检测,300V 电压经R813 与R814 分压后加到该脚。当300V 电压降低导致该脚电压低于1.8v 以下时,3 脚内部保护电路动作,5 脚的输出脉冲被关闭,电源中的振荡器停振。
N8ll 的5 脚为开关脉冲输出端,该脚内部设有一驱动功率检测器,当开关电源过载或负载短路导致5 脚驱动功率显著增大时,该检测器将发出保护指令,关闭5 脚的输出脉冲。
N811 的6 脚既是供电端也是过压保护端。当某种原因造成该脚电压上升到17.5V 以上时,6 脚内部保护电路将发出指令,关闭5 脚的输出脉冲。
常见故障检修
1.300V 正常,开关电源无输出
首先断开开关变压器次级各组电压的负载。若各组电压恢复正常,则故
障在负载电路。若各组电压仍无输出,则可判定故障在电源本身。
断开V801 的e 极、N8ll 的5 脚外接电阻:R820,用数字万用表测N8ll 的6 脚电压。若该脚电压在5.5~11.5V 间反复跳变,2 脚电压在1.0~7.7v 反复跳变3 脚电压在1.0~2.4V 间反复跳变,7 脚电压在0.3~3.6V 间反复跳变,5 脚电压在0~O.15V 间反复跳变(此时若用指针式万用表测5 脚,可看到表针在不停地摆动),则可判定N81l(TDA4605) 基本正常,故障在其他电路。恢复断开的V801 的e 极、N811 的5 脚外接电阻R820,再断开光耦器。N812 的3 脚或4 脚。若各组电压恢复正常,则判定故障在以V830 、VD836 组成的待机电路,检修时应重点检查VD836 。
若断开N812 的3 脚或4 脚,故障仍然存在,则应检查以V801 为核心的电子稳压电路,实际维修中常见的故障为VD824 击穿或软击穿。若检查或更换仍不奏效,还需检查V840A 及其外接元件,常见故障有VD840 击穿短路,R820 阻值变大或开路。检查上述各元件无误,最后检查N811 的8 脚外
接电阻R818 及N81l 本身,即可排除故障。
2.开机烧保险管,开关管V840A 击穿
当发现保险管F801 被饶黑,同时,开关管V840A 被击穿短路,应查以下电路:查+B 电压端整流二极管VD873 是否击穿短路;查开关管V840A 的D 极外接二极管VD815 、C815 是否损坏;查N811 的2 脚外接
电阻R812 阻值是否变大或开路,电容C812 是否击穿或严重漏电;查N811
的5 脚输出的脉冲幅度是否正常,可采用前面判断N811(TDA4605) 是否正常的方法以及附表给出的维修数据进行检查加以判定。若不对上述电路进行认真检查,则新换的保险管和开关管在通电瞬间很可能又被损坏。
3.+B 电压输出低
对于本开关电源而言,此类故障只需检查:
(1) 开/待机控制电路,断开N812 的3 脚或4 脚,若电压恢复正常,则故障在开/待机控制电路,其中以VD836 损坏较常见。
(2)N81l 的7 脚外接软启动电容C826,若该电容不良或漏电,则N811 的5 脚输出的脉冲宽度减小,从而造成输出电压降低。
(3) 开关管V840A 的G 极外接保护二极管VD840 ,该二极管若不良或特性变差,将造成输入开关管
V840A 的G 极的激励脉冲减小,造成输出电压降低。
V840A 的G 极的激励脉冲减小,造成输出电压降低。
4.+B 端输出电压高
无论哪种开关电源,输出电压高的故障都应查误差取样及稳压控制环路。本机芯开关电源则应查VD823~ N811 的1 脚间元件,查VD823 、RV801 、R816 、R8l1 阻值是否变大或开路。另外不要忽略对C823 进行检查,当该电容漏电或开路均将造成N811 的1 脚电压降低,最终导致输出电压升高。若检查上述元件均正常,则更换N811 方可排除故障。
[Page]检修实例
例1:一台长虹G2985(B) 型彩电出现三无。
测+B 电压端为0V,断开行负载以及开/待机控制电路中V830 的b 极,+B 电压仍然为0V。断电,测开关电源各次级均无对地短路现象,由此判定故障在开关电源本身。测300V,电压为307V ,表明整流滤波电路基本正常。测集成块N811 的6 脚,电压在5.6V 至11.5V 间反复跳变,其余各脚电压也均在正常范围内跳变。对集成块外围元件进行检查,发现N811 的8 脚过零检测输入端外接电阻R818 的
阻值为无穷大,更换之,故障排除。
例2:一台长虹G2585(B) 型彩电出现三无。
测300V 电压正常,+B 电压无输出,断开行负载,+B 电压仍无输出,断开N811 的5 脚外接电阻R820,通电测N8ll 的5 脚,有O~O.15V 跳变的电压,说明N811 内部振荡电路已启振,且输出了脉冲波,判定N811 基本正常。继而测N8ll 其余各脚电压,发现2、6、7 脚有反复跳变的电压,而3 脚为0V 不变,说明3 脚内部欠压保护电路已启动。查其外围元件,发现R813 开路,用0.5W 1MΩ电阻将其换之,故障排除。
例3:一台长虹G2510(B) 型彩电出现三无。
拆机,发现保险管F801 被烧黑,说明开关电源出现严重短路现象。经查,发现开关管V840A 和保护二极管VD840 均被击穿,换上新的保险管和VD840 ,取下开关管,通电测N81l 的5 脚有0~0.15V 跳变的电压,测其他各脚电压均在正常范围内跳变,由此判定N811 基本正常。逐一检查损坏开关管V840A 的原因,发现V840A 的D 极外接二极管VD815 击穿短路,换上同型号二极管,并装上新的开关管试机,一切正常。
例4:一台G2585(B) 彩电开机三无。
测300V 电压正常,测+B 电压在115V 至180V 之间变化,再测开关电源输出的5V 电压也在2V 至5V 之间变化。断开行负载,用60W 电灯泡作假负载,通电灯泡不亮,说明电源带不动负载。取下电灯泡,使+B 电压恢复在115V 至180V 之间变化。测量N811 各脚电压,发现N811 的1 脚电压偏低,为0.1V 左右,怀疑N81l 的1 脚外围元件出现故障,造成输入到该脚的误差取样电压降低,使+B 电压升高。检查取样电路中VD823 、C823、RV801 、R816、R8ll 等元件,各电阻阻值均正常,用优质50V 1u F 电解电容
并联于C823 上,+B 电压立即恢复正常,C823 正极电压也由1V 上升到11.2V。换下损坏的C823,试机,故障排除。
例5:一台G29D3(B) 型彩电行幅小。
测开关电源+B 电压端,115V 变成95V 左右,且不稳定。断开行负载,该电压仍为95V 左右。首先,断开光电耦合器N812 的3 脚,测+B 电压端,电压上升到115V,由此表明故障在开/待机控制电路,测开/待机控制管V830 的b 极,电压为开机值0V,c 极为5.2V。正常情况下,V830 的c 极电压应为7V 左右,查VD836 以及V830 ,发现V830 本身c、e 极有轻微漏电现象。更换V830 ,并恢复N812 的3 脚,故障排除。
附表N811 TDA4605 维修参考数据
| 引脚 | 引脚功能 | 500 型万用表 | DT890 数字万用表 | ||||||
|---|---|---|---|---|---|---|---|---|---|
| 待机(V) | 开机(V) | 对地阻值(KΩ) | 待机(V) | 开机(V) | 对地阻值(KΩ) | ||||
| 红笔测 | 黑笔测 | 红笔测 | 黑笔测 | ||||||
| 1 | 误差电压控制输入 | 0.4 | 0.4 | 0.6 | 0.6 | 0.41 | 0.41 | 0.27 | 0.27 |
| 2 | 初始电流输入,过压保护输入 | 2.1 | 1.2 | 6.4 | 13 | 1.03 | 1.12 | 11.7 | 5.78 |
| 3 | 欠压保护输入 | 2.6 | 2.4 | 6.1 | 6.6 | 2.44 | 2.37 | 6.15 | 5.42 |
| 4 | 地 | 0 | 0 | 0 | 0 | 0 | 0 | 0 | 0 |
| 5 | 激励脉冲输出 | 0.6 | 2.6 | 1.1 | 1.1 | 0.64 | 3.21 | 0.97 | 0.97 |
| 6 | 启动电压及驱动信息检测输入 | 10.5 | 12.6 | 4.8 | 14.6 | 10.6 | 10.9 | 17.7 | 4.46 |
| 7 | 较启动外接充放电电容 | 0.3 | 1.4 | 6.8 | 10.7 | 1.05 | 1.68 | 9.42 | 6.14 |
| 8 | 过零检测脉冲输入 | 0.2 | 0.4 | 6.4 | 7.3 | 0.29 | 0.41 | 6.69 | 5.77 |
[Page]
网友评论