概述:HA220XxPB系列芯片是深圳光华源科技有限公司自主研制开发生产的LED恒流驱动IC芯片,现已广泛用于LED照明系统中。由于HA220XXPB系列芯片具有外围电路简单,体积小的特点,可将其设计到小体积封装的LED灯具内,取代日光灯、白炽灯等灯具;利用其使能端,可设计成多种变化方式的彩灯;利用输出电流可由外围电路设定的特点,可将其用于LED液晶彩电或彩显的背光驱动电路中。HA220xXPB系列芯片采用DIP10封装形式,其引脚功能见表1。


一、IC特点

         该IC具有以下特点:

        1. 输人电压范围宽,适应AC85V~AC265V电压输人;

        2.输出电流恒定,电流大小可由外围电路设定,且恒流精度高;

        3.效率高,在纯阻性负载情况下,效率高达95%;

        4.可驱动LED数量多,可将LED按实际需要串联或串并联相结合,以驱动多只LED灯珠;

        5.HA220XXPB系列恒流源体积小,仅为DIP10封装,可嵌入小体积灯具内;

        6.外围电路简洁,因无电感,无变压器,稳定性好;

        7.设有使能端,可利用使能端做成多种智能灯具,实现多种功能。


二、引脚功能


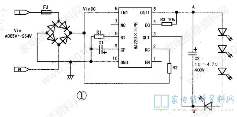
三、应用电路

       该系列芯片的典型应用电路如图1所示,其最佳输出电压范围为150V~180V,当输出电流为20mA时,最低输出电压(各只LED的正向工作电压之和,下同)为30V;当输出电流为40mA或60mA时,最低输出电压为90V。该电路输出电流大小由R1设定,其对应关系见表2。

        另外,当HA22004PB、HA22006PB为多路输出时,应尽量使各路的LED个数和颜色一致。若不能一致,可外接稳压管使各路输出电压均衡。在驱动多路并联的LED灯串的情况下,当一路LEd灯串开路时,为防止与之并联的LED过流损坏,应增加保护电路,如图2所示。

        当无LED灯串开路时,RA3或RB3两端的电压使VA1或VB1导通,短接VTA1或VTB1的门极和阴极,VTA1或VTB1截止,电路正常工作;当下面一路LED串开路时,RB3上电压降为0V,VB1截止,VTB1导通,这时恒流源输出的电流-路通过VTB1形成回路,而不会增加到另一路LED中去,从而起到保护作用。
        RA5和RB5的取值:若一路串联50只LED,并假设每只LED的正向电压(VF)为3.2V,则RA5和RB5的阻值为:3.2V x50/0.02A =80002;R5的功耗:0.02x8000=3.2(W),实际选取时,其功率应不小于5W。

        若要让HA220XxPB系列LED恒流驱动电路能在AC110V~220V及更宽的市电范围内正常工作,可将芯片的②、⑥脚所接的电阻R2用如图3所示的等效电路替代。该等效电路的阻值能自动随输入电压的变化而改变,从而调节芯片内部的工作状态,使之能正常工作。

1.非隔离方式使能

        非隔离方式使能电路如图4所示。此电路在典型应用电路的基础上,利用三极管V1的通断来控制使能端,当V1导通时,芯片的①脚通过V1与②脚相连呈高电平,⑤脚输出关断;当V1截止时,芯片的①脚悬空,恒流控制电路正常工作,⑤脚恒流输出正常。利用这一特点,接通或关断LED的驱动电流,使LED发光或熄灭,从而可实现多种发光效果。

       图中V1推荐用9013或8050型三极管。当V1通过电阻R4接5V电压时,R4阻值推荐用4.7k或5.1k电感L与LED串联,其作用是防止LED被瞬间电流冲击损坏。在实际选用电感L时,要求其电感量为1mH~2.2mH,允许通过的电流到少为实际电流的1.3 倍。
       提示:只有在控制信号的“地”与恒流器“地”能安全共地时,方可使用非隔离方式使能这种形式。
2.隔离方式使能

        隔离方式使能电路如图5所示,此电路是在典型应用电路的基础上,用光耦控制使能端。当光耦导通时,芯片的①脚通过光耦与②脚相连星高电平,则⑤脚输出被关断,LED灯不亮;当光耦关断时,芯片的①脚悬空,⑤脚输出正常,LED正常发光。利用这一特点,接通或关断LED驱动电流,使LED发光或熄灭,从而可实现多种发光效果。

3.PWM调光控制

         若要实现PWM调光功能,可在该系列芯片典型应用电路的基础上,利用输出电流可调的特点,将图1中的电流调整电阻R1用图6虚线框内R1.R4.R6、U1、V2等元件组成的等效电路代替。此等效电路的阻值大小可由光耦U1控制。当驱动光耦的PWM信号发生改变时,此等效电路的阻值发生改变,从而实现调光功能。HA220XXPB系列芯片的调光范围见表3。

       图6中的N2 (TL494)、C6、R10~R14及电位器RP1等元件组成PWM信号发生器,调节RP1即可改变PWM脉冲的占空比。

       在大面积采用LED作为光源的环境中,如大型景观照明、液晶屏的背光源等,单只HA220xxPB难以胜任,这时可采用多只HA220XXPB组成的恒流电路进行驱动,同样也可安装PWM调光电路。一款广告显示屏的LED背光源驱动电路如图7所示,共设计有3组LED恒流驱动电路,其PWM调光原理如下:改变LM358(N401)输人端③脚的电压,则N401的①脚电压(即V401的基极电压)也会随之变化,光耦U101~U301初级内部的发光二极管发光强度变化,则U101~U301次级光敏三极管的c、e极间等效电阻改变,相当于改变了芯片N101 ~N301的⑧脚输人阻抗,从而实现调光功能。

        以上两种电路的亮度调节为电位器调节方式,如要采用数字电位器调光,可用图8所示电路替代图7中虚线框内的电路。

        在图6~图8中,PWM信号发生器为一个单独的电路。在实际应用中,PWM信号可由MCU或单片机电路发出,而MCU或单片机电路可根据使用者要求、环境光强度及内置程序自动对PWM信号进行控制,从而实现自动化或智能化调光控制功能。
4.LED闪烁控制

         LED闪烁控制多用于景观装饰灯广告牌显示等场合,其电路通常是在非隔离方式使能的基础上改进而成,如图9所示。该电路外加同步定时器控制三极管V1的通断,当V1导通时,芯片使能端①脚接高电平,⑤脚无电流输出,LED灯不亮;当V2截止时,⑤脚输出正常,LED灯工作正常。V1的导通和截止时间由同步定时器控制。多谐振荡器通过电阻R7与整流后的300V脉冲电压相连,使得振荡器在电源过零时切换,以避免高压冲击。

          图9为简单的闪灯电路,虽然利用此方式可以获得多种闪烁效果,但闪烁方式不能随时改变,因此这类灯只用于对闪烁要求不高的场合。若要实现不同颜色的LED跳变闪烁,则需增加控制电路。一款七彩LED闪灯的驱动电路如图10所示,图中仅画出了红LED的恒流驱动电路,绿、蓝LED的恒流驱动电路与红LED相同。

       单片机D401 (EM78P153) 对三个光耦U101、U201、U301 (U201、U301 分别为绿、蓝LED的恒流驱动电路控制光耦)轮流供电,控制光耦的通断。当某一只光耦导 通时,光耦所控制的恒流源芯片输出被关断,所驱动的LED不发光,从而实现各路LED轮流发光的目的LED闪烁的周期与花样变化由MCU程序控制。

         在实际使用上,还有一类LED装饰灯采用分段发光方式,俗称追灯。一款追灯控制电路如图11所示,CD4017对三极管Q4~Q6进行轮流通断控制,当CD4017的③脚输出高电平时,Q4、U1导通,与U1-2并联的LED因Q1短路而不发光,其他LED正常发光;当CD4017的②脚输出高电平时,Q5、U2导通,与U2-2并联的LED因Q2短路而不发光,其他LED正常发光;当CD4017的④脚输出高电平时,Q6、U3导通,与U3-2并联的LED因Q3短路而不发光,其他LED正常发光。由于恒流源在某部分LED短路时不会影响对其他LED的电流输出,这样就很好地实现了逐级分段发光功能,由于人眼的视觉暂留特性,这时看起来就有了“追灯”的效果。