一、实验目的

1. 掌握三相负载作星形联接、三角形联接的方法,验证这两种接法线、相电压、线、相电流之间的关系。

2. 充分理解三相四线供电系统中中线的作用。

二、实验设备

序号

名称

型号与规格

数量

备注

1

交流电压表

   

DG01B

2

交流电流表

 

1

DG01B

3

万用表

 

1

 

4

三相自耦调压器

 

1

DB01B

5

三相灯组负载

220V,15W白炽灯

9

DG08

6

电门插座

 

3

DG09

一、实验内容

1. 三相负载星形联接(三相四线制供电)

按图7-1线路组接实验电路,即三相灯组负载以三相自藕调压器接通三相对称电源,并将三相调压器的旋柄置于三相电压输出为0v的位置(即逆时针到底的位置),经指导老师检查合格后,方可合上三相电源开关,然后调节调压器的输出,使输出的三相线电压为220v,并按以下的步骤完成各项实验,分别测量三相负载的线电压、相电压、线电流、相电流、中线电流、电源与负载中点间的电压,将所测得的数据记入表7-1中,并观察各相灯组亮暗的变化程度,特别要注意观察中线的作用。

71


7-1

测量数据实验内容(负载情况)

开灯盏数

线电流(A)

线电压(V)

相电压(V)

中性电流Io(A)

A相

B相

C相

IA

IB

IC

UAB

UBC

UCA

UA0

UB0

UC0

Y0接平衡负载

3

3

3

                   

Y接平衡负载

3

3

3

                   

Y0接不平衡负载

1

2

3

                   

Y接不平衡负载

1

2

3

                   

Y0接B相断开

1

 

3

                   

Y接B相断开

1

 

3

                   

Y接B相短路

1

 

3

                   

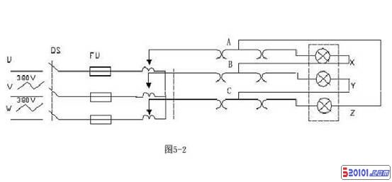
2. 负载三角形联接(三相三线制供电)

按图7-2改接线路,经指导教师检查合格后接通三相电源,并调节调压器,使其输出电压为220v,并按数据表格的内容进行测试。

 

图7-2

注:三相电路的线电流需用DG10元件箱的三个电流插孔。

7-2

测量数据

负载情况

开灯盏数

线电压=相电压(v)

线电流(A)

相电流(A)

A-B相

B-C相

C-A相

UAB

UBC

UCA

IA

IB

IC

IAB

IBC

ICA

三相平衡

                       

三相不平衡

                       

二、实验注意事项

1. 本实验采用三相交流市电,线电压为380v,应穿绝缘鞋进实验室。实验时要注意人身安全,不可触及导电部件,防止意外事故发生。

2. 每次接线完毕,同组同学应自查一遍,然后由指导教师检查后,方可接通电源,必须严格遵守先接线,后通电;先断电后拆线的实验操作原则。

3. 星形负载作短路实验时,必须首先断开中线,以免发生短路事故。

三、预习思考题

1. 三相负载根据什么条件作星形或三角形连接?

2. 复习三相交流电路有关内容,试分析三相星形联接不对称负载在无中性情况下,当某相负载开路或短路时会出现什么情况?如果接上中性,情况又如何?

3. 本次实验中为什么要通过三相调压器将380v的市电线电压降为220v的线电压使用?

四、实验报告

1. 用实验测得的数据验证对称三相电路中的√3关系。

2. 用实验数据和观察到的现象,总结三相四线供电系统中线的作用。

3. 不对称三角形联接的负载,能否正常工作?实验是否能证明这一点?

4. 根据不对称负载三角形联接时的相电流值作相量图,并求出线电流值,然后与实验测得的线电流作比较,分析之。