构建一个时钟应该是最简单的工程设计任务之一,除非你需要它是小型、稳定和可调的。
采用一些传统方法时需要一个 555 型计时器,或一个具有少数分立元件的比较器。不过,这些解决方案耗费宝贵的线路板面积,只有有限的电压和温度稳定性,而且频率高于几百 kHz 时,准确性很差。谐振元件振荡器 (如晶体和陶瓷谐振器) 具有极佳的准确度和稳定性,但因为它们是机械器件,所以其坚韧性比同类固态器件差。它们不仅易受机械磨损,而且在受到物理冲击后会引起输出频率和输出相位误差。它们还不可调,要获得多个频率必需备有多种频率值不同的晶体。
一种引人注目的新方法
目前,一类新型器件已经出现在市场上,这种器件兼具极佳的准确度和线性、小占板面积、低功率以及宽频率范围等特色。这些"电阻可编程振荡器 (RPO)" IC 仅用两个元件 (如果将电源旁路电容算进去,那就是 3 个元件) :一个微型 SOT-23 IC 和一个定时 (设置) 电阻。实际上,它们是不用使用晶体、陶瓷谐振器或外部基准时钟就能准确产生一个无限可变方波的仅有振荡器 IC。此篇文章集中论述这些器件的主要好处,着重介绍一些新型应用,最后就如何用它们获得最佳性能给出几条提示和技巧。
RPO基本事实
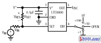
RPO的输出频率由单个外部电阻 (RSET) 和一个引脚可设置的分压器 (÷1、 ÷10 和  ÷100) 来设置,这两个器件合起来还能提供一个较宽的输出范围 (参见图 1) 。可用图 2 所示的简单公式来选择 RSET。
这个电路看似简单。然而,在这种表象下面,是一个专有内部反馈环路,它起着保持 RSET 和输出频率之间的线性关系作用,其典型温度系数仅为 40ppm/°C,而且在整个电源电压范围内稳定性为 0.05%/V。通常在 25°C 时,采用一个 0.1% 的电阻可提供高于 0.6% 的准确度。

图1: 标准电路


图2: 主振荡器分压器和RSET计算

在研究这种技术的应用之前,着重指出一些更值得注意的好处也许是有益的:
· 无限频率分辨率 --- 一个电阻可设置从 5kHz 到 33MHz 的任何频率。这灵活性使 RPO 非常理想地适合用来获取较宽频率范围或提供非标准值基准时钟,如那些用在开关电容滤波器中的基准时钟。这种可调性还为系统工程师提供了一个"旋扭"以在设计后期作出调整。另外,在生产过程中的校准时,可将RSET作为最后微调的元件进行调节。
· 微小占板面积 --- 一个 SOT-23 IC 和一个电阻允许于 PCB 上将振荡器放置在"使用点"上,而不是经长距离发送快速时钟信号。这些电路占板面积小至 9mm2,高度低于 1mm,通常小于同类电路的 5 到 10倍。
· 不受振动影响 --- 汽车、军事和医疗市场不仅高度重视频率和相位稳定性,而且也高度重视机械元件的可靠性。这个市场上的最终产品都用在易受长期振动或高强度冲击的环境中。RPO已经经受了超过 60000Gs 的测试,但没有任何可测量的性能下降。

快速启动 --- RPO 加电迅速并且可预期,一般在远小于 1mS 的时间里稳定达到 1%。这与晶体相比更优越,晶体在MHz范围内可能花 10mS 时间,而在低于 100kHz 时,多达整整 1 秒。

· 极佳的频率性能 --- 虽然 RPO 没有晶体振荡器那样的精确度,但是它们兼具在整个适用温度范围内的稳定性(40ppm/°C)和远远胜过 RC 振荡器的电源电压稳定性(0.05%/V),同时还提供晶体无法实现的可调性。
· 低功率 --- 通常电源电流降到低于 500uA 时,耗电一般比同类解决方案低10 到100倍。
· 减少存货 --- 可以只大量购买一种元件,而不是购买和储存多种频率值不同的晶体。储备电阻比储备晶体的成本低得多。
产品系列
目前在市场上有 3 种RPO:

在2001 年 LTC1799 上市之后,又有了 LTC6900 和 LTC6902。LTC6900 功耗减小了一半,但是以牺牲频率范围为代价。LTC6902 则是为多相电源同步而准备。
应用
人们脑海中最显而易见的 RPO 应用是在基于微处理器系统中充当主数字时钟。事实上,在中速微控制器应用中,RPO 能提供稳定而又灵活的时钟信号,如果这个处理器必需工作于多个频率(如休眠、备用状态、突发模式等)时,这种稳定而又灵活的时钟信号尤其有用。使用 I/O 线,CPU 可以在不同的RSET值之间切换,以在每种模式下对其主时钟进行编程。不过,把 RPO 限制在这种简单功能上,就忽视了其突出的灵活性。
定时电路
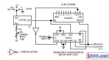
RPO 的宽频率范围使其能用在多种定时电路中。RPO 器件的宽范围、微小占板面积和低功率以及几乎完全不受振动影响的特色,使其成为实现灵活精确定时功能基本构件的理想选择。图3显示的是一个间隔发生器,在 800 纳秒到 16 秒范围内 (也就是20 x 106 : 1动态范围!) 准确度为 1%,当添加另外的计数器,范围还可以扩展。这个电路的间隔准确度和稳定性几乎完全由 LTC1799 的编程电阻确定,调整起来非常方便。



图3: 宽范围间隔发生器

压控振荡器
RPO 应用的一个自然延伸是用外部电压设置频率,从而构成一个压控振荡器 (VCO) 。实现 VCO的一种方法是将电流导入或导出 SET 引脚。图 4 显示的是怎样通过连接第二个电阻 RIN 和接地基准电压源 VIN 来实现这一概念。VIN 的值将控制这个振荡器的频率。


图4 : 压控振荡器(VCO)

使用这种技术可以在大约2:1 的频率范围内保持极佳的线性度。在 LTC6900 的速度能响应 VIN 的情况下,这个电路的调制带宽是 25kHz。

通过多相时钟实现同步电源调节
在服务器、通信系统和大型数据系统中,要为 CPU、驱动器、I/O 子系统等产生各种可调节电源轨。同步这些开关稳压器的时标,让它们不同相地运行,会带来一些好处。输入和输出纹波以及电容应力都减小,因为一个稳压器中的电流增大时,另一个稳压器中的电流在减小。而且,去除了不同时钟频率及其谐波的混合引起的拍音。第三个令人感兴趣的好处是,辐射出的EMI减少了,因为开关电流的瞬态过程更短了。在很多应用中,减少 EMI 是个大问题,因为减少 EMI 能降低屏蔽罩成本,减少对复杂地线板和电源板的需求,还能减少由 FCC B 类或 CE 类测试规范指标提高引起的重复设计次数。
LTC6902 RPO 通过提供 1、2、3 或 4 相输出来准确地解决这个问题,所有这些输出都来自一个共同的主振荡器。这个器件与单通道版本产品相比还有另一个优势:可以用伪随机噪声(PRN)信号对输出进行扩频调制(SSFM),以使振荡器的能量扩展到较宽的频带上。通过恰当地选择调制设置电阻,峰值辐射EMI可降低多达 20dB,从而确定了向下扩展调制的百分比范围为 0 至 100% (尽管实际范围大约是 10% 到 40%)。通过选择合适的调制百分比,辐射 EMI 的频谱可以均匀地展平并扩展到整个频带内。因为 SSFM 用于基频,所以应该注意到所有谐波都降低了。作为伺服环路的一部分,频率"跳跃" 经由一个内部 25kHz 低通滤波器后减慢了。对过渡过程良好的控制可确保不会超过稳压器的开关带宽,并保持所需的调节、效率和负载响应。
仪表
用热敏电阻代替 RSET 就构成了一个可预测但非线性的温度至频率发生器。可以选择阻值涉及较宽温度范围的热敏电阻,这样的电阻很适合用于主振荡器的单分压器设置中。通过用电子数据表进行实验,可以算出附加的串联和并联电阻值,以改善特定热敏电阻的输出频率线性度和温度范围。即使在整个适用温度范围内,这个电路中的 LTC1799 的频率误差也将低于 ±0.5°C。


[Page]


图5a: 热敏电阻传感器

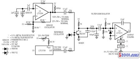
湿度可能是最难于测量的环境参数了。Jim Williams 设计的一个新方法在AM外差电路中采用 RPO 作为电容性 RH 传感器接口(图5b)。这个传感器用来控制一个可变振荡器,它与 LTC1799 RPO 提供的基准频率相混合。


图5b: 湿度传感器

输出端解调出的差频是对应于0 ~ 100% RH的0 ~ 1kHz信号。在这种应用中采用一个 RPO 使校准成为较容易的事。而且,既然这个电路允许传感器的一条引线接地,所以噪声可以降到最低。这个电路的误差大约是 400ppm/°C,并在 4.5V 到 5.5V 范围内提供 < 1% 的 PSRR。
滤波器电路
开关电容滤波器通常需要一个非标准的或甚至可调的基准频率。因为滤波器响应会随着这个频率变化,所以基准源在时间、温度和电压变化时保持稳定是至关重要的。
RPO天生适合这种应用。图6说明一个简单的精确 60Hz 可调凹陷滤波器。LTC1062和运放实现滤波功能,而 LTC1799 提供基准时钟,常见的凹陷频率列在表中。这个电路不仅灵活,而且还提供很高的性能,在凹陷频率处和斜率很陡的地方,衰减超过 45dB。



图6: 凹陷滤波器电路和响应

提示和技巧
虽然大多数电路都是简单,而且在几分钟之内就能加电工作,但是请记住 RPO 的数据表和应用注释为开发人员提供了丰富的信息,帮助开发人员将它们用在非标准应用中,或充分利用它们获得可能得到的性能。
选择电阻  ---  因为输出信号周期与RSET有线性关系,所以谨慎地进行选择很重要。初始容差或温度系数的误差都会以同样大小出现在所产生的频率误差中。阻值在10k到200k之间的低温度系数精确金属膜电阻能很好工作,这个范围的阻值对应的主振荡器频率是 0.5MHz 到 10MHz。
控制抖动  ---  某些应用可能有抖动问题,尤其当频率必需在较宽范围内变化时。主振荡器的每个分压器都有一个抖动与频率的特征波形。因为这些分压器的频率范围是相互重叠的,所以选择在所需频率范围内抖动最小的分压器是明智的。大体上,应该对分压器进行设置以得到最低主振荡器频率,因为 IC 将消耗更低功率并提供更高的准确度。
留意布局 ---  置位引脚通常不容许用大电容,寄生电容要控制在 10pF 以下。如果有一个干净的 PCB 布局,这个要求并不高,但是如果布局很糟或使用了一个大电容示波器探头,那么调试期间就可能有问题。为了得到最好的结果,RSET 应该放置在靠近 SET引脚的地方。由于高频和抖动增加时电源的跳动,所以故障表现是不准确的。

远程传感器  --- 在前面讨论过的热敏电阻接口一类的应用中,传感器也许安装在一条长电缆的一端,离 RPO 较远。在这种情况下,可以通过将电缆屏蔽"自举"到RSET 电压(图7),将有效电容减至最小。

图7: 远程传感器自举