一、 前言
行车是工业现场常用装备,用来实现货物在三维空间中的转运。其中水平面两个方向的运动分别由大、小车完成,称为行走系统;垂直方向的运动则由起升机构负责。大多数的行车通过钓钩与被运物体相连,当被运物体为粉状时,则需要通过抓料斗,这就是抓斗行车。该类行车在提升部分一般均配置两台电机,专门负责升降运动的电机称为主卷电机,另一台称为闭合电机,除了负责抓斗的打开和闭合(丢料和抓料)外,还将配合主卷电机一起出力进行升降运动。

重钢烧结厂现有抓斗行车均为串级调速加继电器/接触器控制方式,故障率高,维护费用及时间均很大,给生产造成不良影响,为此需对其技术改造,而采用变频调速技术是解决上述问题的关键,现以其3#行车技术改造为例介绍有关情况。

二、 电气系统配置
行车系统机械参数
载重量(含抓斗自重):20吨 起升高度:25.6米 跨度:31.5米
大车电机: 2* 15KW 小车电机:7.5KW
主卷电机:: 90KW 闭合电机:90KW

行走系统改造配置
大、小车分别选用EMERSON 公司EV2000-4T0300G和EV2000-4T0011G各一台,分别配置15kw、30kw制动组件各一套,以消耗停车时返回变频器的能量。由于较为简单,本文不详细描述。

主卷/闭合变频器
对于提升所需变频器,必须选用高性能矢量控制变频器,这里选用了爱默生TD3000-4T1320G两台,分别控制主卷电机和闭合电机,考虑到系统的长期使用以及可能出现的超载情况,在变频器选型方面我们相对电机功率放大2档。由于抓斗上升和下降是由主卷电机和闭合电机共同出力完成,而且在抓料操作时,为了尽可能多抓料,必须使用“点动降”使主卷钢绳保持松弛,因此,当抓料完成时,主卷钢绳是松弛的。若两台变频器都为速度控制方式,则不能解决主卷钢绳和闭合钢绳的受力平衡问题,容易导致闭合电机、闭合变频器、闭合钢绳过载,因此要解决好上述问题,主卷变频器必须支持速度/转矩控制在线切换功能,而且闭合电机用变频器必须有转矩输出功能,两者通过逻辑有效配合方可完成。

速度反馈(编码器)
为了更好的实现空中起车和转矩控制
功能,本次改造选用配套编码器,型号为E80H型,线数512P/R,编码器与电机轴的连接采用轴套式安装,这种配置可以充分利用TD3000 变频器 0速200%的力矩以及内置的零伺服功能,确保消除启/停时的“溜钩”现象 

制动单元和制动电阻
抓斗下降过程中,电机处于发电状态,再生能量将导致变频器的直流母线电压上升到危险电压,因此制动组件是必须选配的。经验表明,制动组件配置容量应该相对于变频器容量适当放大,具体情况与行车起升高度、制动单元的最大制动使用率、电机和变频器的配置余量以及制动电阻散热条件等环境因素有关。由于抓斗下降是可能持续较长时间的过程,我们选用的TD3000配套制动组件,该制动组件具备100%ED的制动能力,

PLC
本系统中选用了PLC来实现整个系统的逻辑控制,主要功能如下:
1. 变频器启/停控制;
2. 控制抱闸,保证电机轴停止时抱闸才抱住,既不提前,也不延后;
3. 主卷变频器控制方式切换(速度控制/力矩控制)。
4. 系统安全连锁功能

a) 行车上各个进出口的门以及操作室的门在打开状态下,禁止操作。
b) 大、小车轨道两端设限位开关限制车体超越。
c) 冲顶限位。
d) 各操作手柄未处于零位置时,上电被禁止。
e) 主卷和闭合变频器中任意一台变频器报故障时,两台变频器均立即停止输出(自由停车),同时抱闸合闸。
f) 任何时刻断电,系统将立即停止,抱闸合闸。PLC故障时,各操作命令无效(PLC无输出),这时,抱闸闭合,行车处于安全停止状态。但不排除PLC误输出松闸信号,虽然这种概率极小,一旦出现这种情况,司机可按“急停”按钮,切断控制电源,使抱闸闭合。
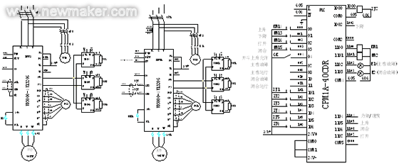
系统原理图见图一。


图一 提升/抓斗部分系统改造原理图

三、 参数设置
主卷和闭合用变频器参数如下:


为保证提升的平稳性,合理选择加减速方式是非常必要的,实践证明选用S曲线启停方式非常适合提升,即:电机刚启动时以极低速度运行一段时间,其间加速度也较小,然后再以与加速时间相对应的加速度将电机速度提高,接近设定速度时再以较小加速度运行至设定值。减速过程与加速过程类似。这种方式可有效地减小电机启/停时的冲击电流。

四、 总结
抓斗行车变频改造后,很好地解决了主/闭钢丝绳受力平衡问题,软启软停方式大大降低了起制动时的冲击电流,再加上变频器本身具有完善灵敏保护功能,极大地提高了行车运行的可靠性,延长了系统的使用寿命。以下为改造后的有关数据:(以一年前改造的三台行车为例)

钢丝绳消耗仅为改造前的20%;
电机从未烧坏,改造前为平均1台/月;
其它低压电器及机械设备的寿命也得大大提高;
总维护成本为改造前的10~15%;

实际运行中,主卷和闭合电机二者的运行电流相差仅3A左右,出力均衡度极高,证明TD3000确实是优秀高性能矢量控制型变频器。

以下是新老系统的各项对比: