广东产三和牌SH9602型全自动冷/热饮水机最大特点是瓶装水与自来水两用,除了使用瓶装水外,可自行制作纯水给饮水机供水。具有自动进水、自动加热和自动制冷等功能,适合家庭、事业单位和宾馆等场合使用。


一、整机简介

该机加热功率500W,制热水能力≥90℃-5L/h,制冷功率75W.制冷水能力≤15℃-0.8L/h,使用环境温度10~32℃,防触电保护类别I类。该机为全塑型台式结构,主要由净水器、自动进水装置、加热系统、制冷系统和冷,热水龙头等组成。净水器接通自来水,经电磁进水阀向饮水机水箱进水,纯水经进水装置分别进入热罐和冷罐,经加热和制冷,由热水龙头供应88℃~96℃热水,冷水龙头供应12-5℃冷水。


二、电路原理

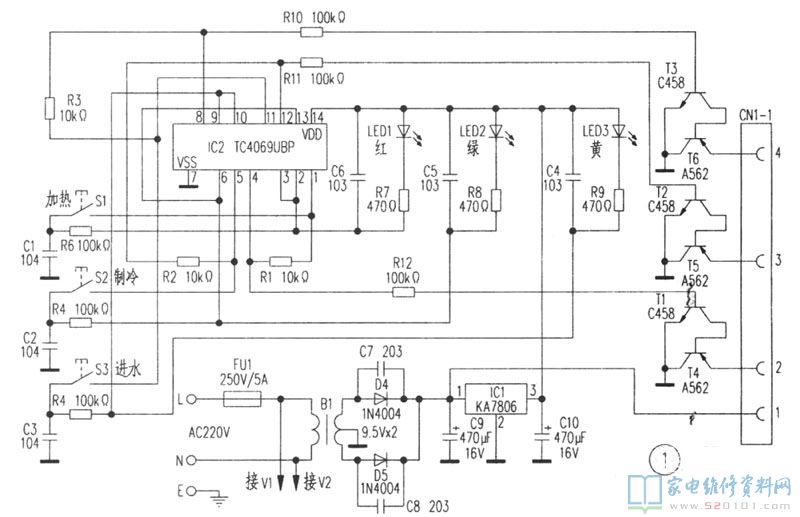
该机由两块电路板组成,控制板电路原理实绘图如图1,功能板电路原理实绘图如图2所示,图中元器件编号与电路板一致,两电路采用排线插接器CN1-1、CN1-2连接。接通电源,220V市电经保险管FU1后分成两路,一路加至功能板(即图2),另一路加至控制板(即图1)的电源变压器B1降压,经D4、D5全波整流,C9滤波后输出9V直流电压为继电器J1、J2、J3供电。同时该电压再经三端稳压集成电路IC1(KA7806)与C10组成稳压电路,③脚输出6V稳定的直流电压作为集成电路IC2及功能电路作工作电源。

控制板使用六反相器IC2(TC4069UBP,内含6个独立通道输入/输出的反相器电路)及以其为核心组成加热(控制)电路、制冷(控制)电路和进水(控制)电路。

1.加热(控制)电路

由IC2的①、②、③、④脚及加热键S1、LED1、C1、C6、R1、R6、R7、R12组成电子开关电路。由三极管T1、T4、继电器J1及其常开触点J1—1组成输出执行电路。当接通电源的瞬时,由C6、R7、LED1组成清零及显示电路对IC2③脚提供高电平,④脚输出低电平并分成两路,一路通过R12加至T1的基极,T1、T4截止,J1不吸合,J1-1处于常开状态,加热电路不通电,加热工作灯H1不亮,加热器DR不加热。另一路经R1将该低电平反馈到IC2①脚,②脚变为高电平,同时加至③脚构成闭锁过程。按一下S1,IC2②脚输出高电平,经R6、C1整形电路反馈到①脚,②脚输出低电平,LED1点亮,指示加热控制电路正在工作。同时该低电平加至IC2③脚,④脚输出高电平,该高电平有两个作用,一是经R1反馈到IC2①脚,锁定该电平而完成开关过程。二是经R12加至T1基极,T1导通,T4基极电位降低,T4导通,J1吸合,J1—1闭合,加热电路接通电源,H1点亮,DR对水进行加热。当水温升至温控器WT1上限温度96℃时其触点断开,关断加热电路电源,H1熄灭,DR暂停加热,完成一次加热过程。用水后或断电降温降到WT1下限温度88℃时其触点闭合,接通加热电路电源,H1点亮,DR再度加热,使水温维持在88-96℃之间。

若要停止加热,又按一下S1,IC2②脚输出低电平,并通过R6、C1、S1加至①脚,②脚变为高电平加至③脚,LED1熄灭,同时④脚输出低电平,T1、T4截止,J1释放,J1-1断开,切断加热电路电源,H1熄灭,DR不再加热。

2.制冷(控制)电路

由IC2的⑤、⑥、13、12脚及制冷键S2、制冷控制灯LED2、C2、C5、R2、:R5、R8、R11组成电子开关电路。由三极管T2、T5、继电器J2及其常开触点J2-1组成输出执行电路。由C5、R8、LED2组成清零及显示电路。因制冷与加热控制原理相同,予以省述。按一下S2,LED2点亮,J2吸合,J2-1闭合,接通制冷电路,220V市电经保险管FU2,制冷温控器WT3加至制冷变压器B2降压,经D6-D11全波整流,C11、C12滤波后获得12V直流电压,供风扇电机M运转及制冷片PN对水进行制冷,同时制冷工作灯LED4点亮,指示制冷电路正在工作。当水温下降到WT3下限温度5℃时其触点断开,关断制冷电路电源,LED4熄灭,M停转,PN暂停制冷,完成一次制冷过程。断电后水温上升到WT3上限温度12℃时其触点闭合,接通制冷电路,LED4点亮,M运转,PN再度制冷,使水温维持在12~5℃之间。

3.进水(控制)电路
由IC2 11、⑩、⑨、⑧脚进水键s3及进水控制灯LED3,C3、C4、R3、R4、R9、R10组成电子开关电路。由三极管T3、T6、继电器J3及其常开触点J3-1组成输出执行电路。由C4、R9、LED3组成清零及显示电路。其进水与加热控制原理相同。予以省述。按一下S3,LED3点亮,J3吸合,J3-1闭合,接通进水电路,水位开关SE的触点COM与NC接通,进水工作灯H2点亮,电磁进水阀FV进水,当水箱水位升到设定水位时:触点COM与NO闭合,FV失电停止进水。用水后水位降到设定水位,SE闭合;H2点亮,FV再度进水,使水箱的水位维持一定高度。
电路中,FU1、FU2分别为整机、制冷电路过流保护。D1、D2、D3为续流二极管,给J1、J2、J3线圈提供释放磁场能通道,保护T1~T6不被击穿损坏。WT2为加热电路防干烧温控器,若缺水误接通电源,WT2受高热控制强制其触点永久性断开,防止烧坏加热器,待饮水机降温后,人工触动WT2复位按钮使触点例合,即可投入正常使用。


三、常见故障维修

1.整机不工作。
分析检修:故障现象说明市电未进入电路。测量IC2 14脚对地若无6V电压,多数是FU1熔断,B1初级开路,D4、D5、C9、C10击穿,IC1烧坏等,用万用表检测,找出损坏件予以换新,故障即排除。
2.按S1,LED1、H1都点亮,不加热。
分析维修:根据故障现象分析,说明市电已进入加热电路,不加热通常是DR烧坏所致。用万用表测量DR两端电阻若为无穷大(正常电阻约97Ω),可确认DR已损坏,应更换DR(500W)。
3.按S2,LED2、LED4都点亮,不制冷。
分析检修:LED2、LED4能点亮,说明制冷(控制)电路工作基本正常,不制冷有两个原因,一是M不转,不能将PN制冷时产生热量排出机外,导致制冷速度缓慢或不制冷,更换M(0.16A/DC12V),即可恢复制冷。二是PN击穿开路(正常电阻约3Ω),更换PN(TEC1-12706),故障排除。
4.按S3,LED3、H2都点亮,不进水。
分析检修:引起该故障多是KV线圈烧坏所致,测FV两端电阻无穷大(正常电阻约5kn),更换FV(FCD-270型),故障排除。