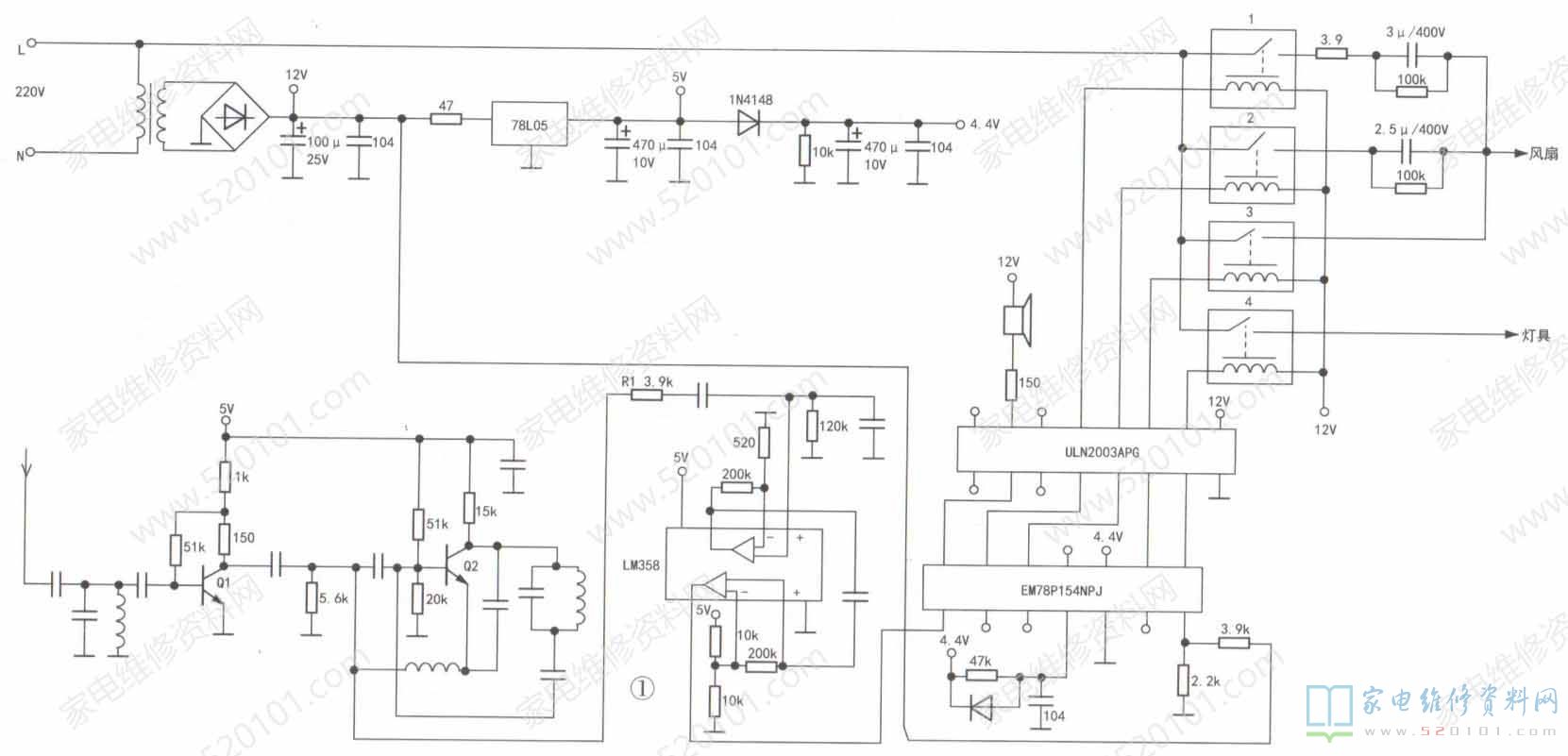
一台永怡御风牌灯扇,故障表现为转速较慢,该灯扇将吊扇与照明灯合为一体,并采用遥控控制方式,其实测电路如图1所示。三极管Q2与外围元件组成本振电路,遥控器发出的射频信号经三极管Q1放大,输出的RF信号与Q2输出的本振信号混频,差频产生的中频信号通过R1送给运放LM358,经LM358放大与整形后送给CPU(EM78P154NPJ)①脚。CPU④脚是复位脚,⑦脚是电压监测脚,10脚是4.4V供电脚。根据遥控信号,CPU输出控制信号,经过ULN2003APG隔离驱动相应继电器。
继电器“1”是风扇电机一挡开关,风扇电机与火线之间串有继电器开关和3uF电容及3.9Ω电阻;继电器“2”是风扇电机二挡开关,风扇电机与火线之间串有继电器开关和2.5uF降压电容,继电器“3”是风扇电机三挡开关,风扇电机与火线之间串有继电器开关。检查发现,3uF/400V、2.5uF/400V降压电容的容量均已下降,将其换新后故障排除,风扇转速恢复正常。
网友评论