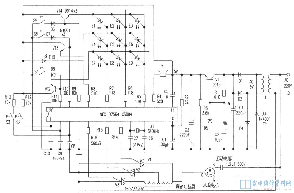
一、电路原理
220V市电经T降压、D1—D4整流、VT1、D5稳压为5V,提供给IC的⑩脚。IC的⑧、⑨脚外接640kHz石英晶体,S1为复位开关,按下S1后风扇程序控制处于中断状态,这时其功耗可忽略不计。S2为启动蒹调速开关,每按一次s2,Ic的⑤、⑥、⑦脚会分别输出触发信号,使双向可控硅V1、V2、V3依次导通,风扇就会从低速一中速一高速一低速循环运转;对应的发光二极管E1、E4、E7分别点亮,作为风速指示。
S3为模拟自然风选择开关,按下S3后电机间断运转,即双向可控硅作周期性的导通与截止,使电风扇启动与停止,产生模拟自然风效果。这时若S2选择开关有效,风扇便会有不同风速的模拟自然风。若再按一次S3,模拟中断,恢复为常规运行,E10也会同时点亮或熄灭。S4为定时开关,可顺序选择30分钟-60分钟-120分钟-长时间-30分钟,同时E3、E6、E9顺序点亮。s5为睡眠定时开关。按下s5后IC⑤脚输出触发信号,v3导通,这时电机只能低速运行,此时若按S2,睡眠风即中止。睡眠定时有60分钟-120分钟-240分钟-长时间-60分钟。该电路除按s1外,其余按键在每次按下时,压电蜂鸣器都要发出“嘟嘟”的有效提示声。这些功能还可以随意组合,扩展为多功能,如按下S5后,再按S3,即可有4种时间的睡眠式模拟自然风效果。
二、常见故障和原因
1.风扇不能启动。
要注意区别在按下S2的同时有无“嘟”的蜂鸣声,对应的发光二极管是否被点亮,若有声音则说明电源正常,Ic也无问题,故障应在启动电容、电机、双向可控硅;若无声音,应重点查IC⑧、⑨脚有无640kHz时钟信号,同时查看s2是否开路。
2.电机能启动,但风速选择功能失效。
在按下s2的同时,看对应的发光二极管是否点亮。若点亮,则故障在双向可控硅或调速电抗器。
3.模拟选择功能失效。
除s3开路外,可查R13、c8和Ic是否坏。
4.定时功能失效。
一般为s4、R9、D6开路,VT4击穿和IC损坏。
5.睡眠定时功能失效。
一般为S5、R10、D7开路,T3击穿和Ic损坏。
6.不能复位。
可查S1是否开路,D8、R11与C9是否损坏,最后查IC是否损坏。
三、检修实例
1、电扇能正常运转,但定时与睡眠功能失效,且不能复位。
只有这三种功能失效,表明IC没有损坏。由电路图看出,S1、S4、S5的公共端都接在IC②脚,若②脚开路、虚焊或对地短路都会出现这种情况。实测c9两端阻值竟为10Ω左右,且变化不定,可见已被击穿。换上一只390pF的聚丙烯电容,故障排除。
2、电扇不能启动,所有功能均失效。
查VT1的发射极有5V。测IC的⑧、⑨脚电压为2.8v(正常是2.46V)与2.4V。据此确定时钟振荡频率不正常。更换640kHz晶体无效;接着查出c7已开路,换用51pF电容后,⑧脚电压恢复正常,但风扇仍不能启动。查s2开关正常。测c10两端阻值为零,用390pF电容换上后,全部功能恢复正常。

网友评论