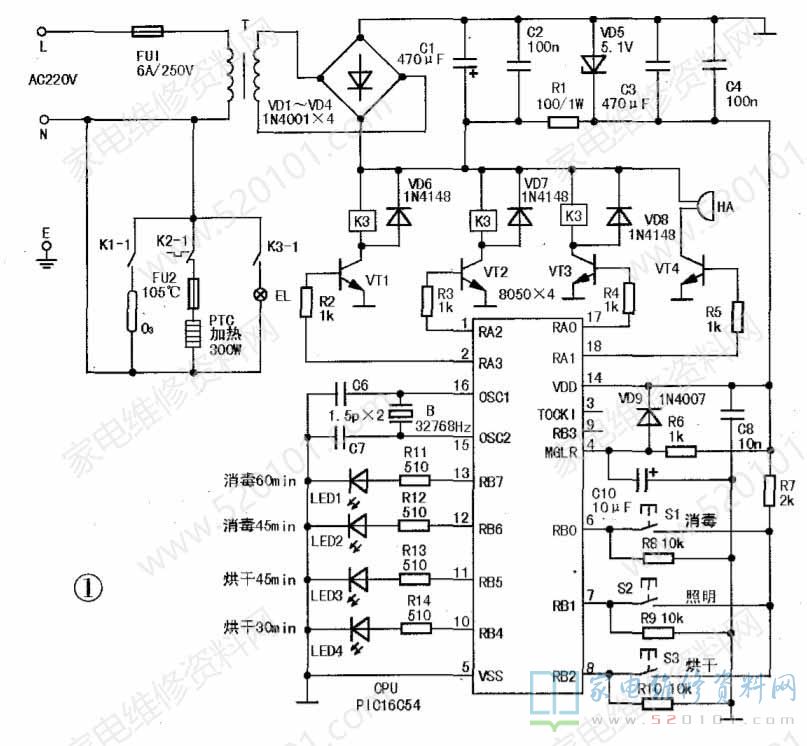
格力ZGP型消毒柜电路以单片微机芯片(CPU )PIC16C54为核心组成,整机由电源、复位控制、时钟振荡、消毒、烘干、照明、蜂鸣器提示及显示电路等构成,实绘电路如图1所示。

        故障现象1:接通电源,按各手动操作键均无效,蜂鸣器不响,各指示灯也不亮。分析检修:此现象表明消毒柜整机未工作,主要原因如下:(1)电源供电失常。该电源将220V市电分成两路:一路经保险FW1后,分别为臭氧消毒器O3;PTC (正温度系数)加热元件和照明灯EL供电;另一路经电源变压器 T降压,VD1~VD4全桥整流后获12V 左右直流电压,为继电器K1~K3及压电陶瓷蜂鸣器HA供电;同时经电阻R1(100Ω/1W )限流后,由VD5稳定在5V左右,为CPU及控制电路供电。C1、C3为电源低频去耦滤波电容,C2、C4为高频干扰吸收电容。若测得CPU 14、⑤脚间无5V工作电压或电压过低,可能是FU1熔断,T初级或次级绕组断线(正常电阻值分别为8Ω和1.8Ω), VD1~VD4或R1开路失效,C1~C4或VD5击穿漏电;(2)复位电路有故障。

         R6、VD9、C10组成自动复位电路,由于电容C10两端电压不能突变,故每次加电时,CPU④脚先为低电平,对其内部定时器、计数器清零复位,待C10充电至高电平时,CPU才从头开始执行工作程序,进入正常工作状态。若测得CPU④脚无5V信号电压,一般是R6脱焊开路或C10击穿漏电引起的;(3)时钟电路停振。晶振B(32768Hz)、补偿电容C6和C7及CPU 15、16脚内部电路(两个串联的反相驱动器)组成时钟振荡电路,为系统提供32768Hz的时钟信号,以.协调各部分电路同步工作。如采用外部时钟信号,则将15脚悬空,16脚经一只10k左右电阻接VDD,而脉冲触发信号从③脚送人cPU。正常时,15、16脚电压在2.3V~2.6V之间(1/2VDD),若测得两脚均为5V或0V,或一脚为5V另一脚为0V,说明时钟电路停振,通常是晶振B内部破碎或引线断脱(用测电阻的方法无法判断,可用废旧石英手表中的32768Hz晶振代换),及C6、C7漏电造成的;(4)若上述检查均正常,说明CPU内部电路损坏,换新后即可排除故障。

         故障现象2:开机后照明和烘干正常,但不能进行臭氧消毒。分析检修:此现象说明故障出在臭氧消毒电路。按动消毒键S1,R7、R8对5V电源电压分压后,使CPU⑥脚输出高电平,驱动管VT1导通,继电器K1吸合,其常开触点K1-1闭合,接通臭氧消毒器O3;电源开始进行消毒消毒工作定时时间有40min和60min两种,通过连续按S1进行选择,并由CPU 13、12脚外接发光管LED1、LED2指示消毒时间。时间到后CPU②脚翻转为低电平,VT1截止,K1释放,完成-一次自动消毒过程。由此可见,不能进行臭氧消毒工作的主要原因有:(1)消毒键S1触点接触不良或引线断脱,CPU⑥脚无高电平指令信号输人。若分压电阻R7脱焊开路,⑥脚亦无高电平输入,此时⑦、⑧脚也无高电平,即消毒、烘千、照明功能均失效;(2)CPU消毒控制通道工作失常,②脚无高电平信号输出;(3)耦合电阻R2开焊,VT1开路损坏,K1电磁线圈断线或保护管VD6击穿漏电,导致K1不吸合;(4 )继电器常闭触点K1-1接触不良或消毒器O3损坏。
         故障现象3:烘干定时时间巳到,烘干加热器PTC仍不断电而继续加热。分析检修:该消毒柜设有食具烘千电路,其操作和工作过程与消毒电路相似:反复按烘千键S3可循环选择烘千定时时间,有30min和45min两种时间,由发光管LED3、LED4显示。选择烘千时间后,CPU①脚输出高电平使VT2导通,继电器K2吸合,其常开触点K2-1闭合接通加热元件PTC电源进行加热。
在加热烘千回路中,串有温控器ST和温度保险FU2。当消毒柜内温度升至85°C时,温控器ST常闭触点断开,PTC电源暂停加热,待柜内温度降低至80°C左右时,ST触点自动接通,PTC又开始加热,如此反复。烘千加热不停的原因主要有:(1)分压电阻R10开焊,S3触点积垢漏电或烧结在一起不能分离,使CPU⑧脚始终为接收工作指令的高电平状态;(2)CPU烘千控制通道工作失常,导致①脚始终为高电平而不能变低;(3)VT2击穿漏电使K2一直处于吸合状态,不能释放;(4)K2-1或ST触点烧结,不能切断加热电源。ST失效后,若消毒柜温度达到105°C时,FU2熔断,使PTC失电停止工作,起超温保护作用。
          故障现象4:消毒柜内照明灯不亮。分析检修:按动照明开关S2,CPU⑦脚被高电平信号触发,其17脚输出跳变为高电平,VT3导通,K3吸合,常开触点K3-1闭合,接通灯泡EL电源。若停止EL发光,再按一下S2即可。
          照明灯不亮的原因有:(1)S2触点接触不良,使CPU⑦脚无高电平信号输入;(2)CPU不良,17脚无高电平信号输出; (3)R4、VT3、K3开路性损坏或VD8击穿漏电使K3不能吸合;(4)K3-1触点接触不良或灯泡EL烧坏。
          故障现象5:蜂鸣器不响。分析检修:CPU 18脚输出低频信号,经VT4驱动压电陶瓷蜂鸣器HA发声:接通电源时发出“嘀、嘀”两短声;按S1~S3键时,每按一次发出“嘀”一短声;消毒和烘千定时结束时或按S2熄灭照明灯EL时,发出一长声“嘀”音,CPU工作异常时,连续发出“嘀、嘀”急促声。
          蜂鸣器不响的主要原因是:(1)CPU内部电路故障,18脚无低频信号输出;(2)R5开焊或VT4开路损坏;(3)蜂鸣器HA破裂损坏或连线断脱。