一、整机结构
该饮水机为立式结构如图1所示。由上半部分饮水机和下半部分消毒保鲜柜组成。
消毒保鲜柜由柜门、消毒室、层架、消毒定时器、门控开关相臭氧发生器等组成。将茶具或食品放入柜内,启动定时器,臭氧发生器产生臭氧对茶具消毒或保鲜食品,消毒完成自动关机。
二、电路原理
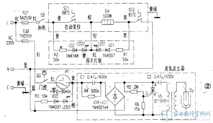
参照实物绘出该机电路原理图如图2所示,由加热保温电路和臭氧消毒电路两部分组成。

(1)加热保温电路
由电源相线L与保险器FU1、加热开关SB、88℃加热温控器ST1、500W电热管EH、95℃保护温控器ST2回至电源零线N构成回路。接通电源,闭合SB,黄色保温指示灯LED2被ST1短路,LED2暂时不亮,红色加热指示灯LED1与EH并接而点亮,EH开始加热。当热罐水温升至88℃时,罐壁上的STl感温后触点自动断开,回路电源被切断,LED1熄灭,EH停止加热。此时R2、VD2、LED2与EH、ST2串联,保温指示灯LED2点亮,表示电路进入保温状态。当水温下降到85℃时,ST1闭合,LED2熄灭,LED1亮,EH再次加热,重复上述过程,使水温保持在85~96℃之间。
电路中,保护温控器ST2主要起防止由于多种原因引起温升过高、热罐缺水干烧而烧坏电热管的作用。
(2)臭氧消毒电路
插上电源插头,转动消毒定时器旋钮,设定所需要的消毒时间(10、20、30分钟)后,定时开关闭合开始倒计时。关好消毒柜门,门控开关SQ受压接通电源,橙色消毒指示灯LED3点亮,表示消毒开始。220V市电经FU2、SQ、PT后,由电容C1降压,全桥VD4~VD7整流输出直流电压向储能电容C2充电,同时,该直流电压经电阻R5、R6分压后作为触发电压,使单向晶闸管VS(BT169D)导通,已充电的C2经VS、升压变压器T的初级放电,在T的次级感应出脉冲高压加至臭氧放电管O3两电极进行放电,电离空气变成臭氧。当C2放电后,VS截止,C2再次充电;VS导通,O3再次放电,周而复始循环,使消毒室充满臭氧,达到消毒保鲜的目的。当消毒定时器PT倒计时结束后,定时开关断开切断电源自动关机。
三、故障维修
[例1] 闭合加热开关SB,加热指示灯LED1不亮,水不热。
分析检修:该故障为电源不通所致。拔出电源插头,用万用表测电源插头L、N脚,闭合SB后回路电阻(即EH电阻)约97Ω为正常,若为无穷大,说明加热电路断路。分别检查FUl、SB、ST1、EH均正常,而是ST2不导通(常态应导通),说明保护温控器ST2已动作保护,其原因是热罐曾无水干烧。由于ST2是手动复位型的温控器,一经断开,不能自动复位。此时,打开饮水机背板.在热罐壁上有两个温控器,ST1在上端,ST2在下端,轻触ST2中心处的复位按钮,手感触点动作闭合。插入瓶装水后,按热水龙头待有水流出后,方可通电。
[例2] 闭合加热开关SB,保温指示灯LED2常亮,水不热。
分析检修:此故障现象大多是加热温控器ST1触点烧蚀断路所致。用万用表测量ST1两脚,常态接触电阻应0Ω,不通则坏。温控器一旦损坏是不能修复的,只有更换,可用KSD-301型250V/5A/88℃自动复位型温控器更换。为保证测量准确,应在温控器铝壳与热罐壁上各涂一层导热硅脂,然后安装温控器。
[例3] 只要一闭合加热开关SB,家用漏电保护开关即跳闸。
分析检修:这大多是电热管EH管壁击穿,水与电热丝接触所致。应按图3所示更换电热管。

(1)拆出热罐,用色笔在盖子与罐子的夹缝处画个“V”记号,防止维修后装配出错; (2)用十字螺丝刀拧出盖子面上8颗M3螺钉,卸下盖子和密封胶环; (3)用扳手拧出罐子底部两个六角螺母,拆出电热管和密封胶圈;(4)装入500W不锈钢电热管,按拆卸的逆顺序装好热罐; (5)向热罐注满水,静止放置一段时间,仔细检查盖子、电热管引脚、焊缝应无渗漏; (6)用万用表R×1k挡测量电热管任一引脚与罐壁绝缘电阻,若为无穷大,即可装机使用。
[例4]转动定时器,消毒指示灯LED3亮,但无臭氧消毒。
分析检修:故障现象说明FU2、SQ、PT工作正常,多是臭氧发生器有故障。拆下臭氧发生器,逐一检查C1、VD4~VD7、R5、R6、VS、C2、T、O3等元器件,发现VS击穿。单向晶闸管的好坏,可用万用表判别。BT169D型单向晶间管引脚排列为,型号面自左至右为K、G、A,用Rx1挡测量,黑表笔接A极,红表笔接K极,电阻值为无穷大;再将G极与A极碰触后即离开,A、K极间的电阻值变为30Ω左右并保持,说明该管是好的,否则是坏的。BT169D坏后,可用其他牌号参数为1A/600V的单向晶闸管更换。
[例5]能进行臭氧消毒,但效果差。
分析检修:出现该故障通常是臭氧放电管O3衰老所致。打开臭氧发生器盖子,接通电源,正常的放电管“吱吱”声很响,且辉蓝光较明亮,但该臭氧管放电声细微,辉光暗淡,说明放电管衰老或失效。换上新的放电管后效果很好。
[例6]转动定时器,不计时。
分析检修:转动定时器后若无定时器运行声则有故障,常见有齿轮缺油不转、发条脱落或折断等,前者可向齿轮轴承适量注油。本例为发条脱落,重新挂好后故障即排除。若发条折断,可选用DFJ-30型/220V/1.6A发条式定时器更换。
网友评论