您好,欢迎您访问家电维修资料网
登陆
免费注册
实用工具
手机版
用手机访问
首页
维修资料
彩电维修资料
彩电总线调整
维修基础
电子线路
电子制作
空调制冷
家用电器维修
音响功放
卫星有线
VCD、DVD
通讯设备
办公设备
数码摄录
计算机设备维修
软件下载
培训教材
电路图纸
长虹彩电图纸
康佳彩电图纸
TCL彩电图纸
海尔彩电图纸
创维彩电图纸
海信彩电图纸
其他彩电图纸
合资彩电图纸
LG彩电图纸
松下彩电图纸
三星彩电图纸
索尼彩电图纸
东芝彩电图纸
夏普彩电图纸
飞利浦彩电图纸
DVD功放图纸
家用电器图纸
数码相机图纸
显示器图纸
维修工具图纸
数据下载
长虹彩电数据
康佳彩电数据
TCL彩电数据
海尔彩电数据
创维彩电数据
海信彩电数据
其他彩电数据
合资彩电数据
厦华彩电数据
DVD机顶盒数据
说明书
彩电说明书
显示器说明书
家用电器说明书
遥控器说明书
影音系统说明书
视频
彩电维修
空调制冷
电脑软件
办公设备
显示器维修
电子线路
维修基础
电工技术
通讯维修
DVD维修
生活电器
仪器仪表
其他技能
电子制作
搜 索
首页
家用电器维修
正文
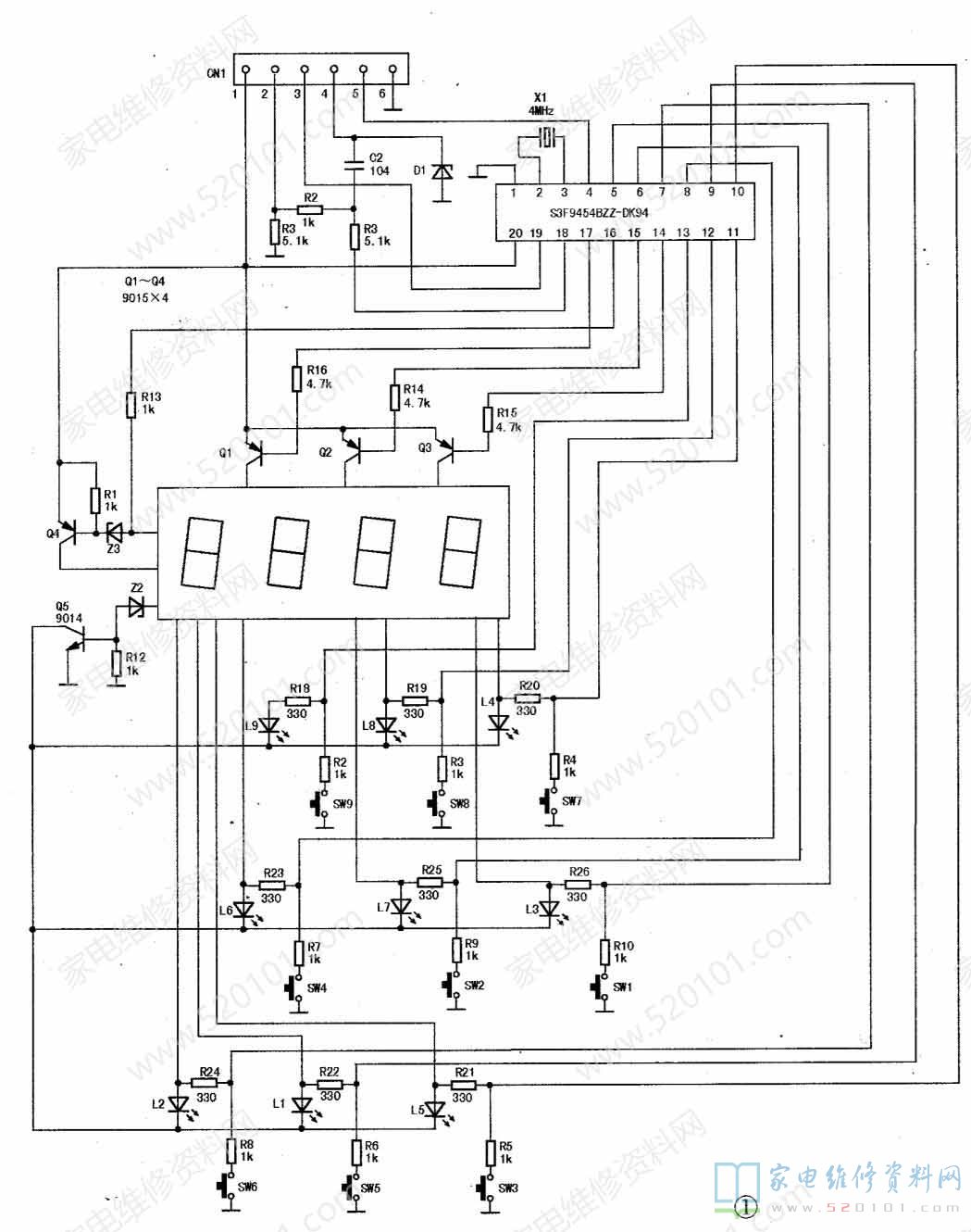
利仁牌DNG-5A电压力锅电路原理图
2023-10-26
作者:李立山
1612
评论
利仁牌DNG-5A型电压力锅是微电脑控制的全自动电压力锅,CPU、显示、键盘电路如图1所示;电源电路、传感及控制执行电路如图2所示。
其他推荐
九阳JYC-21CS16电磁炉副电源的故障维修
荣事达RFB-S4015电饭锅屏显E5代码的故障维修
家用燃气灶常见故障检修两例
格兰仕微波炉自动停机的故障维修
澳柯玛WQP4-3洗碗机故障分析与维修
格力GC18A电磁炉电路原理与故障维修
网友评论
发表评论
所有评论
目前还没有网友评论
提交
热门资料
1
西门子滚筒洗衣机通病的维修技巧(多图)
2
电磁炉原理分析与讲解(多图基础教程)
3
小天鹅滚筒洗衣机故障代码以及清除方法
4
多图解说:教你如何修复微波炉上的磁控管
5
电炒锅的电路原理与检修(图)
6
家用燃气热水器的内部构造及各部件名称(图)
7
金灶电磁炉原理与维修(图)
8
美的电磁炉加热线圈盘的正确接法(图)
9
燃气灶热电偶熄火保护装置电路原理与检修
网友评论